电脑桌面
添加小米粒文库到电脑桌面
安装后可以在桌面快捷访问

炼钢物料平衡计算VIP免费

炼钢物料平衡计算_第1页
1/25
炼钢物料平衡计算_第2页
2/25
炼钢物料平衡计算_第3页
3/25
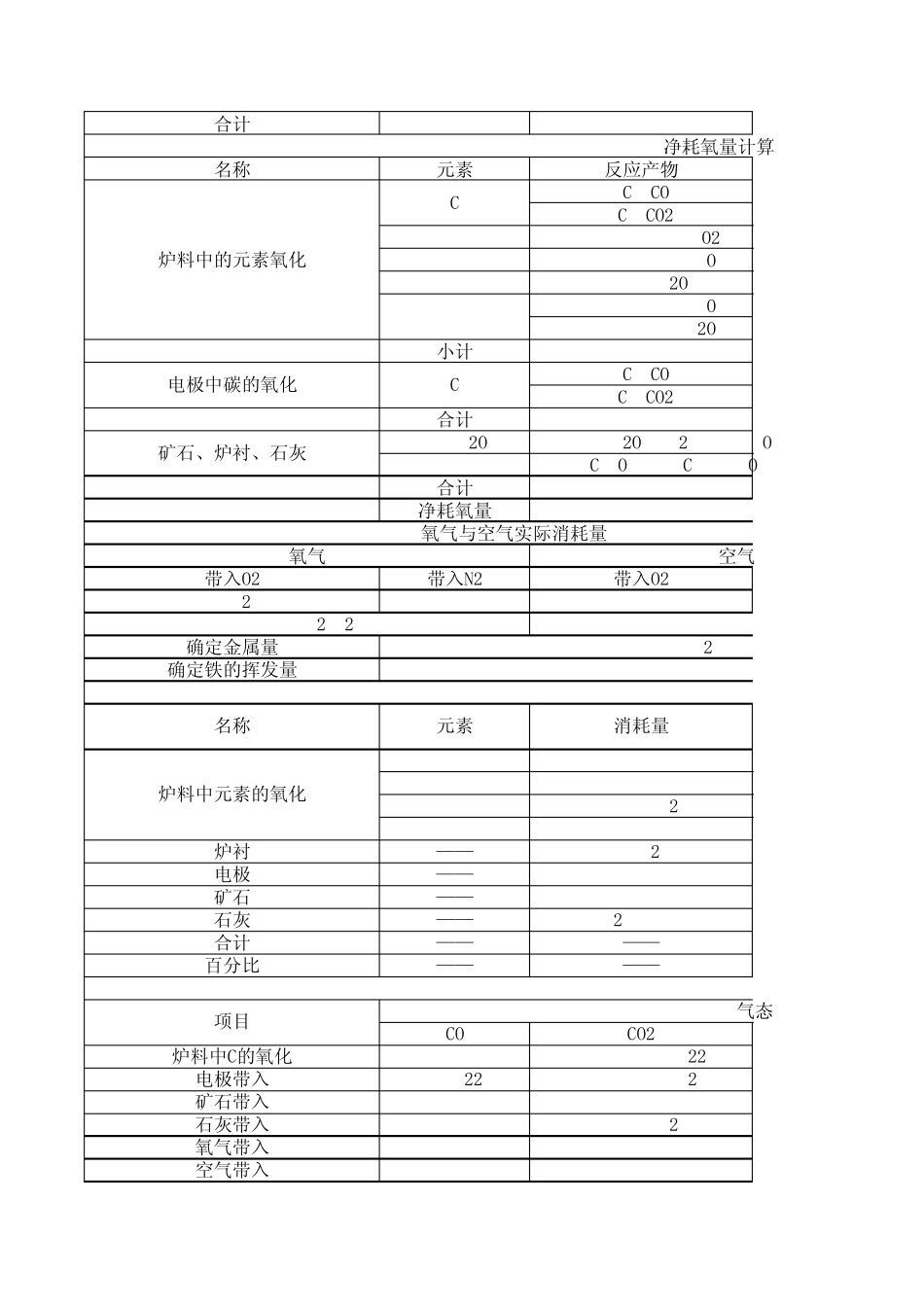
名称CSi废钢0.20000.3500铁水4.00000.5200FeMn7.00001.0000FeSi——75.0000FeCr6.00003.0000FeMo0.10001.0000电极99.2000名称CaOSiO2石灰92.00001.9000矿石0.40007.5000炉衬4.10003.6500电极灰分8.900057.8000火砖块0.550060.8000CSi15CrMoG0.12-0.180.17-0.37取中线0.15000.2700出钢成分0.0500——C熔化期30.0000氧化期①CSiFeMn90.0000100.0000FeSi90.000095.0000FeCr90.0000100.0000FeMo90.000075.0000C废钢70.00000.2000铁水30.00004.0000耗氧量的含氧量0%生成CO,30%生10kg/t(金属料)熔化期60名称用量碳氧化物烟尘量名称熔化期脱碳电极消耗炉衬消耗合金收得率合金材料其他数据熔化期、氧化期耗氧量氧气纯度和利用率2.0k4k烧损率炉料中元素烧损成分原材料成分1终点钢水成分钢种合计100.00001.3400名称元素反应产物C-COC-CO2SiSi-SiO2MnMn-MnOPP-P2O5Fe-FeOFe-Fe2O3小计C-COC-CO2合计Fe2O3Fe2O3=2Fe+3OSCaO+S=CaS+O合计净耗氧量带入O2带入N2带入O21.25760.00510.8648确定金属量确定铁的挥发量Si0.3409Mn0.3718P0.0261Fe0.3904炉衬——0.2000电极——0.1400矿石——1.0000石灰——2.0000合计————百分比————COCO2炉料中C的氧化0.65660.4422电极带入0.22680.1528矿石带入石灰带入0.0244氧气带入空气带入1.5616元素项目气态炉料中元素的氧化消耗量名称净耗氧量计算CFe炉料中的元素氧化1.26263.7601电极中碳的氧化C矿石、炉衬、石灰氧气与空气实际消耗量氧气空气97.5289游离O2参与反应:CO+1/2O2=CO20.22010.3458H2O参加反应:H2O+CO=CO2+H20.09080.1426合计0.57261.1078百分比12.482224.1506项目质量(kg)%废钢70.000064.5979铁水30.000027.6848电极0.14000.1292矿石1.00000.9228石灰2.00001.8457炉衬0.20000.1846氧气1.26261.1652空气3.76013.4699合计108.3627100.0000误差0.0177留渣量30%的熔化渣石灰加入量1.2197Si0.0602Mn0.0400P0.0221Fe0.4624S0.01050.20000.06001.00002.51490.5000渣中SiO2已含CaO0.77090.5516FeO%10.0000除Fe意外形成的渣量4.5584总渣量确定金属量95.7935名称元素烧损量(kg)矿石、石灰、炉衬火砖块合计百分比为达到冶炼要求终点∑FeO量设15%,(FeO%)铁氧化物C0.8892炉料中元素的氧化石灰加入量炉衬电极矿石石灰收入熔化期物料平衡表留渣30%名称消耗量Si0.0602Mn0.0400P0.0221合计Fe2O30.88800.0023金属中S0.0080合计带入O2带入N2带入O20.86050.00350.5156COCO2炉料中C的氧化1.45240.6521电极带入0.07940.218...

1、当您付费下载文档后,您只拥有了使用权限,并不意味着购买了版权,文档只能用于自身使用,不得用于其他商业用途(如 [转卖]进行直接盈利或[编辑后售卖]进行间接盈利)。
2、本站所有内容均由合作方或网友上传,本站不对文档的完整性、权威性及其观点立场正确性做任何保证或承诺!文档内容仅供研究参考,付费前请自行鉴别。
3、如文档内容存在违规,或者侵犯商业秘密、侵犯著作权等,请点击“违规举报”。

碎片内容

炼钢物料平衡计算

小辰5+ 关注
实名认证
内容提供者

出售各种资料和文档

确认删除?
VIP
微信客服
  • 扫码咨询
会员Q群
  • 会员专属群点击这里加入QQ群
客服邮箱
回到顶部