电脑桌面
添加小米粒文库到电脑桌面
安装后可以在桌面快捷访问

施工升降机日常维护保养记录VIP免费

施工升降机日常维护保养记录_第1页
1/4
施工升降机日常维护保养记录_第2页
2/4
施工升降机日常维护保养记录_第3页
3/4
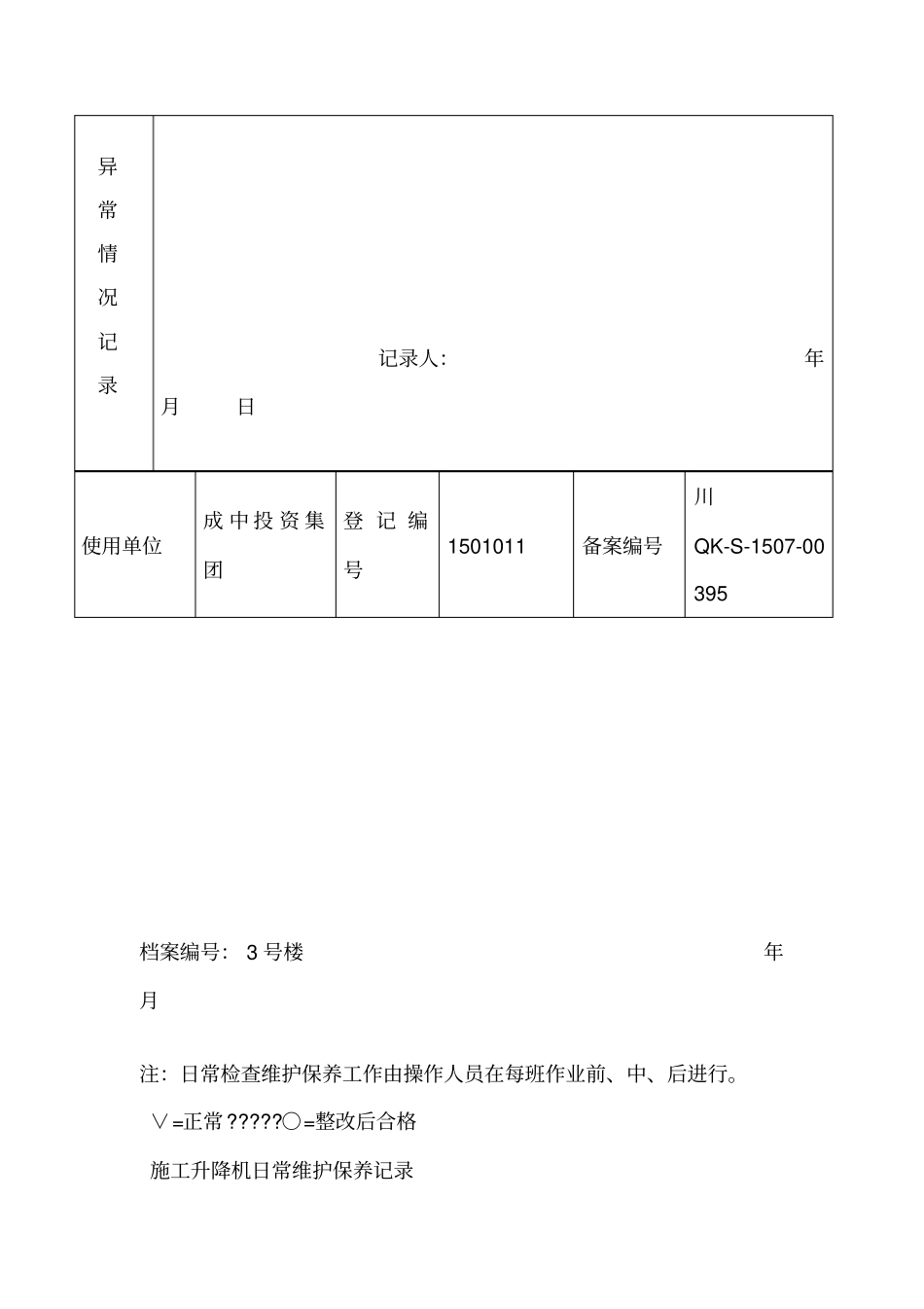
施工升降机日常维护保养记录使用单位成中投资集团出厂编号4 备案编号川QK-S-1404-00333工程名称金沙家园设 备 型号SC200/200操作人序号维护部件作业项目技术要求结果1电源电压检查满载运行电压波动不大于±5%2各限位开关检查安全可靠,动作有效3传动机构检查运行正常,无异响4导向滚轮检查运行时导向滚轮应和导轨架立柱抱合,受力均匀,无轴向窜动5各部连接螺栓检查、紧固各部连接螺栓齐全、紧固可靠6电控线路及电缆检查个接线端子连接良好,导线及电缆绝缘良好7整机清洁清除各部油污和赃物,保护机体清洁8润滑部位加注润滑剂按润滑油规定进行档案编号: 3 号楼年月注:日常检查维护保养工作由操作人员在每班作业前、中、后进行。∨=正常?????○=整改后合格施工升降机日常维护保养记录异常情况记录记录人:年月日使用单位成 中 投 资 集团登 记 编号1501011备案编号川QK-S-1507-00395工程名称金沙家园设 备 型号SC200/200操作人序号维护部件作业项目技术要求结果1电源电压检查满载运行电压波动不大于±5%2各限位开关检查安全可靠,动作有效3传动机构检查运行正常,无异响4导向滚轮检查运行时导向滚轮应和导轨架立柱抱合,受力均匀,无轴向窜动5各部连接螺栓检查、紧固各部连接螺栓齐全、紧固可靠6电控线路及电缆检查个接线端子连接良好,导线及电缆绝缘良好7整机清洁清除各部油污和赃物,保护机体清洁8润滑部位加注润滑剂按润滑油规定进行档案编号: 2 号楼年月注:日常检查维护保养工作由操作人员在每班作业前、中、后进行。∨=正常 ?????○=整改后合格异常情况记录记录人:年月日

1、当您付费下载文档后,您只拥有了使用权限,并不意味着购买了版权,文档只能用于自身使用,不得用于其他商业用途(如 [转卖]进行直接盈利或[编辑后售卖]进行间接盈利)。
2、本站所有内容均由合作方或网友上传,本站不对文档的完整性、权威性及其观点立场正确性做任何保证或承诺!文档内容仅供研究参考,付费前请自行鉴别。
3、如文档内容存在违规,或者侵犯商业秘密、侵犯著作权等,请点击“违规举报”。

碎片内容

施工升降机日常维护保养记录

确认删除?
VIP
微信客服
  • 扫码咨询
会员Q群
  • 会员专属群点击这里加入QQ群
客服邮箱
回到顶部