电脑桌面
添加小米粒文库到电脑桌面
安装后可以在桌面快捷访问

电动机行程位置控制VIP免费

电动机行程位置控制_第1页
1/24
电动机行程位置控制_第2页
2/24
电动机行程位置控制_第3页
3/24
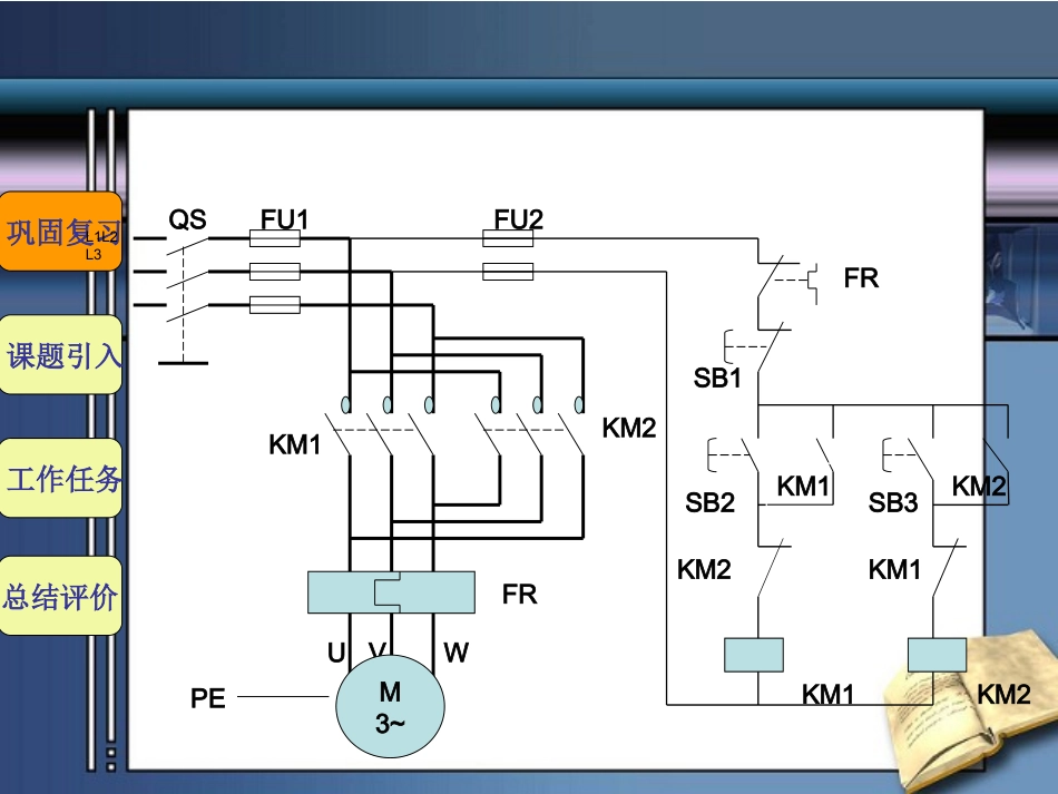
自动往返控制工作任务总结评价课题引入巩固复习L1L2L3FU1FU2KM1KM2FRSB2SB3SB1KM1KM2KM1KM2FRUVWQSKM2KM1M3~PE2.什么是行程开关?它的用途是什么?行程开关的图形符号:单轮旋转式双轮旋转式常开触头常闭触头复合触头工作任务总结评价课题引入巩固复习结论:工作台前进与后退也是通过电动机正、反转来控制的。思考、讨论他们都是靠什么实现的?电机的正反转运动自动往返控制工作任务总结评价课题引入巩固复习车间里的行车,每当走到轨道尽头时,都像长了眼睛一样停下来,而不会朝上墙撞去。这是为什么呢?能对生产机械运动部件的位置进行控制的线路就是位置(行程)控制线路。互锁互锁M3~M3~KM1FRFRKM1SB1KM2KM2KM1SB2KM2SQ1FU2FU1SB3QSSQ2PEKM2KM1L1L2L3短路保护过载保护接地保护自锁自锁位置保护任务分析M3~M3~1L3L2L1PEKM1FRFRKM1SB1KM2KM2KM1SB2KM2FU2FUSB3QSKM2KM1SQ1SQ2工作原理任务分析重点重点能不能在位置控制线路的基础上,利用某种元器件代替按钮,使行车在到达两端的极限位置时自动返回呢?设计自动往返控制工作任务总结评价课题引入巩固复习如果实际生产中要求机械运动部件不停地往返,对工件连续加工,而操作者失误(未及时按下切换按钮),导致产品不合格或生产效率低下,该怎么办?SQ2SQ1向右向左正向反向工作台运动方向工作台左终点位置右终点位置如何实现自动往返控制?自动往返控制靠行程开关(复合触点)实现自动往返控制工作任务总结评价课题引入巩固复习L1L2L3KM1KM2KHSB2SB3KM1KM1KHUVWKM2KM1SQ2SQ4SQ1SQ3KM2SQ1SQ2SQ3SQ4合上电源开关QS,按下SB2,KM1线圈得电FU1FU2QSSB1KM2M3~L1L2L3KM1KM2KHSB2SB3KM1KM1KHUVWKM2KM1SQ2SQ4SQ1SQ3KM2SQ1SQ2SQ3SQ4FU1FU2QSSB1KM2M3~L1L2L3KM1KM2KHSB2SB3KM1KM1KHUVWKM2KM1SQ2SQ4SQ1SQ3KM2SQ1SQ2SQ3SQ4KM1主触点闭合,KM1常开辅助触点闭合(自锁),KM1常闭辅助触点断开(互锁),电动机正转,拖动工作台右移。FU1FU2QSSB1KM2M3~L1L2L3KM1KM2KHSB2SB3KM1KM1KHUVWKM2KM1SQ2SQ4SQ1SQ3KM2SQ1SQ2SQ3SQ4松开SB2电动机继续正转,拖动工作台继续向右移动。至终点位置,挡铁碰撞SQ2FU1FU2QSSB1KM2M3~L1L2L3KM1KM2KHSB2SB3KM1KM1KHUVWKM2KM1SQ2SQ4SQ1SQ3KM2SQ1SQ2SQ3SQ4SQ2常闭触点断开,KM1线圈失电,KM1触点复位,电动机停转,工作台停止。FU1FU2QSSB1KM2M3~L1L2L3KM1KM2KHSB2SB3KM1KM1KHUVWKM2KM1SQ2SQ4SQ1SQ3KM2SQ1SQ2SQ3SQ4同时SQ2常开触点闭合,KM2线圈得电。FU1FU2QSSB1KM2M3~L1L2L3KM1KM2KHSB2SB3KM1KM1KHUVWKM2KM1SQ2SQ4SQ1SQ3KM2SQ1SQ2SQ3SQ4KM2主触点闭合,KM2常闭辅助触点断开(互锁),KM2常开辅助触点闭合(自锁),电动机反转,拖动工作台左移。FU1FU2QSSB1KM2M3~L1L2L3KM1KM2KHSB2SB3KM1KM1KHUVWKM2KM1SQ2SQ4SQ1SQ3KM2SQ1SQ2SQ3SQ4SQ2复原,工作台继续向左移动。至左边终点位置时,挡铁碰SQ1FU1FU2QSSB1KM2M3~L1L2L3KM1KM2KHSB2SB3KM1KM1KHUVWKM2KM1SQ2SQ4SQ1SQ3KM2SQ1SQ2SQ3SQ4SQ1常闭触点断开,KM2线圈失电,KM2触点复位,电动机停转,工作台停止。FU1FU2QSSB1KM2M3~L1L2L3KM1KM2KHSB2SB3KM1KM1KHUVWKM2KM1SQ2SQ4SQ1SQ3KM2SQ1SQ2SQ3SQ4SQ1动合触点闭合,KM1线圈再次得电,重复工作台右移的过程(SQ1复原)。FU1FU2QSSB1KM2M3~L1L2L3KM1KM2KHSB2SB3KM1KM1KHUVWKM2KM1SQ2SQ4SQ1SQ3KM2SQ1SQ2SQ3SQ4按下SB1,各开关复位电动机停转。FU1FU2QSSB1KM2M3~SQ3和SQ4的作用?思考小结:自动往返控制电路的实质:行程开关控制的电动机接触器联锁正反转控制。自动往返控制工作任务总结评价课题引入巩固复习•巩固与提高1.行程开关是一种将()转换为电信号的自动控制电器。(A)机械信号(B)弱电信号(C)信号(D)热能信号2.完成工作台自动往返行程控制要求的主要电气元件是()(A)行程开关(B)接触器(C)按钮(D)组合开关3.自动往返控制线路属于()线路。(A)点动控制(B)正反转控制(C)自锁控制(D)顺序控制4.实现工作台自动往返行程控制要求的主要电气元件是行程开关。()5.行程开关是一种将机械信号转换为电信号,以控制运动部件的位置和行程的自动电器。()作业:简述自动往返控制电路的工作过程。AAB√自动往返控制作业:√

1、当您付费下载文档后,您只拥有了使用权限,并不意味着购买了版权,文档只能用于自身使用,不得用于其他商业用途(如 [转卖]进行直接盈利或[编辑后售卖]进行间接盈利)。
2、本站所有内容均由合作方或网友上传,本站不对文档的完整性、权威性及其观点立场正确性做任何保证或承诺!文档内容仅供研究参考,付费前请自行鉴别。
3、如文档内容存在违规,或者侵犯商业秘密、侵犯著作权等,请点击“违规举报”。

碎片内容

电动机行程位置控制

读万卷书+ 关注
实名认证
内容提供者

各类经典PPT文档分享

相关文档

确认删除?
VIP
微信客服
  • 扫码咨询
会员Q群
  • 会员专属群点击这里加入QQ群
客服邮箱
回到顶部