电脑桌面
添加小米粒文库到电脑桌面
安装后可以在桌面快捷访问

施工道路验收记录表VIP免费

施工道路验收记录表_第1页
1/15
施工道路验收记录表_第2页
2/15
施工道路验收记录表_第3页
3/15
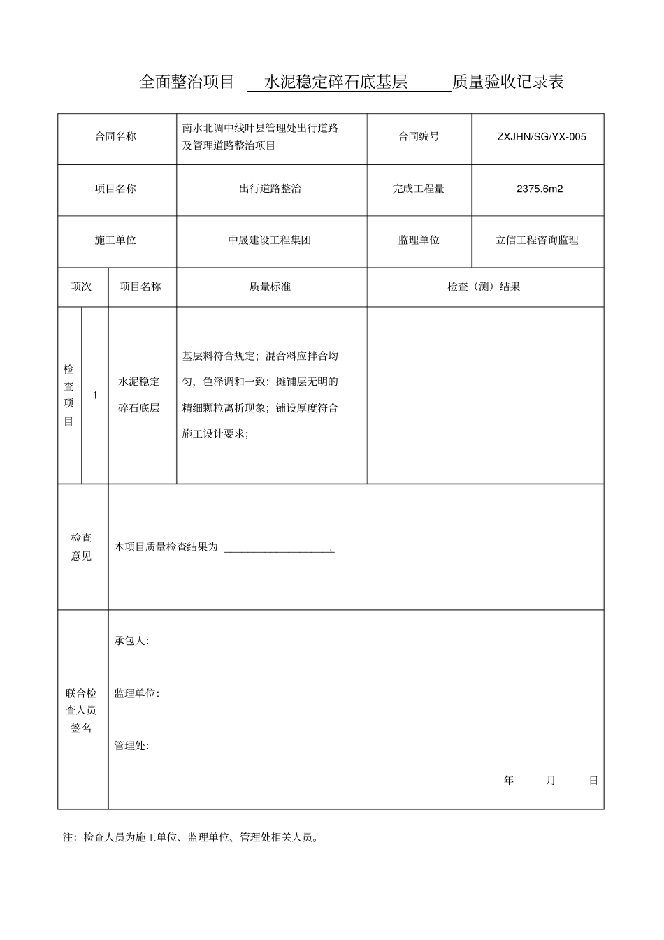
全面整治项目水泥稳定碎石底基层质量验收记录表注:检查人员为施工单位、监理单位、管理处相关人员。合同名称南水北调中线叶县管理处出行道路及管理道路整治项目合同编号ZXJHN/SG/YX-005 项目名称出行道路整治完成工程量2375.6m2 施工单位中晟建设工程集团监理单位立信工程咨询监理项次项目名称质量标准检查(测)结果检查项目1 水泥稳定碎石底层基层料符合规定;混合料应拌合均匀,色泽调和一致;摊铺层无明的精细颗粒离析现象;铺设厚度符合施工设计要求;检查意见本项目质量检查结果为 ___________________。联合检查人员签名承包人:监理单位:管理处:年月日全面整治项目水泥稳定碎石基层质量验收记录表注:检查人员为施工单位、监理单位、管理处相关人员。合同名称南水北调中线叶县管理处出行道路及管理道路整治项目合同编号ZXJHN/SG/YX-005 项目名称出行道路整治完成工程量2375.6m2 施工单位中晟建设工程集团监理单位立信工程咨询监理项次项目名称质量标准检查(测)结果2 水泥稳定碎石基层基层料符合规定;混合料应拌合均匀,色泽调和一致;摊铺层无明的精细颗粒离析现象;铺设厚度符合施工设计要求;检查意见本项目质量检查结果为 ___________________。联合检查人员签名承包人:监理单位:管理处:年月日全面整治项目沥青路面质量验收记录表注:检查人员为施工单位、监理单位、管理处相关人员。合同名称南水北调中线叶县管理处出行道路及管理道路整治项目合同编号ZXJHN/SG/YX-005 项目名称出行道路整治完成工程量2375.6m2 施工单位中晟建设工程集团监理单位立信工程咨询监理项次项目名称质量标准检查(测)结果检查项目3 沥青路面沥青、骨料、填料、掺料符合设计要求;配合比、铺筑工艺符合设计要求和施工规规定;平整度、厚度符合设计要求;检查意见本项目质量检查结果为 ___________________。联合检查人员签名承包人:监理单位:管理处:年月日全面整治项目道路标线质量验收记录表注:检查人员为施工单位、监理单位、管理处相关人员。合同名称南水北调中线叶县管理处出行道路及管理道路整治项目合同编号ZXJHN/SG/YX-005 项目名称出行道路整治完成工程量830.3m 施工单位中晟建设工程集团监理单位立信工程咨询监理项次项目名称质量标准检查(测)结果检查项目4 道路标线路标线涂料应符合《路面标线》( JT/T280 )的规定;路面标线的颜色、开关和设置位置应符合设计要求。检查意见本项目质量检查结果为 _____________...

1、当您付费下载文档后,您只拥有了使用权限,并不意味着购买了版权,文档只能用于自身使用,不得用于其他商业用途(如 [转卖]进行直接盈利或[编辑后售卖]进行间接盈利)。
2、本站所有内容均由合作方或网友上传,本站不对文档的完整性、权威性及其观点立场正确性做任何保证或承诺!文档内容仅供研究参考,付费前请自行鉴别。
3、如文档内容存在违规,或者侵犯商业秘密、侵犯著作权等,请点击“违规举报”。

碎片内容

施工道路验收记录表

确认删除?
VIP
微信客服
  • 扫码咨询
会员Q群
  • 会员专属群点击这里加入QQ群
客服邮箱
回到顶部