电脑桌面
添加小米粒文库到电脑桌面
安装后可以在桌面快捷访问

热水水箱计算VIP免费

热水水箱计算_第1页
1/6
热水水箱计算_第2页
2/6
热水水箱计算_第3页
3/6
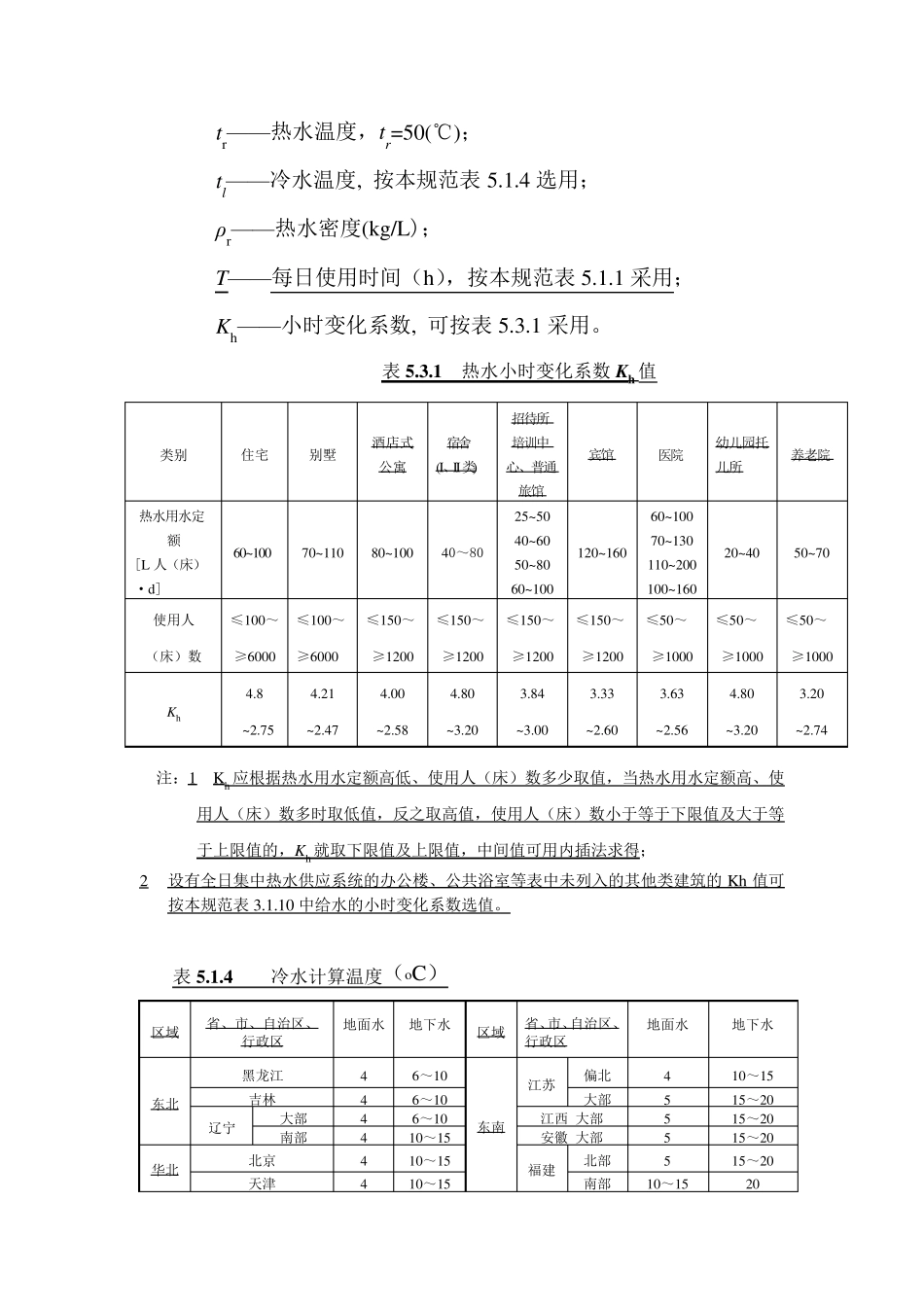
热水计算 表5 .1 .1 -1 热水用水定额 序号 建筑物名称 单位 最高日用水定额(L) 使用时间 (h) 1 住宅 有自备热水供应和沐浴设备 有集中热水供应和沐浴设备 每人每日 每人每日 40~80 60~100 24 24 2 别墅 每人每日 70~110 24 3 酒店式公寓 每人每日 80~100 24 4 宿舍 I 类、II 类 III 类、IV 类 每人每日 每人每日 70~100 40~80 24 5 招待所、培训中心、普通旅馆 设公用盥洗室 设公用盥洗室、淋浴室、 设公用盥洗室、淋浴室、洗衣室 设单独卫生间、公用洗衣室 每人每日 每人每日 每人每日 每人每日 25~40 40~60 50~80 60~100 24 或定时供应 6 宾馆 客房 旅客 员工 每床位每日 每人每日 120~160 40~50 24 7 医院住院部 设公用盥洗室 设公用盥洗室、淋浴室 设单独卫生间 医务人员 门诊部、诊疗所 每床位每日 每床位每日 每床位每日 每人每班 每病人每次 60~100 70~130 110~200 70~130 7~13 24 8 疗养院、休养所住房部 每床位每日 100~160 24 8 养老院 每床位每日 50~70 24 9 幼儿园、托儿所 有住宿 无住宿 每儿童每日 每儿童每日 20~40 10~15 24 10 10 公共浴室 淋 浴 淋 浴 、 浴 盆 桑 拿 浴 (淋 浴 、 按 摩 池 ) 每 顾 客 每 次 每 顾 客 每 次 每 顾 客 每 次 40~ 60 60~ 80 70~ 100 12 11 理 发 室 、 美 容 院 每 顾 客 每 次 10~ 15 12 12 洗 衣 房 每 公 斤 干 衣 15~ 30 8 13 餐 饮 厅 营 业 餐 厅 快 餐 店 、 职 工 及 学 生 食 堂 酒 吧 、 咖 啡 厅 、 茶 座 、 卡 拉 OK 房 每 顾 客 每 次 每 顾 客 每 次 每 顾 客 每 次 15~ 20 7~ 10 3~ 8 10~ 12 12~ 16 8~ 18 14 办 公 楼 每 人 每 班 5~ 10 8 15 健 身 中 心 每 人 每 次 15~ 25 12 16 体 育 场 (馆 ) 运 动 员 淋 浴 每 人 每 次 17~ 26 4 17 会 议 厅 每 座 位 每 次 2~ 3 4 注 : 热 水 温 度 按 50℃ 计 ; 设 计 小 时 耗 热 量 计 算 : 芬 尼 克 兹 有 限 公 司 全 日 供 应 热 水 的 宿 舍 ( I、 II 类 )、 住 宅 、 别 墅 、酒 店 式 公 寓 、 招 待 所 、 培...

1、当您付费下载文档后,您只拥有了使用权限,并不意味着购买了版权,文档只能用于自身使用,不得用于其他商业用途(如 [转卖]进行直接盈利或[编辑后售卖]进行间接盈利)。
2、本站所有内容均由合作方或网友上传,本站不对文档的完整性、权威性及其观点立场正确性做任何保证或承诺!文档内容仅供研究参考,付费前请自行鉴别。
3、如文档内容存在违规,或者侵犯商业秘密、侵犯著作权等,请点击“违规举报”。

碎片内容

热水水箱计算

小辰2+ 关注
实名认证
内容提供者

出售各种资料和文档

相关文档

确认删除?
VIP
微信客服
  • 扫码咨询
会员Q群
  • 会员专属群点击这里加入QQ群
客服邮箱
回到顶部