电脑桌面
添加小米粒文库到电脑桌面
安装后可以在桌面快捷访问

糖果制品生产许可证审查细则(2006)VIP免费

糖果制品生产许可证审查细则(2006)_第1页
1/8
糖果制品生产许可证审查细则(2006)_第2页
2/8
糖果制品生产许可证审查细则(2006)_第3页
3/8
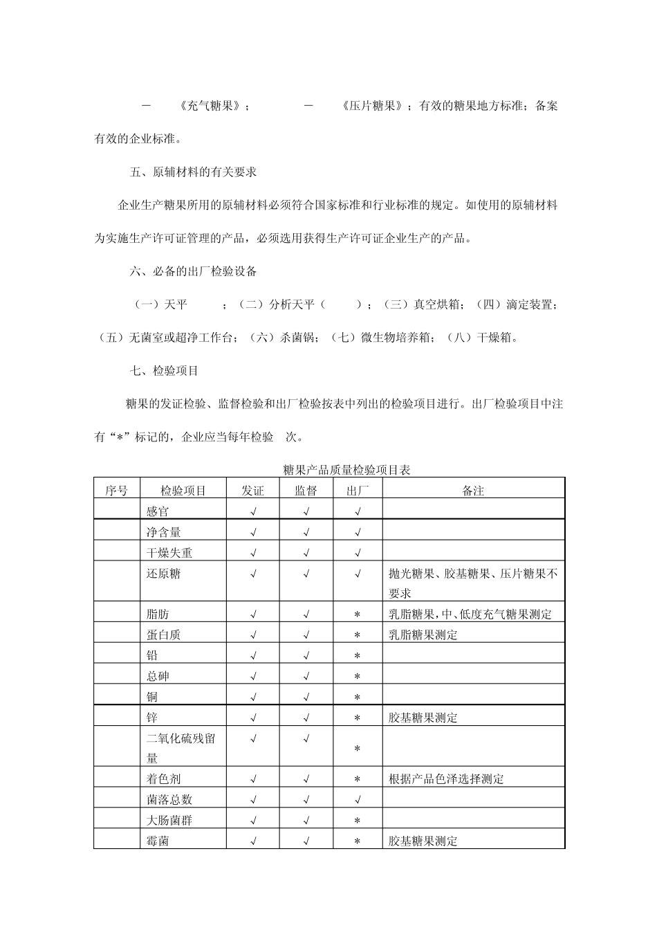
糖果制品生产许可证审查细则 实施食品生产许可证管理的糖果制品是指以白砂糖(或其他食糖)、淀粉糖浆、乳制品、可可液块、可可粉、可可脂、类可可脂、代可可脂、食品添加剂等为原料,按照一定工艺加工而成的各种糖果、巧克力及巧克力制品。 实施食品生产许可证管理的糖果制品分为2个申证单元,即糖果、巧克力及巧克力制品。 在生产许可证上应当注明糖果制品及具体申证单元名称。生产许可证有效期为3年,其产品类别编号为:1301。 糖果生产许可证审查细则 一、发证产品范围 实施食品生产许可证管理的糖果包括以白砂糖(或其他食糖)、淀粉糖浆或甜味剂为主要原料制成的固态或半固态甜味食品。 二、基本生产流程及关键控制环节 (一)基本生产流程。 1. 硬糖、乳脂糖果等:砂糖、淀粉糖浆→溶糖→过滤→油脂混合(乳脂糖果)→熬煮→充气(充气糖果)→冷却→调和→成型→冷却→挑选→包装 2.凝胶糖果:砂糖、淀粉糖浆→溶糖→过滤→凝胶剂熬煮→浇模→干燥→(筛分→清粉→拌砂→)包装 3.胶基糖果:胶基预热→搅拌(加入各种原料和添加剂)→出料→成型→包装 4.压片糖果:原料混合→压片成型→包装 (二)关键控制环节。 1. 还原糖控制。 2. 焦香糖果焦香化处理控制。 3. 充气糖果充气程度的控制。 4. 凝胶糖果凝胶剂的使用技术。 5. 成品包装控制。 (三)容易出现的质量安全问题。 1.返砂或发烊。 2.水分或还原糖含量不合格。 3.乳脂糖产品蛋白质、脂肪不合格。 4.含乳糖果和充气糖果,由于加入了奶制品,容易造成微生物指标超标。 三、必备的生产资源 (一)生产场所。 糖果生产企业除必须具备必备的生产环境外,还应当有与企业生产相适应的原辅料库、生产车间、成品库和检验室。 (二)必备的生产设备。 1.胶基糖果:(1)预热搅拌设备;(2)成型设备;(3)包装设备。 2.压片糖果:(3)混合搅拌设备;(2)压片成型设备;(3)包装设备。 3.其他糖果(除胶基糖果和压片糖果以外): (1)化糖设备;(2)熬煮设备;(3)冷却设备;(4)充气设备(充气糖果必备);(5)成型设备;(6)包装设备(异型产品除外)。 四、产品相关标准 GB 9678.1-2003《糖果卫生标准》;GB 17399-2003《胶基糖卫生标准》;SB 10018-2001《硬质糖果》;SB 10019-2001《硬质夹心糖果》;SB 10020-2001《乳脂糖果》;SB 10021-2001《凝胶糖果》;SB 10022-2001《抛光糖果》;SB 10023-2001《胶...

1、当您付费下载文档后,您只拥有了使用权限,并不意味着购买了版权,文档只能用于自身使用,不得用于其他商业用途(如 [转卖]进行直接盈利或[编辑后售卖]进行间接盈利)。
2、本站所有内容均由合作方或网友上传,本站不对文档的完整性、权威性及其观点立场正确性做任何保证或承诺!文档内容仅供研究参考,付费前请自行鉴别。
3、如文档内容存在违规,或者侵犯商业秘密、侵犯著作权等,请点击“违规举报”。

碎片内容

糖果制品生产许可证审查细则(2006)

您可能关注的文档

确认删除?
VIP
微信客服
  • 扫码咨询
会员Q群
  • 会员专属群点击这里加入QQ群
客服邮箱
回到顶部