电脑桌面
添加小米粒文库到电脑桌面
安装后可以在桌面快捷访问

系统工程课后题答案VIP免费

系统工程课后题答案_第1页
1/8
系统工程课后题答案_第2页
2/8
系统工程课后题答案_第3页
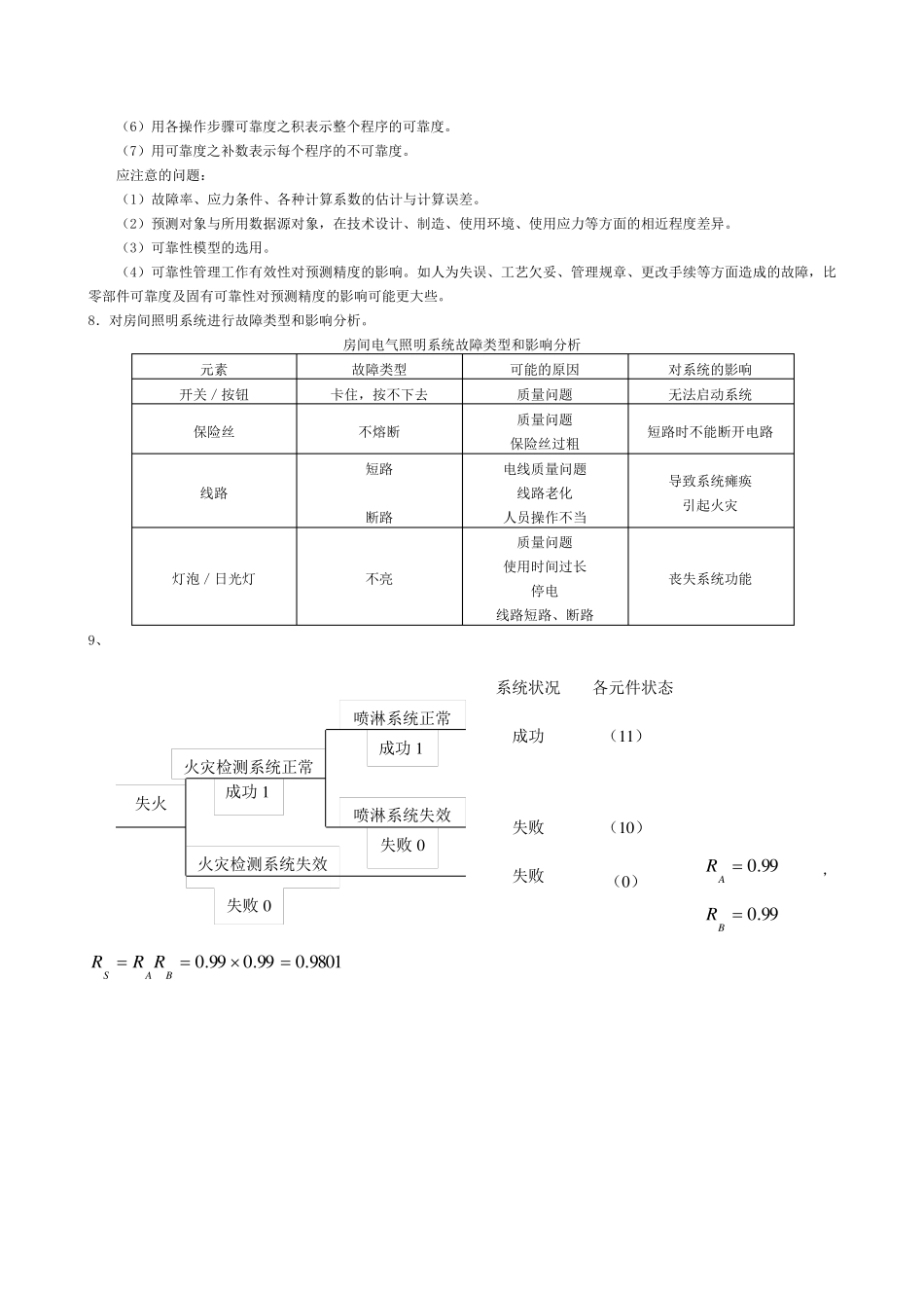
3/8
第一章部分习题答案 1.名词解释 风险——是用危险概率及危险严重度表示的可能损失;是对认识主体可能发生灾害的后果的定量描述,是一定时期产生灾害事件的概率与有害事件危及势的乘积。(危及势是系统功能残缺或丧失后造成的损害的总和。) 风险度——是衡量危险性的指标,也叫风险率。 系统——系统就是由相互作用和相互依赖得若干组成部分结合成得具有特定功能的有机整体。 系统工程——系统工程是组织管理系统的规划、设计、制造、试验和使用的科学方法,是一种对所有系统都具有普遍意义的科学方法。 可靠性——是指系统在规定的条件下和规定的时间内完成规定功能的能力。 可靠度——是衡量系统可靠性的标准,它是指系统在规定的时间内完成规定功能的概率。 安全——是指在系统使用的周期内,应用科学管理和安全系统工程原理,鉴别危险性并使风险减少到最小限度,从而使系统在操作效率、耗费时间和投资范围内,达到最佳安全的状态;是一个 相对的状态概念 ,是认识主体在某 一限度内受 到损伤 和威 胁 的状态。 安全系统——在一个 工程系统运 行 、维 修 以 致 废 弃 时都需 要 有各 种手 段 (包 括 设施 和措 施 )保 证 系统的上 述工作得以 安全进 行 ,这 些 设施 和措 施 的总和便 构 成系统中 的安全分系统,也可简 称 安全系统。 第二 章 部分习题答案 1.系统安全分析 的含 义、目 的和任 务 是什 么 ? 系统安全分析 含 义: 是从安全角 度对系统中 的危险因 素 进 行 分析 系统安全分析 目 的: 是为 了 保 证 系统安全运 行 ,查 明 系统中 的危险因 素 ,以 便 采 取 相应措 施 消 除 系统故 障 或事故 。 系统安全分析 内容 : (1)对可能出 现 的初 始 的、诱 发的及直 接 引 起 事故 的各 种危险因 素 及其 相互关 系进 行 调 查 和分析 。 (2)对与系统有关 的环 境 条件、设备 、人 员 及其 他 有关 因 素 进 行 调 查 和分析 。 (3)对能够 利 用适 当 的设备 、规程、工艺 或材 料 控 制或根 除 某 种特殊 危险因 素 的措 施 进 行 分析 。 (4)对可能出 现 的危险因 素 的控 制措 施 及实 施 这 些 措 施 的最好 方法进 行 调 查 和分析 。 (5)对不 能根 除 的危险因 素 失去 或减少控 制可能出 现 的后果进 行 调 查...

1、当您付费下载文档后,您只拥有了使用权限,并不意味着购买了版权,文档只能用于自身使用,不得用于其他商业用途(如 [转卖]进行直接盈利或[编辑后售卖]进行间接盈利)。
2、本站所有内容均由合作方或网友上传,本站不对文档的完整性、权威性及其观点立场正确性做任何保证或承诺!文档内容仅供研究参考,付费前请自行鉴别。
3、如文档内容存在违规,或者侵犯商业秘密、侵犯著作权等,请点击“违规举报”。

碎片内容

系统工程课后题答案

您可能关注的文档

确认删除?
VIP
微信客服
  • 扫码咨询
会员Q群
  • 会员专属群点击这里加入QQ群
客服邮箱
回到顶部