电脑桌面
添加小米粒文库到电脑桌面
安装后可以在桌面快捷访问

细石砼地面工程施工方案1VIP专享VIP免费

细石砼地面工程施工方案1_第1页
1/11
细石砼地面工程施工方案1_第2页
2/11
细石砼地面工程施工方案1_第3页
3/11
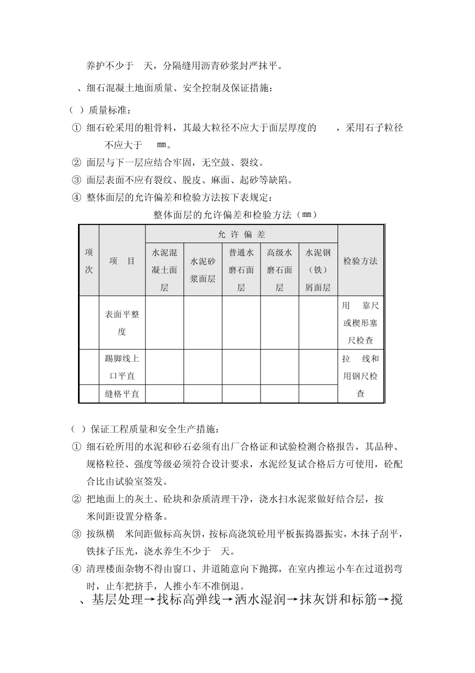
细石砼地面工程施工方案: 本工程为大型材料堆放场地,堆放材料须使用大型机械设备,故砼强度按C20设计,厚度不小于150mm,垫层强度C15厚度不小于200mm。 一、施工准备: 1、材料要求: 水泥:不低于32.5普通硅酸盐水泥或矿渣硅酸盐水泥。 砂:中砂或粗砂含泥量不大于3%。 石子:采用坚硬耐磨级配良好的碎石或卵石,粒径5-15毫米,含泥量不大于2%。 上述材料均应经复试合格方可使用。 2、主要机具:砼搅拌机、磅秤、双轮手推车、尖锹、平锹、插入式振捣器、靠尺、木抹子、长抹子、胶皮水管等。 3、作业条件: (1)预埋地面上的各种管线、电盒、地漏安装完毕。 (2)按+500毫米水平线,确定地面标高,按照纵横 2米间距做好标高控制点。 (4)先将基层上的灰尘扫掉,用钢丝刷和錾子刷净剔掉灰浆渣层。 二、垫层施工 2、将基层表面的泥土,灰渣,水泥浆清理干净,根据+500水平线确定地面厚度,灰饼,并把面层标高线弹放在四周墙上。 3、按纵横 4~6米间距安装木板隔条,板条厚20毫米,高度同面层厚,两侧用1:2水泥砂浆间隔固定,浇筑砼前,分包浇水润湿,撒干水泥面均匀扫浆,做好结合层。 4、从房间短一侧开始按顺序逐包浇筑细石砼,随铺设随用木杠找平,用平板振捣器振实,用30Kg重的铁滚子纵横交错来回滚压 2-3遍,至使表面通浆,用木抹子搓平,铁抹子压光,终凝前再用铁抹子二次压光。 5、终凝后,取出分隔木条,随用角抹子修边抹压平整,使缝宽均匀一致,浇水养护不少于 7天,分隔缝用沥青砂浆封严抹平。 6、细石混凝土地面质量、安全控制及保证措施: (1)质量标准: ① 细石砼采用的粗骨料,其最大粒径不应大于面层厚度的 2/3,采用石子粒径不应大于 15㎜。 ② 面层与下一层应结合牢固,无空鼓、裂纹。 ③ 面层表面不应有裂纹、脱皮、麻面、起砂等缺陷。 ④ 整体面层的允许偏差和检验方法按下表规定: 整体面层的允许偏差和检验方法(㎜) 项 次 项 目 允 许 偏 差 检验方法 水泥混凝土面层 水泥砂浆面层 普通水磨石面层 高级水磨石面层 水泥钢(铁)屑面层 1 表面平整度 5 4 3 2 4 用 2m靠尺或楔形塞尺检查 2 踢脚线上 口平直 4 4 3 3 4 拉 5m线和用钢尺检查 3 缝格平直 3 3 3 2 3 (2)保证工程质量和安全生产措施: ① 细石砼所用的水泥和砂石必须有出厂合格证和试验检测合格报告,其品种、规格粒径、强度等级必须符合设计要求,水泥经复试合格后方可使用...

1、当您付费下载文档后,您只拥有了使用权限,并不意味着购买了版权,文档只能用于自身使用,不得用于其他商业用途(如 [转卖]进行直接盈利或[编辑后售卖]进行间接盈利)。
2、本站所有内容均由合作方或网友上传,本站不对文档的完整性、权威性及其观点立场正确性做任何保证或承诺!文档内容仅供研究参考,付费前请自行鉴别。
3、如文档内容存在违规,或者侵犯商业秘密、侵犯著作权等,请点击“违规举报”。

碎片内容

细石砼地面工程施工方案1

确认删除?
VIP
微信客服
  • 扫码咨询
会员Q群
  • 会员专属群点击这里加入QQ群
客服邮箱
回到顶部