电脑桌面
添加小米粒文库到电脑桌面
安装后可以在桌面快捷访问

结构设计初学者常见问题讲座铰接、固结VIP免费

结构设计初学者常见问题讲座铰接、固结_第1页
1/40
结构设计初学者常见问题讲座铰接、固结_第2页
2/40
结构设计初学者常见问题讲座铰接、固结_第3页
3/40
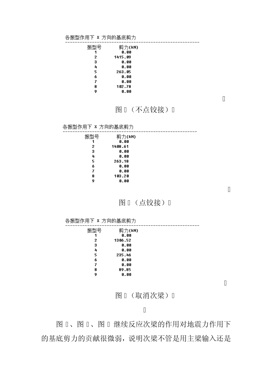
初学者在结构设计中的常见问题 一、 关于 SATWE梁端铰接 1、 次梁与主梁的铰接 (1)、做个实验,次梁都按主梁输入,一个次梁点铰,一个次梁不点铰,一个取消次梁。 图一(不点铰接) 图 2(点铰接) 图 3(取消次梁) 图 1、图 2说明按主梁输入的次梁在点铰后,会影响侧向刚度计算,但很微弱。 图3 说 明 , 次 梁 对 整 体 侧 向 刚 度 的 贡 献 :14938/14590=1.0239。仅仅 2.39%,不会超过 5%。 图 4(不点铰接) 图 5(点铰接) 图 4、图 5的周期继续说明次梁的刚度共享微弱,点铰不点铰对整体结构的计算都并没有影响 图 6(不点铰接) 图 7(点铰接) 图 8(取消次梁) 图 6、图 7、图 9继续反应次梁的作用对地震力作用下的基底剪力的贡献很微弱,说明次梁不管是用主梁输入还是用次梁来输入,对整体结构的影响微弱。基底剪力反应结构的刚度 图 9(不点铰接) 图 10(点铰接) 结论 1:次梁点铰,不影响整体结构 结论 2:次梁对整体结构刚度贡献很微弱 结论 3:SATWE对次梁点铰后,并不是忽略了次梁的刚度共享。 (以上说明次梁,可以点铰,对整体影响不大,但注意也不能乱点,以致结构形成机构) (2)、次梁点铰的实质 首先要认清我们为什么要铰接处理? 不要认为是铰接,其实质是在受力过程中控制约束条件,释放弯矩。 图 11(不点铰) 图 12(端部点铰) 图 11、图 12说明释放掉次梁端部的弯矩,转移到次梁底部弯矩。(次梁端弯矩也是按刚度分配,应根据实际情况,考虑是否点铰释放弯矩) 那么很多朋友就会问了,这不是与实际真实受力情况不同了吗? 在实际工程中,混凝土都是整体现浇的,也就是说,所有的连接都是刚性连接。 但在结构中,所有构件的受力都是按刚度分配,次梁梁端点铰后,仍然有刚度存在,也就会分配到力。那次梁点铰还有意义吗?看下图解释: 图 13 图 14 图 13、图 14说明,边框架梁除了剪力突变,还产生了T=19的扭矩。 剪力突变无法避免,但扭矩可以释放掉,从而使得框架梁的受力变得稍微简单明确一点。 结论 4:控制支座的约束条件,释放掉不利弯矩。 结论 5:不要老想成铰接与实际不符,我们应承认,它最初的连接仍然是刚接,我们仅仅是释放掉支座的弯矩约束。 结论 6:释放弯矩的实现,是通过降低其抵抗弯矩能力的约束——配筋。 但其自身的截面的截面抵抗矩仍会影响弯矩的释放,因此,不能认为点铰处理后,就不对此类...

1、当您付费下载文档后,您只拥有了使用权限,并不意味着购买了版权,文档只能用于自身使用,不得用于其他商业用途(如 [转卖]进行直接盈利或[编辑后售卖]进行间接盈利)。
2、本站所有内容均由合作方或网友上传,本站不对文档的完整性、权威性及其观点立场正确性做任何保证或承诺!文档内容仅供研究参考,付费前请自行鉴别。
3、如文档内容存在违规,或者侵犯商业秘密、侵犯著作权等,请点击“违规举报”。

碎片内容

结构设计初学者常见问题讲座铰接、固结

确认删除?
VIP
微信客服
  • 扫码咨询
会员Q群
  • 会员专属群点击这里加入QQ群
客服邮箱
回到顶部