电脑桌面
添加小米粒文库到电脑桌面
安装后可以在桌面快捷访问

给水管道施工方案VIP免费

给水管道施工方案_第1页
1/20
给水管道施工方案_第2页
2/20
给水管道施工方案_第3页
3/20
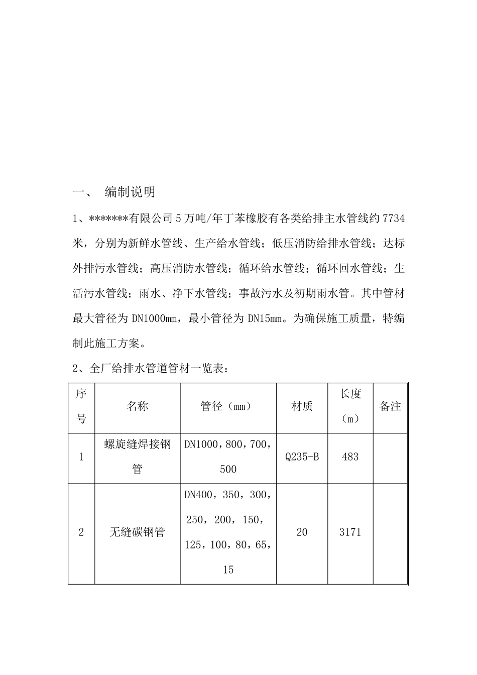
给 排 水 管 道 施 工 方 案 施工单位: 审批: 审核: 编制: 目 录 一、 编制说明 二、 编制依据 三、 施工程序 四、 施工准备 五、 施工技术及质量要求 六、 安全技术措施 七、 劳动力配置计划 八、 主要工、机具计划和手段用料计划 九、 检验、测量器具配备表 一、 编制说明 1、 *******有限公司 5 万吨/年丁苯橡胶有各类给排主水管线约 7734米,分别为新鲜水管线、生产给水管线;低压消防给排水管线;达标外排污水管线;高压消防水管线;循环给水管线;循环回水管线;生活污水管线;雨水、净下水管线;事故污水及初期雨水管。其中管材最大管径为 DN1000mm,最小管径为 DN15mm。为确保施工质量,特编制此施工方案。 2、全厂给排水管道管材一览表: 序号 名称 管径(mm) 材质 长度(m) 备注 1 螺旋缝焊接钢管 DN1000,800,700,500 Q235-B 483 2 无缝碳钢管 DN400,350,300,250,200,150,125,100,80,65,15 20 3171 3 UPVC 双壁波纹管 DN300 UPVC 722 4 焊接镀锌钢管 DN80 20/镀锌 111 5 排水铸铁管 DN500,400,300 球墨铸铁 422 6 砼预应力管 DN1000,800, 600,500,400,300 砼 2067 3、 施工中要加强管理,严格控制每一道质量控制点,上一道质量控制点自检与监理共检不合格时,不允许进入下一道质量控制点的安装。 ①材料验收;②定位放线;③管道基础及筑井施工;④管道安装及组对;⑤管道焊接;⑥管道防腐;⑦管道试压;⑧管道隐蔽;⑨中间交接。 二、 编制依据 (1) 《给水排水管道工程施工及验收规范》 GB50268-97 (2) 《建筑给水排水设计规范》 GBJ16-87 (3) 《钢质管道聚乙烯胶粘带防腐层技术标准》 SY/T0414-98 (4) 《现场设备、工业管道焊接工程施工及验收规范》GB50236-98 (5) 《*******有限公司 5 万吨/年丁苯橡胶工程招标文件》 (6) 全厂给排水施工图纸(中国天辰工程有限公司) 三、施工程序 1、 地下管道施工程序 四、 施工准备 1、施工技术准备 1.1 参加由建设单位组织的四方(设计单位,建设单位,监理单位,施工单位)图纸会审,并做好记录。 1.2 编制并报审施工方案,施工前对施工人员进行详细的技术交底。 1.3 组织施工人员认真熟悉图纸,施工方案,技术资料,安全技术措施。 2、 施工现场准备 2.1 地下管的坐标、坡度是管网施工中最易出问题的地方,要求对每一条管线应画出它的走向图...

1、当您付费下载文档后,您只拥有了使用权限,并不意味着购买了版权,文档只能用于自身使用,不得用于其他商业用途(如 [转卖]进行直接盈利或[编辑后售卖]进行间接盈利)。
2、本站所有内容均由合作方或网友上传,本站不对文档的完整性、权威性及其观点立场正确性做任何保证或承诺!文档内容仅供研究参考,付费前请自行鉴别。
3、如文档内容存在违规,或者侵犯商业秘密、侵犯著作权等,请点击“违规举报”。

碎片内容

给水管道施工方案

您可能关注的文档

确认删除?
VIP
微信客服
  • 扫码咨询
会员Q群
  • 会员专属群点击这里加入QQ群
客服邮箱
回到顶部