电脑桌面
添加小米粒文库到电脑桌面
安装后可以在桌面快捷访问

电子元器件检验规范标准VIP免费

电子元器件检验规范标准_第1页
1/53
电子元器件检验规范标准_第2页
2/53
电子元器件检验规范标准_第3页
3/53
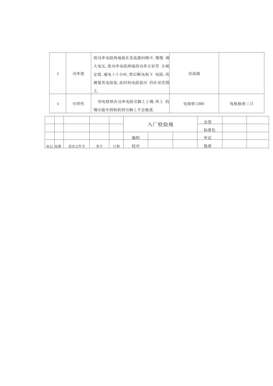
电阻类元器件入厂检验标准0ZDZ.935.03上海正泰自动化软件系统2021 年 8 月序号检验工程技术要求和检验方法检验手段、设备及工具抽样方法1外观、规格外表光亮、无秀斑、标识清楚、尺寸大小.目测 11GB2828.1-2003 正常一次抽样水平:IL= IAQL=4.02电阻值用数字式万用表测量电阻的电阻值,其值 应在规定围,假设无允许误差标志的,那么允 许误差限制在±5%围.MY-6 型数字式万用表3可焊性用电烙铁对电阻上锡,锡应能牢固地粘附 在引脚上不会脱落.电烙铁(20W)每批抽查三只表 2 功率电阻序号检验工程技术要求和检验方法检验手段、设备及工具抽样方法1外观外表光亮、无锈斑、标识清楚.目测GB2828.1-2003 正常一次抽样水平:IL= IAQL=4.02电阻值用数字式万用表测量功率电阻的电阻值, 其值应在规定围,即阻值误差不超过色环 所标示的允许误差.MY-6 型数字式万用表ZD9110正泰自动化 软件系统电阻类元器件0ZDZ.935.031代替:共 4 页第 1 页1 围本规规定了电阻类元器件的技术要求、检验方法、检验手段、设备、工具及抽样方法.本规适用于电阻类元器件的入厂检验.电阻类元器件包括:电阻、功率电阻、热敏电阻、可调电阻、压敏电阻、精密电阻、排阻、电位器.2 技术要求、检验方法、检验手段、设备、工具及抽样方法电阻类元器件的技术要求、检验方法、检验手段、设备、工具及抽样方法见表 1表〜8.表 1 电阻3功率值将功率电阻两端接在直流源回路中,慢慢 调大电压,使功率电阻两端的功率正好符 合规定值,通电 1-2 小时,然后断电取下 电阻,再测量其电阻值,此时的电阻值应 仍在误差围之.直流源4可焊性用电烙铁在功率电阻引脚上上锡,所上 的锡应能牢固粘附到引脚上不会脱落.电烙铁(20W)每批抽查三只入厂检验规会签标准化编制审定标记 处数更改文件号签字日期校对批准表 4 可调电阻序号检验工程技术要求和检验方法检验手段、设备及工具抽样方法1电阻值用万用表测量可调电阻的两只固定引脚, 所测阻值的误差应不超过±5%.MF30 型指针式万用表GB2828.1-2003 正常一次抽样水平:IL= IAQL=4.02电阻值的可调性将可调电阻的任一固定引脚和中间的引 脚接在指针式万用表两端,用螺丝刀慢慢 调节可调电阻上的螺丝,观察万用表指 针,这时万用表指针应随螺丝刀的转动而 慢慢连续摆动,不能间断.MF30 型指针式万用表3可焊性用电烙铁在可调电阻引脚上上锡,所上的 锡应能牢固粘附到引脚上不易脱落.电烙铁(20W)每批抽查三只ZD9111电阻类元器件入厂...

1、当您付费下载文档后,您只拥有了使用权限,并不意味着购买了版权,文档只能用于自身使用,不得用于其他商业用途(如 [转卖]进行直接盈利或[编辑后售卖]进行间接盈利)。
2、本站所有内容均由合作方或网友上传,本站不对文档的完整性、权威性及其观点立场正确性做任何保证或承诺!文档内容仅供研究参考,付费前请自行鉴别。
3、如文档内容存在违规,或者侵犯商业秘密、侵犯著作权等,请点击“违规举报”。

碎片内容

电子元器件检验规范标准

您可能关注的文档

确认删除?
VIP
微信客服
  • 扫码咨询
会员Q群
  • 会员专属群点击这里加入QQ群
客服邮箱
回到顶部