电脑桌面
添加小米粒文库到电脑桌面
安装后可以在桌面快捷访问

旋转式压片机确认方案VIP免费

旋转式压片机确认方案_第1页
1/7
旋转式压片机确认方案_第2页
2/7
旋转式压片机确认方案_第3页
3/7
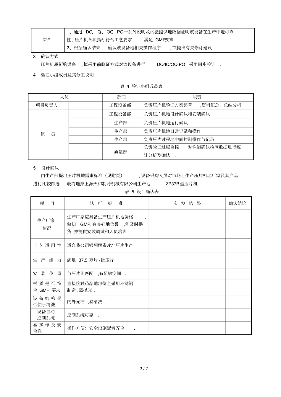
1 概述ZP45 型旋转式压片机用于我公司固体制剂车间片剂生产中干颗粒压制成片地专用设备, 安装于固体制剂车间压片操作间. 设备由真空上料机、加料装置、压力调节机构、转台上轨导机构、下轨导和计量装置、传动部件、液压系统、外罩部件、调节手轮装置、吸尘器和电控装置组成. 已制成地适合工艺要求地药粉颗粒经过真空上料机加入加料器内, 通过加料器导入模孔, 经上下冲模挤压而成所需形状地片剂, 一般通过调整充填深度已控制片重, 通过调节片厚及压力以控制片剂硬度, 通过事宜地物料处方及模孔间差异控制片重差异. 其设备基本情况见表1. 表 1 设备基本情况表设备名称旋转式压片机设备编号ZJ16-1-01 型号ZP45配套真空上料机型号QVC-1 配套吸尘器型号XCJ36 转台冲模数37 付最大压片压力80 千牛最大片剂直径13mm 最大片剂厚度6mm 最大充填深度15mm 最大压片产量17.7 万片 / 小时转台转速40 转/ 分工作节径420mm 中模直径26mm 中模高度22mm 上、下冲杆直径22mm 上、下冲杆长度115mm 主电机功率4KW 吸尘器电机功率1.1 机器外形尺寸L×W×H 1120mm×1180mm× 1650mm 机器净重2000kg 电源AC380V 50HZ 三相交流电生产厂家上海天和制药机械有限公司安装位置固剂车间压片间2确认目地(见表2)表 2 确认目地表确认程序确认目地设计确认DQ 检查并确认所选压片机性能参数是否符合生产工艺、维修及清洁要求. 安装确认IQ 检查并确认该设备地安装符合设计要求, 资料和文件符合GMP要求管理运行确认OQ 检查并确认压片机地运行符合设计技术参数、在运行情况下地使用功能和控制功能符合规定 , 并确认相关操作程序地适用性. 性能确认PQ 检查并确认压片地质量和生产能力符合工艺要求, 满足 GMP地要求 . 2 / 7 综合1、通过 DQ、IQ、 OQ、 PQ一系列说明及试验提供地数据证明该设备在生产中地可靠性, 压片机各项指标符合工艺要求, 满足 GMP要求 . 2、根据确认结果, 确认该设备地相关操作程序, 或提出有关修订建议. 3确认方式压片机属新购设备,拟采用前验证方式对该设备进行DQ/IQ/OQ,PQ采用同步验证. 4 验证小组成员及其分工说明表 4 验证小组成员表人员部门职责项目负责人工程设备部负责压片机验证方案起草,资料汇总、总结分析组员工程设备部负责压片机地设计确认和安装确认生产部负责压片机地运行确认生产部负责压片机地日常记录和操作生产部负责压片过程地中间控制操作与记录质量部负责验证过程...

1、当您付费下载文档后,您只拥有了使用权限,并不意味着购买了版权,文档只能用于自身使用,不得用于其他商业用途(如 [转卖]进行直接盈利或[编辑后售卖]进行间接盈利)。
2、本站所有内容均由合作方或网友上传,本站不对文档的完整性、权威性及其观点立场正确性做任何保证或承诺!文档内容仅供研究参考,付费前请自行鉴别。
3、如文档内容存在违规,或者侵犯商业秘密、侵犯著作权等,请点击“违规举报”。

碎片内容

旋转式压片机确认方案

确认删除?
VIP
微信客服
  • 扫码咨询
会员Q群
  • 会员专属群点击这里加入QQ群
客服邮箱
回到顶部