电脑桌面
添加小米粒文库到电脑桌面
安装后可以在桌面快捷访问

A015;施工现场生活区安全文明检查表VIP免费

A015;施工现场生活区安全文明检查表_第1页
1/2
A015;施工现场生活区安全文明检查表_第2页
2/2
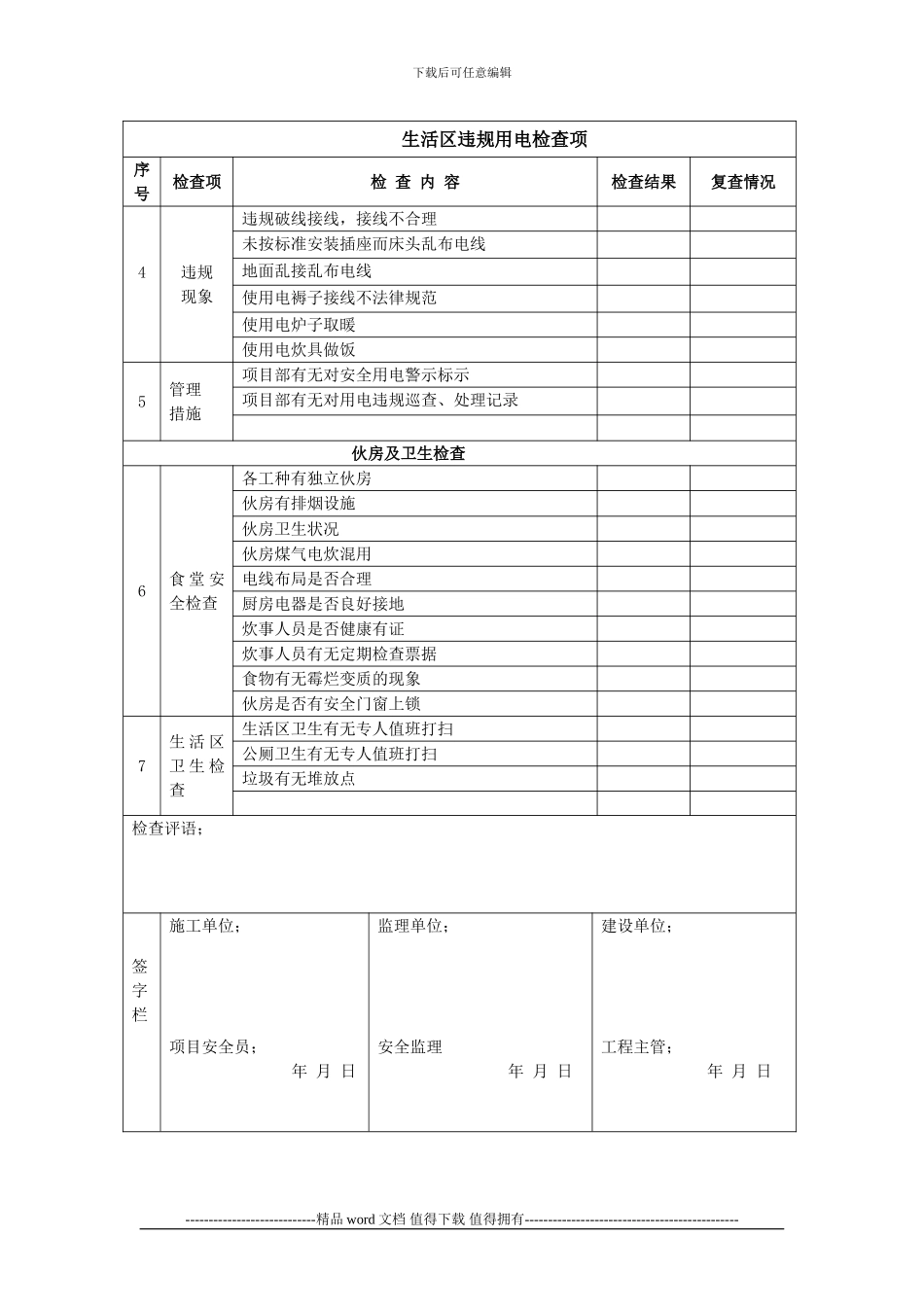
下载后可任意编辑附表十五; 施工现场生活区 安全 监理 检查表 工程名称检查时间:年 月 日施工单位安全员监理单位主管监理生活区安全管理制度序号检查项检 查 内 容检查结果复查情况1生活区管理制度专(兼)职安全员是否到岗:施工组织设计中有无针对性安全文明住宿的方案有无项目安全员对生活区安全文明检查记录。有无项目安全员对生活区用电安装检查记录有无安全用电、防火、文明用语标示牌有无专业电工周巡检维修记录 生活区安全设施检查2生活区设施检查生活区有无门卫生活区有无配备灭火题材生活区有无水冲式公厕生活区有无彩钢板活动房生活区有无共建垃圾站生活区有无专人负责垃圾清扫及卫生值班表生活区各工种有无独立的灶房生活区配电设施安全检查3用电安全检查项目有无专用配电箱有无漏电保护器、电流小于 30 毫安、动作小于0.1 秒线路敷设暗敷与彩钢板内线路加线槽明敷与彩钢板面导线截面积是否进行负荷计算留有余地照明是否与插座分开设置回路供电系统是否采纳 1:1 的隔离变压器灯具安装高度,照度是否符合要求开关、插座高度是否为 1.3 米----------------------------精品 word 文档 值得下载 值得拥有----------------------------------------------下载后可任意编辑 生活区违规用电检查项序号检查项检 查 内 容检查结果复查情况4违规现象违规破线接线,接线不合理未按标准安装插座而床头乱布电线地面乱接乱布电线使用电褥子接线不法律规范使用电炉子取暖使用电炊具做饭5管理措施项目部有无对安全用电警示标示项目部有无对用电违规巡查、处理记录 伙房及卫生检查6食 堂 安全检查各工种有独立伙房伙房有排烟设施伙房卫生状况伙房煤气电炊混用电线布局是否合理厨房电器是否良好接地炊事人员是否健康有证炊事人员有无定期检查票据食物有无霉烂变质的现象伙房是否有安全门窗上锁7生 活 区卫 生 检查生活区卫生有无专人值班打扫公厕卫生有无专人值班打扫垃圾有无堆放点检查评语;签字栏施工单位;项目安全员; 年 月 日监理单位;安全监理 年 月 日建设单位;工程主管; 年 月 日----------------------------精品 word 文档 值得下载 值得拥有----------------------------------------------

1、当您付费下载文档后,您只拥有了使用权限,并不意味着购买了版权,文档只能用于自身使用,不得用于其他商业用途(如 [转卖]进行直接盈利或[编辑后售卖]进行间接盈利)。
2、本站所有内容均由合作方或网友上传,本站不对文档的完整性、权威性及其观点立场正确性做任何保证或承诺!文档内容仅供研究参考,付费前请自行鉴别。
3、如文档内容存在违规,或者侵犯商业秘密、侵犯著作权等,请点击“违规举报”。

碎片内容

A015;施工现场生活区安全文明检查表

您可能关注的文档

确认删除?
VIP
微信客服
  • 扫码咨询
会员Q群
  • 会员专属群点击这里加入QQ群
客服邮箱
回到顶部