电脑桌面
添加小米粒文库到电脑桌面
安装后可以在桌面快捷访问

T梁预制施工技术交底VIP免费

T梁预制施工技术交底_第1页
1/11
T梁预制施工技术交底_第2页
2/11
T梁预制施工技术交底_第3页
3/11
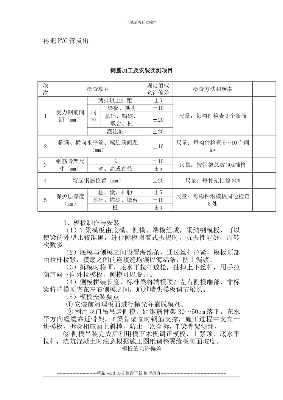
下载后可任意编辑T 梁预制施工技术交底一、施工前准备工作1、人员情况:根据施工要求,配备充足的人员。2、设备情况:吊装设备:预制厂配门吊 2 套, 40 米预制厂内大门吊每台起吊75T(梁重 140 吨),负责混凝土浇筑和移动。电力设备:预制厂单独设置 250KW 发电机。钢筋加工设备:对焊机 2 台,电焊机 4 台,切断机 2 台,弯曲机2 台;混凝土拌合、运输、振捣设备:500L 拌合机 2 台,四轮车 6 台,低频振捣器、振捣棒满足要求;张拉压浆设备:YC 千斤顶 200 吨位 8 台及配套设备,真空压浆泵4 套。二、T 梁施工工艺1、建造台座对预制场进行整平碾压,然后开挖台座基础浇筑台座混凝土,台座混凝土设置两层,第一层为 C20 素混凝土,宽度为 75cm、厚度为60cm,第二层钢筋混凝土厚度为 35cm、宽度与 T 梁设计底板同宽,台座在两端加厚、加宽,第二层顶面为 6 厚钢板。按设计 T 梁预留反预拱度(40 米反拱 2.0cm,),按二次抛物线设置,在台座上预留穿索兜底所需的活动底板。2、钢筋制作及预应力管道的安装 (1)钢筋制作 绑扎钢筋前,认真放样,安放预埋件,梁底主筋采纳对焊的方法焊接,骨架钢筋片在底模上绑扎(根据工期要求,假如台座不能满足施工要求时,在特制的钢筋台座上绑扎),安放好侧模后,绑扎顶板钢筋。 (2)安装波纹管道预应力管道纵坐标数值,图纸上是从管道中心线到底模的距离,实际施工应减去管道半径,得出管道下缘至底模面的尺寸,印发给现场技术人员进行坐标定位,用明显的标志在混凝土台座上,波纹管要固定牢固,按设计图纸要求直线段每隔 1m 设置一道定位网钢筋,曲线段每隔 0.5m 设置一道定位网钢筋。管道接口要对齐,专门的接头要牢固严密,防止灌注混凝土时脱节或进浆堵塞。管道安装完成后,允许偏差为:管道坐标顺梁长方向偏差 30mm,梁高方向 5mm(河北专家特别要求),管道间距同排 10mm,上下层 10mm。(3)防止波纹管堵塞的预防措施为有效的防止波纹管堵塞,在浇注混凝土前,在波纹管中穿一条内径略小于波纹管内径的 PVC 管,在浇注混凝土过程中或浇注后,----------------------------精品 word 文档 值得下载 值得拥有----------------------------------------------下载后可任意编辑再把 PVC 管拔出。钢筋加工及安装实测项目项次检查项目规定值或允许偏差检查方法和频率1受力钢筋间距(mm)两排以上排距±5尺量:每构件检查 2 个断面 同排梁板...

1、当您付费下载文档后,您只拥有了使用权限,并不意味着购买了版权,文档只能用于自身使用,不得用于其他商业用途(如 [转卖]进行直接盈利或[编辑后售卖]进行间接盈利)。
2、本站所有内容均由合作方或网友上传,本站不对文档的完整性、权威性及其观点立场正确性做任何保证或承诺!文档内容仅供研究参考,付费前请自行鉴别。
3、如文档内容存在违规,或者侵犯商业秘密、侵犯著作权等,请点击“违规举报”。

碎片内容

T梁预制施工技术交底

您可能关注的文档

确认删除?
VIP
微信客服
  • 扫码咨询
会员Q群
  • 会员专属群点击这里加入QQ群
客服邮箱
回到顶部