电脑桌面
添加小米粒文库到电脑桌面
安装后可以在桌面快捷访问

中学教学楼工程施工组织设计VIP免费

中学教学楼工程施工组织设计_第1页
1/15
中学教学楼工程施工组织设计_第2页
2/15
中学教学楼工程施工组织设计_第3页
3/15
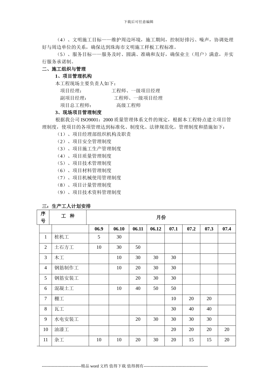
下载后可任意编辑中学教学楼工程施工组织设计第一章 工程概况一、工程概况工程名称:**中学教学楼工程;工程地址:**中学校内;建筑规模:总建筑面积 4248 平方米,一栋;建设层数:六层;结构类型:基础采纳柱下独立和联合基础,上部结构采纳钢筋混凝土现浇框架结构;建设单位:***公司 ;设计单位:***公司;监理单位:***公司。二、编制说明与编制依据1 编制依据(1)、**中学教学楼工程施工招标文件;(2)、**工程设计有限公司的**中学教学楼工程施工图纸;(3)、国家和行业颁布的有关现行施工法律规范和标准;(4)、我公司的人员安排、技术力量、机械设备配备能力;(5)、我公司以往优良工程建筑施工经验;(6)、我公司对本工程的承诺。附:选用相关法律规范、规程及标准如下:(1)、GBJ201-83 土方与爆破工程施工与验收法律规范;(2)、GBJ202-83 地基与基础施工与验收法律规范;(3)、JGJ18-96 钢筋焊接与验收规程;(4)、GB50164-92 混凝土质量控制标准;(5)、GB50204-92 混凝土结构工程施工与验收法律规范;(6)、GB50164-92 混凝土结构试验方法标准;(7)、GB50203 砌体工程施工与验收法律规范;(8)、GB50209-95 建筑地面工程施工及验收法律规范;(9)、GB50207-94 屋面工程技术规程;(10)、JGJ/121-99 工程网络技术规程;(11)、JGJ73-91 建筑装饰工程施工及验收法律规范;(12)、JGJ/T8-97 建筑变形测量规程;(13)、GBJ300-88 建筑安装工程质量检验评定统一标准;(14)、GBJ301-88 建筑工程质量检验评定标准;(15)、JGJ59-99 建筑施工安全检查平分标准;(16)、JGJ80-91 建筑施工作业安全规程;(17)、JGJ46-88 施工现场临时用电安全技术;(18)、GJ33-86 建筑机械使用安全技术法律规范;(19)、GB50259-96 电器装置工程电气照明装置施工及验收法律规范;(20)、GB50268-97 给排水管道工程施工及验收法律规范;----------------------------精品 word 文档 值得下载 值得拥有----------------------------------------------下载后可任意编辑2、编制原则(1)、结合实际,突出重点,兼顾一般,周密部署,合理安排。(2)、平行流水、均衡作业,网络控制,保证工期。(3)、规划创优,方案切实,措施到位,确保质量。(4)、推广使用新技术、新工艺、新材料。三、工程特点1、建筑概况(1)、**中学教学楼建筑面积为 4248m2。(2)、建筑高度 本教学楼建筑高度为 22.2m,...

1、当您付费下载文档后,您只拥有了使用权限,并不意味着购买了版权,文档只能用于自身使用,不得用于其他商业用途(如 [转卖]进行直接盈利或[编辑后售卖]进行间接盈利)。
2、本站所有内容均由合作方或网友上传,本站不对文档的完整性、权威性及其观点立场正确性做任何保证或承诺!文档内容仅供研究参考,付费前请自行鉴别。
3、如文档内容存在违规,或者侵犯商业秘密、侵犯著作权等,请点击“违规举报”。

碎片内容

中学教学楼工程施工组织设计

确认删除?
VIP
微信客服
  • 扫码咨询
会员Q群
  • 会员专属群点击这里加入QQ群
客服邮箱
回到顶部