电脑桌面
添加小米粒文库到电脑桌面
安装后可以在桌面快捷访问

加气块砌筑施工方案VIP免费

加气块砌筑施工方案_第1页
1/14
加气块砌筑施工方案_第2页
2/14
加气块砌筑施工方案_第3页
3/14
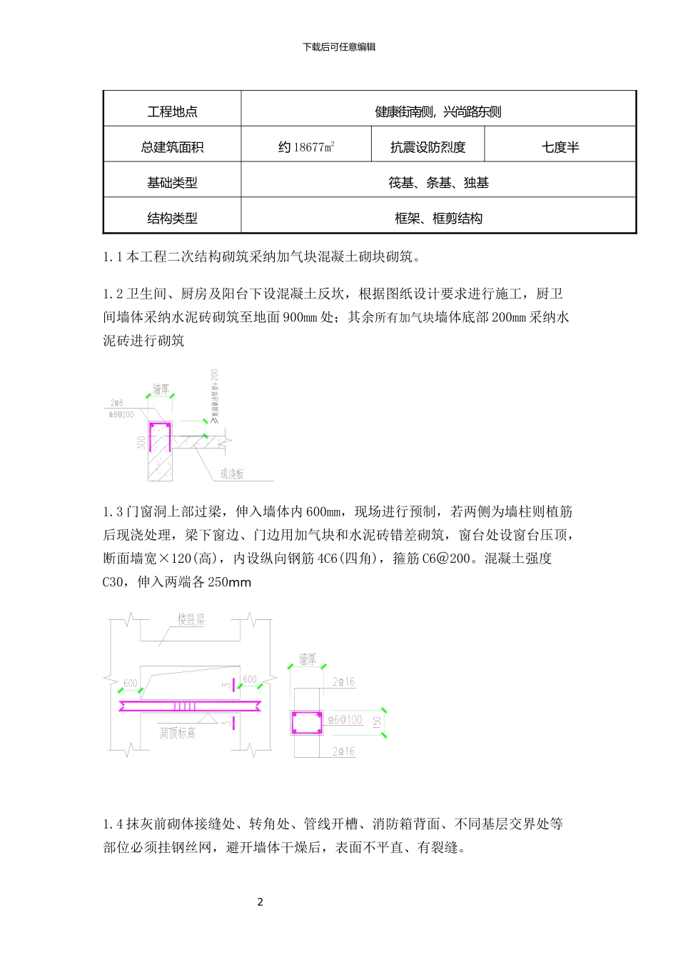
1下载后可任意编辑目录一、工程概况_______________________________________________________________2二、施工总体安排___________________________________________________________3三、主要施工方法___________________________________________________________4四、砌筑材料质量标准_______________________________________________________8五、安全防护措施___________________________________________________________9六、环境及文明施工措施___________________________________________________10一、工程概况工程名称寿光维园金海湾住宅区工程21下载后可任意编辑工程地点健康街南侧,兴尚路东侧总建筑面积约 18677m2抗震设防烈度七度半基础类型筏基、条基、独基结构类型框架、框剪结构1.1 本工程二次结构砌筑采纳加气块混凝土砌块砌筑。1.2 卫生间、厨房及阳台下设混凝土反坎,根据图纸设计要求进行施工,厨卫间墙体采纳水泥砖砌筑至地面 900mm 处;其余所有加气块墙体底部 200mm 采纳水泥砖进行砌筑1.3 门窗洞上部过梁,伸入墙体内 600mm,现场进行预制,若两侧为墙柱则植筋后现浇处理,梁下窗边、门边用加气块和水泥砖错差砌筑,窗台处设窗台压顶,断面墙宽×120(高),内设纵向钢筋 4C6(四角),箍筋 C6@200。混凝土强度C30,伸入两端各 250mm 1.4 抹灰前砌体接缝处、转角处、管线开槽、消防箱背面、不同基层交界处等部位必须挂钢丝网,避开墙体干燥后,表面不平直、有裂缝。32下载后可任意编辑1.5 小于等于 150mm 的砖垛植筋后,采纳同墙体混凝土进行浇筑二、施工总体安排2.1 施工准备2.1.1 测量准备 在底板或楼板上放出墙体边线和门窗洞口位置线,并在每层墙柱上放出建筑500mm 标高控制线。2.1.2序号工种人数备注1测量员2 人上岗证2瓦工20 人3架子工8 人上岗证4杂工10 人2.2 机具和材料进场计划序号名称数量备注1搅拌机1 台砌筑前进场2磅秤1 台砌筑前进场3手推车10 辆砌筑前进场4筛子2 个砌筑前进场43下载后可任意编辑5铁锹20 把砌筑前进场6灰桶20 个砌筑前进场7皮数杆20 个砌筑前进场8拖线板10 个砌筑前进场2.3 料场安排 砌块必须分规格码放,堆垛上设立标牌,注明砌块的规格,使用部位。堆放场地必须平整,并作好排水,堆放高度≤1.6m,堆垛之间设 1000mm 宽的通道。在砌筑前两天适量喷水湿润,至砖、砌块表面出现明水时止。2.4 审图 施工前认真查阅图纸、方案、相关安全、质量法律...

1、当您付费下载文档后,您只拥有了使用权限,并不意味着购买了版权,文档只能用于自身使用,不得用于其他商业用途(如 [转卖]进行直接盈利或[编辑后售卖]进行间接盈利)。
2、本站所有内容均由合作方或网友上传,本站不对文档的完整性、权威性及其观点立场正确性做任何保证或承诺!文档内容仅供研究参考,付费前请自行鉴别。
3、如文档内容存在违规,或者侵犯商业秘密、侵犯著作权等,请点击“违规举报”。

碎片内容

加气块砌筑施工方案

确认删除?
VIP
微信客服
  • 扫码咨询
会员Q群
  • 会员专属群点击这里加入QQ群
客服邮箱
回到顶部