电脑桌面
添加小米粒文库到电脑桌面
安装后可以在桌面快捷访问

加油站建设项目完善工程施工组织VIP免费

加油站建设项目完善工程施工组织_第1页
1/21
加油站建设项目完善工程施工组织_第2页
2/21
加油站建设项目完善工程施工组织_第3页
3/21
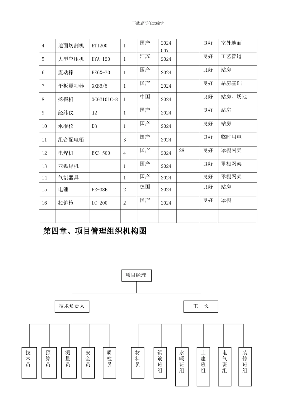
下载后可任意编辑加油站建设项目完善工程施工组织第一章、工程概况一、编制依据1、工程设计图纸2、招标文件及其它现行法律、法规3、中石化现行标准 VI 手册4、适用的法律规范规程及标准建筑工程施工质量验收统一标准(GB50300-2001)建筑地基基础施工质量验收法律规范(GB50202-2024)混凝土结构工程质量验收法律规范(GB50204-2024)砌体工程质量验收法律规范(GB50203-2024)屋面工程质量验收法律规范(GB50207-2024)建筑地面工程质量验收法律规范(GB50209-2024)建筑装饰装修工程质量验收法律规范(GB50210-2001)工程测量法律规范(GB50026-93)建筑安装分项工程施工工艺规程(DBJ 01-26-96)建筑施工安全检查标准(JGJ 59-99)建筑施工高处作业安全技术规程(JGJ 80-91)建筑机械使用安全技术规程(JGJ 133-2001)建设工程施工现场现场供电安全法律规范(GB50194-93)汽车加油加气站设计与施工法律规范(GB50516-2024)建筑设计防火法律规范(GB50016-2024)二、工程概况:本工程位于河北唐山**,属二级加油站。工程施工特点:本工程先拆除、后建设,工期紧张,设计施工的内容多,技术专业性强,需组织多种专业队伍配合施工。我公司将组织精兵强将投入到本工程中来,并确保施工队伍协调一致,服从工程总体指挥保质保量的完成工程施工任务。我们将严格根据公司的《施工安全管理制度》进行现场管理,依照国家现行法律规范严格施工。本工程的安全生产、文明施工管理目标为达到省级安全文明施工场地标准。下载后可任意编辑第二章、施工部署及总平面布置一、施工质量目标:合格工程管理目标:根据唐山市安全文明施工场地标准实施项目管理二、施工准备(一)、技术准备:①组织有关人员熟悉图纸,参加图纸会审,会审前把图纸内容吃透,会审时尽量把图纸中的所有疑问提出,及时与设计人员沟通。②根据业主提供的座标点,建立半久性轴线控制桩和标高控制点。③进行分项工程技术交底和安全交底。④由项目技术负责人编制切实可行的施工组织设计,组织施工人员进行施工组织设计新技术、新工艺技术交底。⑤组织土建及专业技术人员编制专项施工措施。(二)、施工设备准备:①根据施工组织设计中的设备一览表,根据施工的需要安排设备进场。②根据平面布置图中设计的位置设计设备基础,安装设备就位,然后进行调试。(三)、材料准备:根据施工进度计划,编制材料进场月、旬计划并安排材料进场,同时各类材料进场时间应有一定余地,避开由于原材料检验不合格而影响施工。(四...

1、当您付费下载文档后,您只拥有了使用权限,并不意味着购买了版权,文档只能用于自身使用,不得用于其他商业用途(如 [转卖]进行直接盈利或[编辑后售卖]进行间接盈利)。
2、本站所有内容均由合作方或网友上传,本站不对文档的完整性、权威性及其观点立场正确性做任何保证或承诺!文档内容仅供研究参考,付费前请自行鉴别。
3、如文档内容存在违规,或者侵犯商业秘密、侵犯著作权等,请点击“违规举报”。

碎片内容

加油站建设项目完善工程施工组织

您可能关注的文档

确认删除?
VIP
微信客服
  • 扫码咨询
会员Q群
  • 会员专属群点击这里加入QQ群
客服邮箱
回到顶部