电脑桌面
添加小米粒文库到电脑桌面
安装后可以在桌面快捷访问

化学锚栓施工工艺VIP免费

化学锚栓施工工艺_第1页
1/6
化学锚栓施工工艺_第2页
2/6
化学锚栓施工工艺_第3页
3/6
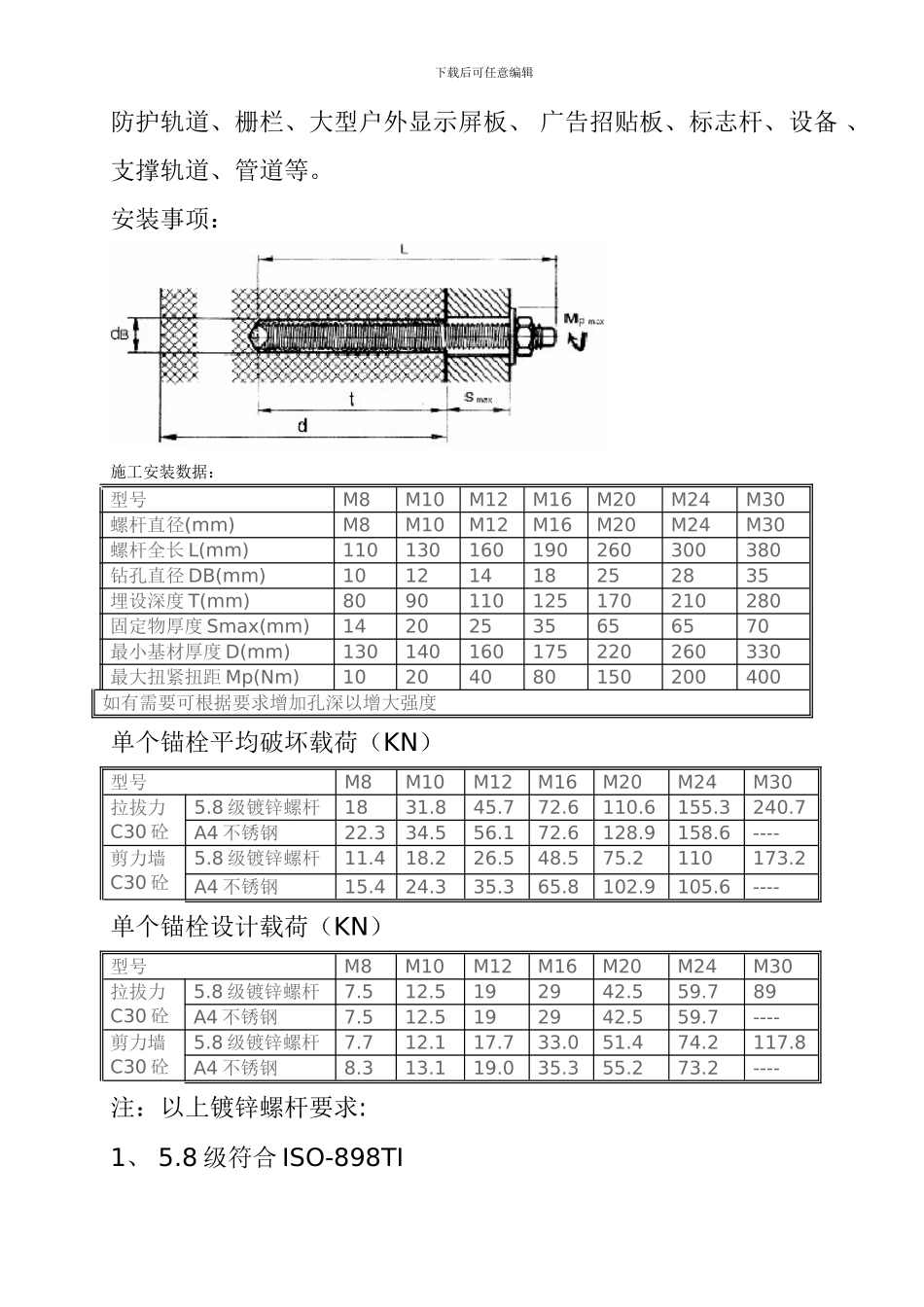
下载后可任意编辑化学锚栓 施工 工艺 化学锚栓由非苯乙烯系合成树脂, 精选石英砂,固化剂置 于玻璃 套管中构成,配以金属锚栓使用,是一种可替代欲埋件和膨胀螺丝的新型锚固材料。 产品特点: 能快速稳定的锚固;抗拉强度大、适合重负载;非膨胀性、 适合多种基材;与结构体完全粘合,抗磨动性;不会老化、风化、酸性化;可在潮湿情况下使用;安全容易施工;施工温度范围广, 从-10℃ - +40℃。与传统锚固比较:(1)与预埋件方案比较化学锚栓锚固法预埋件锚固法设计、施工灵活设计、施工复杂设计、施工过程中如有变动可随时按修改方案埋设施工中如尺寸变动、方案调整无法变更, 原有的老砼结构内无法再预埋埋设后可在适用期内调整方位埋设后不可调整方位可用于老房改造及加固无法预埋可用于岩层、矿井、堤坝加固无法预埋(2)与金属膨胀螺栓相比化学锚栓锚固法金属膨胀螺栓锚固法整体无应力锚固靠金属片局部支撑洞壁,应力集中对洞壁有加固作用、无挤压推力对洞壁有极大挤压力,基体易被破坏能长期承受振动负载不能长期承受振动负载能长期在水下工作不能长期在水下工作能绝缘锚固,锚固固化物不导电导电可靠安全可靠性差锚固力大锚固力差石材幕墙大量使用石材幕墙禁止使用应用: 将金属柱安装在混凝土基础中,将梁(钢制或木制)安装于混凝土柱或被包的嵌板上, 固定石材挂板, 幕墙,安装 下载后可任意编辑防护轨道、栅栏、大型户外显示屏板、 广告招贴板、标志杆、设备 、支撑轨道、管道等。 安装事项: 施工安装数据:型号M8M10M12M16M20M24M30螺杆直径(mm)M8M10M12M16M20M24M30螺杆全长 L(mm)110130160190260300380钻孔直径 DB(mm)10121418252835埋设深度 T(mm)8090110125170210280固定物厚度 Smax(mm)14202535656570最小基材厚度 D(mm)130140160175220260330最大扭紧扭距 Mp(Nm)10204080150200400如有需要可根据要求增加孔深以增大强度单个锚栓平均破坏载荷(KN)型号M8M10M12M16M20M24M30拉拔力C30 砼5.8 级镀锌螺杆1831.845.772.6110.6155.3240.7A4 不锈钢22.334.556.172.6128.9158.6----剪力墙C30 砼5.8 级镀锌螺杆11.418.226.548.575.2110173.2A4 不锈钢15.424.335.365.8102.9105.6----单个锚栓设计载荷(KN)型号M8M10M12M16M20M24M30拉拔力C30 砼5.8 级镀锌螺杆7.512.5192942.559.789A4 不锈钢7.512.5192942.559.7----剪力墙C30 砼5.8 级镀锌螺杆7.712.117.733.051.474.2117.8A4 不锈钢8.313.1...

1、当您付费下载文档后,您只拥有了使用权限,并不意味着购买了版权,文档只能用于自身使用,不得用于其他商业用途(如 [转卖]进行直接盈利或[编辑后售卖]进行间接盈利)。
2、本站所有内容均由合作方或网友上传,本站不对文档的完整性、权威性及其观点立场正确性做任何保证或承诺!文档内容仅供研究参考,付费前请自行鉴别。
3、如文档内容存在违规,或者侵犯商业秘密、侵犯著作权等,请点击“违规举报”。

碎片内容

化学锚栓施工工艺

您可能关注的文档

确认删除?
VIP
微信客服
  • 扫码咨询
会员Q群
  • 会员专属群点击这里加入QQ群
客服邮箱
回到顶部