电脑桌面
添加小米粒文库到电脑桌面
安装后可以在桌面快捷访问

北京SOHO临电施工组织设计VIP免费

北京SOHO临电施工组织设计_第1页
1/10
北京SOHO临电施工组织设计_第2页
2/10
北京SOHO临电施工组织设计_第3页
3/10
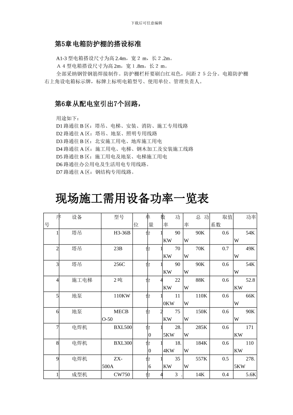
下载后可任意编辑目录第 1 卷工程概况..............................................2第 2 卷现场临时用电总体布置..................................2第 3 卷现场临电布置..........................................2第 1 章电缆的埋设........................................2第 2 章电箱设置..........................................3第 3 章电箱防护棚制作....................................3第 4 章电箱安装措施......................................3第 5 章电箱防护棚的搭设标准..............................3第 6 章从配电室引出 7 个回路,............................4第 4 卷现场施工需用设备功率一览表............................4第 5 卷现场用电设备(功率计算)..............................7第 1 章施工现场总用电量计算..............................7第 2 章回路功率导线计算..................................8第 6 卷施工技术、安全用电防火措施...........................13第 1 章施工技术要求.....................................13第 2 章安全防火措施.....................................15第 3 章安全用电措施.....................................15第 7 卷现场电工岗位责任制...................................16下载后可任意编辑工程概况北京 SOHO 现代城位于长安街以东京通高速路入口处,建筑面积 22 万平方米,最高沿口标高 128 米,是现代城园区的标志性建筑。根据施工现场临时用电安全技术法律规范 JGJ46-88 的要求,临时用电设备在 5 台及 5台以上或设备总容量在 50KW 及 50KW 以上者必须编制临时用电施工组织设计,为确保北京 SOHO 现代城工程施工的顺利进行特编制此施工组织设计。现场临时用电总体布置业主提供一台 1250KVA 电力变压器,根据施工建筑平面特点及现场情况,拟定临时用电线路为沿基坑边缘埋放电缆,从配电室引出 7 条回路,分布到指定位置,其中塔吊、地泵、办公用电为专设回路,现场周围和施工面的照明由固定在塔身的镝灯提供照明,现场室内照明必须由二级电箱内专用照明插座或开关箱提供。为保证楼层施工用电要求,主体完后,上楼电源每隔一层设临时用电箱 1 个,内设 3-5 路,详见现场临时用电布置附图。现场临电布置第1章电缆的埋设根据施工图纸及建筑平面特点和现场实际情况,临时用电线路...

1、当您付费下载文档后,您只拥有了使用权限,并不意味着购买了版权,文档只能用于自身使用,不得用于其他商业用途(如 [转卖]进行直接盈利或[编辑后售卖]进行间接盈利)。
2、本站所有内容均由合作方或网友上传,本站不对文档的完整性、权威性及其观点立场正确性做任何保证或承诺!文档内容仅供研究参考,付费前请自行鉴别。
3、如文档内容存在违规,或者侵犯商业秘密、侵犯著作权等,请点击“违规举报”。

碎片内容

北京SOHO临电施工组织设计

确认删除?
VIP
微信客服
  • 扫码咨询
会员Q群
  • 会员专属群点击这里加入QQ群
客服邮箱
回到顶部