电脑桌面
添加小米粒文库到电脑桌面
安装后可以在桌面快捷访问

北方地区混凝土施工方案VIP免费

北方地区混凝土施工方案_第1页
1/21
北方地区混凝土施工方案_第2页
2/21
北方地区混凝土施工方案_第3页
3/21
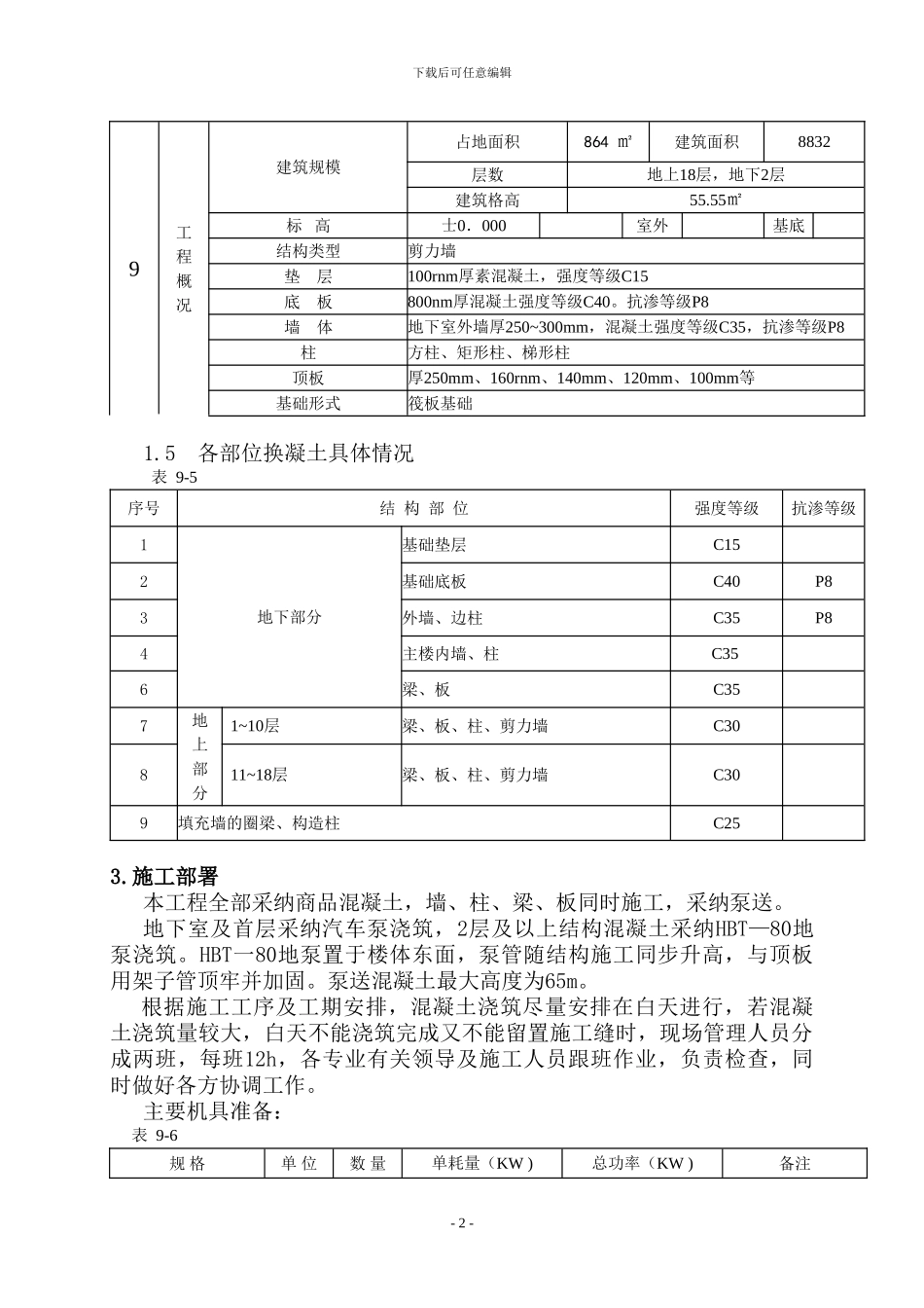
下载后可任意编辑施工现场混凝土工程施工方案1.编制依据祥云阁1#楼施工图纸,祥云阁1#楼施工组织设计大体积混凝土施工法律规范GB50496-2024高层建筑混凝土结构技术规程JGJ3-20242.概况1.1 钢筋工程概况本工程剪力墙、框架抗震等级为3级,所用钢筋直径具体见结施图。1.2 钢筋工程承包方式总包:邯郸市邯一建筑工程有限公司1.3 施工条件加工场地布置在楼北侧,见总平面布置图(图略),相关二级电箱布置到加工场,见临电布置图(图略)。总包方负责提供工人居住、生活场地。1.4 主要法律规范、规程 表9—2序号法律规范、规程名称发布日期施行日期法律规范、规程编号1混凝土结构功臣故事工质量验收法律规范2024-03-152024-04-01GB50204-20242混凝土泵送施工技术规程1995-02-271995-10-01JGJ/T10-951.5 工程概况 表9-4序号项目内 容1工程名称邯郸市祥云阁 1#楼工程2工程地址邯郸市新兴大街与果园北路交叉口东南角3建设单位邯郸市农祥房地产开发有限公司4设计单位河北省冶金建设集团勘察设计有限公司5监理单位邯郸市达川项目管理有限公司6监督单位邯郸市建设工程质量监督站7施工单位邯郸市邯一建筑工程有限公司8基本情况工期质量目标540 天结构合格 续表 序号项目 内 容- 1 -下载后可任意编辑9工程概况建筑规模占地面积864 ㎡建筑面积8832层数地上18层,地下2层建筑格高55.55㎡标 高士0.000室外基底结构类型剪力墙垫 层100rnm厚素混凝土,强度等级C15底 板800nm厚混凝土强度等级C40。抗渗等级P8墙 体地下室外墙厚250~300mm,混凝土强度等级C35,抗渗等级P8柱方柱、矩形柱、梯形柱顶板厚250mm、160rnm、140mm、120mm、100mm等基础形式筏板基础1.5 各部位换凝土具体情况 表 9-5序号结 构 部 位强度等级抗渗等级1地下部分基础垫层C152基础底板C40P83外墙、边柱C35P84主楼内墙、柱C356梁、板C357地上部分1~10层梁、板、柱、剪力墙C30811~18层梁、板、柱、剪力墙C309填充墙的圈梁、构造柱C253.施工部署本工程全部采纳商品混凝土,墙、柱、梁、板同时施工,采纳泵送。地下室及首层采纳汽车泵浇筑,2层及以上结构混凝土采纳HBT—80地泵浇筑。HBT一80地泵置于楼体东面,泵管随结构施工同步升高,与顶板用架子管顶牢并加固。泵送混凝土最大高度为65m。根据施工工序及工期安排,混凝土浇筑尽量安排在白天进行,若混凝土浇筑量较大,白天不能浇筑完成又不能留置施工缝时,现场管理人员分成两班,每班12h,各专业有关领导...

1、当您付费下载文档后,您只拥有了使用权限,并不意味着购买了版权,文档只能用于自身使用,不得用于其他商业用途(如 [转卖]进行直接盈利或[编辑后售卖]进行间接盈利)。
2、本站所有内容均由合作方或网友上传,本站不对文档的完整性、权威性及其观点立场正确性做任何保证或承诺!文档内容仅供研究参考,付费前请自行鉴别。
3、如文档内容存在违规,或者侵犯商业秘密、侵犯著作权等,请点击“违规举报”。

碎片内容

北方地区混凝土施工方案

您可能关注的文档

确认删除?
VIP
微信客服
  • 扫码咨询
会员Q群
  • 会员专属群点击这里加入QQ群
客服邮箱
回到顶部