电脑桌面
添加小米粒文库到电脑桌面
安装后可以在桌面快捷访问

厂房、库房拆除工程施工组织设计方案VIP免费

厂房、库房拆除工程施工组织设计方案_第1页
1/27
厂房、库房拆除工程施工组织设计方案_第2页
2/27
厂房、库房拆除工程施工组织设计方案_第3页
3/27
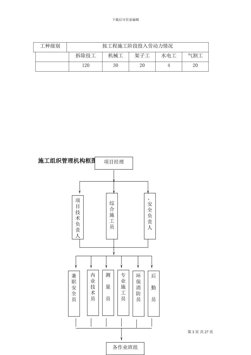
下载后可任意编辑第一部分 施工组织设计一、编制依据经过现场勘查,综合考虑施工安全、施工进度等要求,结合我公司多年来从事此类工程的施工经验,编制此施工组织设计。参考法律规范及文件如下:1. 由甲方提供的 B405-0026 地块内部 4#标拆除工程之《招标文件》;2. 由甲方提供的 B405-0026 地块内部标拆除工程之《补遗通知》;3. 现行国家法律规范及行业标准《房屋拆迁工程施工安全管理条例》、《建筑拆除工程安全技术法律规范》、《房屋拆迁施工现场防治扬尘污染管理规定》、《城市房屋拆迁及建设工程施工现场市容环境卫生管理规定》;4. 由甲方提供的拆除建(构)筑物的范围示意图;5. 其它相关专业法律规范及行业标准。二、工程概况1.被拆除旧建(构)筑物工程概况。工程地点:深圳市福田区梅林路北、中康路东;建(构)筑物结构形式:钢筋混凝土多层厂房、库房;第 1 页 共 27 页下载后可任意编辑平面尺寸及建筑面积:包括 107#、107A、107C、107D、118#、119#建筑物及构筑物地面以上部分拆除工程,总占地面积约为 5000 平米,总建筑面积约 8000 平米;层数:包括一层框架结构、二层框架结构、一层混合结构及一层局部三层钢筋混凝土结构厂房。2.被拆除旧建(构)筑物周围环境。本拆除工程位于 B405-0026 地块内部,此地宽总占地面积约为170000 平米,四周由围墙维护,出口共计四处南门一处,东门两处,西门一处。由于本工程为二、三、四标同时招标,同期施工,各标段交错施工,施工场地狭小。尤其是本标段各个施项目分散布置,同一标、二标、三标施工范围均有交叉,场地布置更为不利。4.拆除工程的合同工期或其他要求。本工程工期要求为 25 日历天,开工日期为 2024 年 10 月 15 日,竣工日期为 2024 年 11 月 10 日。三、施工组织机构的建立针对此工程项目,我公司推选的项目班子一律持证上岗、押证施工,并且该项目经理部仅负责此工程。实行项目经理责任制,项目经理将对工期、安全、成本及文明施工全面负责。各施工管理职能部门在项目经理部的直接指导下做到有计划的组织施工,确保工程质量、工期、安全等方面达到目标要求。并配备技术负责人、施工主管、安全负责人及其他技术、安全、施工等专业人员组织施工管理。人员配备情况如下:劳动力安排计划表第 2 页 共 27 页下载后可任意编辑工种级别按工程施工阶段投入劳动力情况拆除技工机械工架子工水电工气割工1203020420施工组织管理机构框...

1、当您付费下载文档后,您只拥有了使用权限,并不意味着购买了版权,文档只能用于自身使用,不得用于其他商业用途(如 [转卖]进行直接盈利或[编辑后售卖]进行间接盈利)。
2、本站所有内容均由合作方或网友上传,本站不对文档的完整性、权威性及其观点立场正确性做任何保证或承诺!文档内容仅供研究参考,付费前请自行鉴别。
3、如文档内容存在违规,或者侵犯商业秘密、侵犯著作权等,请点击“违规举报”。

碎片内容

厂房、库房拆除工程施工组织设计方案

您可能关注的文档

确认删除?
VIP
微信客服
  • 扫码咨询
会员Q群
  • 会员专属群点击这里加入QQ群
客服邮箱
回到顶部