电脑桌面
添加小米粒文库到电脑桌面
安装后可以在桌面快捷访问

厂房修改后桩基础施工方案VIP免费

厂房修改后桩基础施工方案_第1页
1/28
厂房修改后桩基础施工方案_第2页
2/28
厂房修改后桩基础施工方案_第3页
3/28
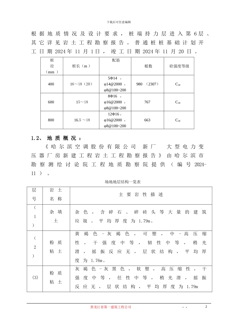
目 录1 、 工 程 概 况 … … … … … … … … … … … … … … … …… … ..…..……12 、 编 制 依 据 … … … … … … … … … … … … … … … …… … … … … … 3 3 、 施 工 组 织 管 理 机 构 … … … … … … … … … … … …… … … ...…….34 、 施 工 方 法 … … … … … … … … … … … … … … … …… … … … ..…..35 、 技 术 措 施 … … … … … … … … … … … … … … … …… … … … ..…..86 、 质 量 保 证 措 施 … … … … … … … … … … … … ..…………………107 、 雨 季 施 工 措 施 … … … … … … … … … … … … … …… … … … .….138 、 成 品 保 护 措 施 … … … … … … … … … … … … … …… … … … … ..139、工期保证措施…………………………………..………………1410、降低成本措施…………………………………………………1411 、 安 全 技 术 措 施 … … … … … … … … … … … .………下载后可任意编辑………..….1512 、 环 境 保 护 措 施 … … … … … … … … … … … … … …… … … … … 161、工程概况: 1.1、 设 计 概 况本 工 程 由 哈 尔 滨 空 调 股 份 有 限 公 司 建 设 开 发 , 黑 龙江 省 第 一 建 筑 工 程 公 司 施 工 , 中 国 新 时 代 国 际 工 程公 司 设 计 , 黑 龙 江 正 信 建 设 监 理 有 限 公 司 现 场 监 理工 程 地 点 位 于 哈 尔 滨 开 发 区 迎 宾 路 集 中 区 。 工 程 名称 : 哈 尔 滨 空 调 股 份 有 限 公 司 新 厂 大 型 变 压 器 厂房 , 建 筑 面 积 为 56900 ㎡ 。 基 础 采 纳 超 流 态 混 凝 土 灌注 桩 , 桩 基 础 施 工 单 位 为 黑 龙 江 龙 泰 建 筑 工 程 基 础有 限 公 司 , 设 计 桩 身 混 凝 土 强 度 等 级 为 C30, 桩 径 400总 桩 数 980根 , 桩 长 为 18 米 ~ 16 米 , 单 桩 竖 向 极 限 承载...

1、当您付费下载文档后,您只拥有了使用权限,并不意味着购买了版权,文档只能用于自身使用,不得用于其他商业用途(如 [转卖]进行直接盈利或[编辑后售卖]进行间接盈利)。
2、本站所有内容均由合作方或网友上传,本站不对文档的完整性、权威性及其观点立场正确性做任何保证或承诺!文档内容仅供研究参考,付费前请自行鉴别。
3、如文档内容存在违规,或者侵犯商业秘密、侵犯著作权等,请点击“违规举报”。

碎片内容

厂房修改后桩基础施工方案

一二三四传媒+ 关注
实名认证
内容提供者

大量资料供您选择,没有合适的可以联系小二。

确认删除?
VIP
微信客服
  • 扫码咨询
会员Q群
  • 会员专属群点击这里加入QQ群
客服邮箱
回到顶部