电脑桌面
添加小米粒文库到电脑桌面
安装后可以在桌面快捷访问

厂房照明改造方案VIP免费

厂房照明改造方案_第1页
1/5
厂房照明改造方案_第2页
2/5
厂房照明改造方案_第3页
3/5
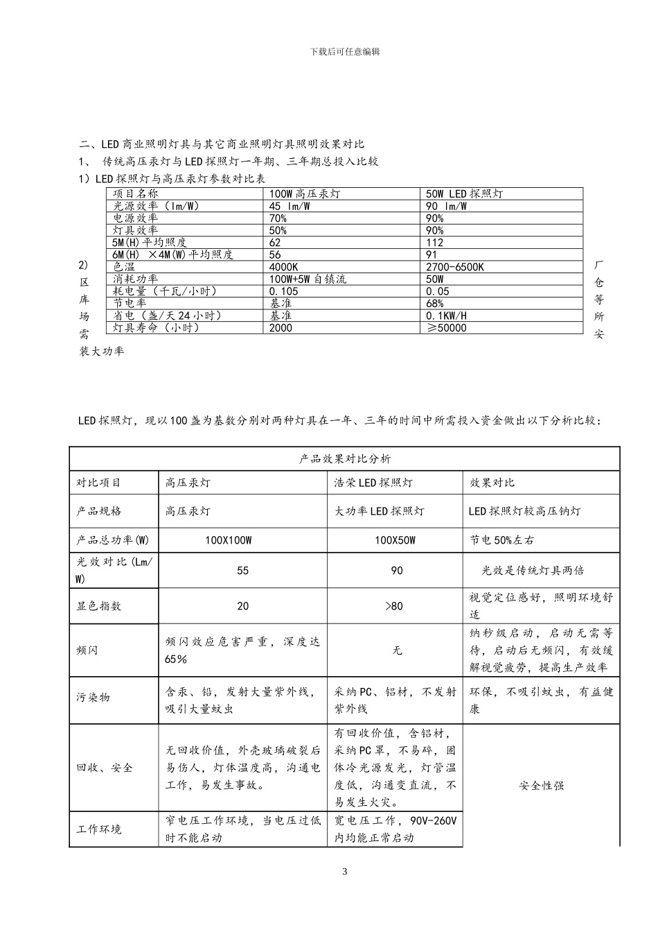
厂房照明节能改造工程推荐方案 ()下载后可任意编辑LED 公用照明产品系列:路灯、风光互补系统LED 商用照明产品系列:射灯、球泡灯、天花灯、筒灯、日光灯、平板灯、泛光灯、洗墙灯、工矿灯LED 家居照明产品系列客厅吊灯系列、壁灯系列、吊灯系列特种照明产品系列(新增)一、厂房照明改造产品与应用解决方案建议项目概况:产品应用及解决方案: 中高顶棚的照明拥有大型机械的工业厂房顶棚都很高,一般采纳光通量大、效率高的 LED 探照灯。从顶棚高度与设计照度方面考虑,需要选择合适的配光灯具。安装高度在 5—10m 左右的中等高度顶棚建议采纳中照型和宽照型配光灯具,照射角度广照度均匀,无眩光、无频闪的灯具。(厂区现采纳的是 100W 高压汞灯)灯具配置建议:大功率 LED 探照灯替代高压汞灯 样板展示效果 : 2下载后可任意编辑 二、LED 商业照明灯具与其它商业照明灯具照明效果对比1、 传统高压汞灯与 LED 探照灯一年期、三年期总投入比较1)LED 探照灯与高压汞灯参数对比表2)厂区仓库等场所需安装大功率LED 探照灯,现以 100 盏为基数分别对两种灯具在一年、三年的时间中所需投入资金做出以下分析比较:产品效果对比分析对比项目高压汞灯浩荣 LED 探照灯效果对比产品规格高压汞灯大功率 LED 探照灯LED 探照灯较高压钠灯产品总功率(W) 100X100W100X50W节电 50%左右光 效 对 比 (Lm/W)55 90 光效是传统灯具两倍显色指数20 >80视觉定位感好,照明环境舒适频闪频闪效应危害严重,深度达65% 无纳秒级启动,启动无需等待,启动后无频闪,有效缓解视觉疲劳,提高生产效率污染物含汞、铅,发射大量紫外线,吸引大量蚊虫采纳 PC、铝材,不发射紫外线环保,不吸引蚊虫,有益健康回收、安全无回收价值,外壳玻璃破裂后易伤人,灯体温度高,沟通电工作,易发生事故。有回收价值,含铝材,采纳 PC 罩,不易碎,固体冷光源发光,灯管温度低,沟通变直流,不易发生火灾。安全性强工作环境窄电压工作环境,当电压过低时不能启动宽电压工作,90V-260V内均能正常启动项目名称100W 高压汞灯50W LED 探照灯光源效率(lm/W)45 lm/W90 lm/W电源效率70%90%灯具效率50%90%5M(H)平均照度621126M(H) ×4M(W)平均照度5691色温4000K2700-6500K消耗功率100W+5W 自镇流50W耗电量(千瓦/小时)0.1050.05节电率基准68%省电(盏/天 24 小时)基准0.1KW/H灯具寿命(小时)2000≥500003下载后可任意编辑光衰特性 光衰...

1、当您付费下载文档后,您只拥有了使用权限,并不意味着购买了版权,文档只能用于自身使用,不得用于其他商业用途(如 [转卖]进行直接盈利或[编辑后售卖]进行间接盈利)。
2、本站所有内容均由合作方或网友上传,本站不对文档的完整性、权威性及其观点立场正确性做任何保证或承诺!文档内容仅供研究参考,付费前请自行鉴别。
3、如文档内容存在违规,或者侵犯商业秘密、侵犯著作权等,请点击“违规举报”。

碎片内容

厂房照明改造方案

您可能关注的文档

确认删除?
VIP
微信客服
  • 扫码咨询
会员Q群
  • 会员专属群点击这里加入QQ群
客服邮箱
回到顶部