电脑桌面
添加小米粒文库到电脑桌面
安装后可以在桌面快捷访问

吊篮施工方案正规VIP免费

吊篮施工方案正规_第1页
1/11
吊篮施工方案正规_第2页
2/11
吊篮施工方案正规_第3页
3/11
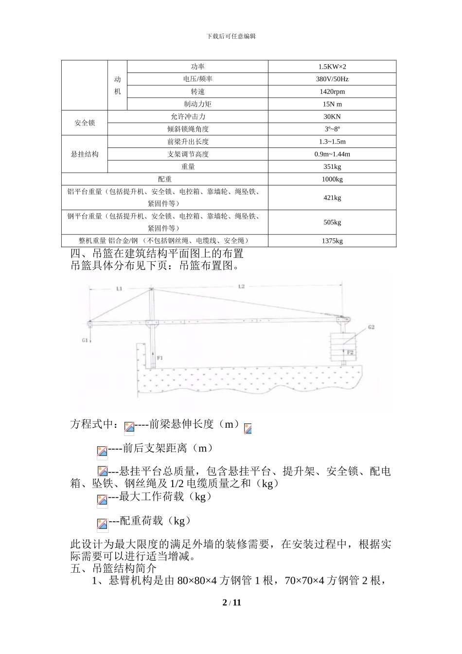
下载后可任意编辑B3#楼吊篮施工方案一、编制依据 1.1 华清学府成二期一阶段 B3#楼施工图纸。 1.2《建筑机械使用安全技术规程》(JGJ33—2001 J119—2001) 1.3《高处作业分级》(GB3608-83)1.4 JG5027—92 号《高处作业吊篮安全规则》二、工程概况三、吊篮选择主要的技术参数1、B3#楼由于工期紧,和施工现场的环境等原因,用吊篮代替脚手架,用于外墙粉刷。根据实际操作要求,选用江苏申锡建筑机械有限公司生产的高处作业吊篮 ZLP630。额定载重量为 630Kg。单元长度有 1 米、1.5 米、2 米、2.5 米四种尺寸,然后按需要进行拼装,最大长度为 6 米,最小长度为 1 米,本工程采纳 3 米长吊篮。2、主要的技术参数为下表:型号ZLP630额定载重量630kg升降速度9+0.5m/min悬吊平台长度尺寸2-6m钢丝绳特制钢丝绳 Φ8.3mm4×31SW+FC-8、6提升机额定提升力6.17KN电型号Y2EJ-90L-4 1 / 11工程项目:华清学府城二期一阶段子项名称:B3#楼建设地点:陕西省西安市幸福南路东侧建筑使用年限:50 年建设单位西安建大科教产业有限公司设计单位西安建筑科技大学建筑设计讨论院施工单位九冶建设有限公司监理单位陕西华茂建设监理咨询有限公司建筑防火类别:一类高层住宅楼(耐火等级为一级)抗震设防烈度:八度结构形式:剪力墙结构建筑规模:建筑层数:地上 32 层,地下 1 层,建筑高度:96.8m建筑面积:42622.7m2地下建筑面积:1469.7m2下载后可任意编辑动机功率1.5KW×2电压/频率380V/50Hz转速1420rpm制动力矩15N m安全锁允许冲击力30KN倾斜锁绳角度3º~8º悬挂结构前梁升出长度1.3~1.5m支架调节高度0.9m~1.44m重量351kg配重1000kg铝平台重量(包括提升机、安全锁、电控箱、靠墙轮、绳坠铁、紧固件等)421kg钢平台重量(包括提升机、安全锁、电控箱、靠墙轮、绳坠铁、紧固件等)505kg整机重量 铝合金/钢 (不包括钢丝绳、电缆线、安全绳)1375kg四、吊篮在建筑结构平面图上的布置吊篮具体分布见下页:吊篮布置图。 方程式中:----前梁悬伸长度(m) ----前后支架距离(m) ---悬挂平台总质量,包含悬挂平台、提升架、安全锁、配电箱、坠铁、钢丝绳及 1/2 电缆质量之和(kg) ---最大工作荷载(kg) ---配重荷载(kg)此设计为最大限度的满足外墙的装修需要,在安装过程中,根据实际需要可以进行适当增减。五、吊篮结构简介1、悬臂机构是由 80×80×4 方钢管 1 根,70×70×4 方钢管 2 根, 2 / 11下载后可任意编...

1、当您付费下载文档后,您只拥有了使用权限,并不意味着购买了版权,文档只能用于自身使用,不得用于其他商业用途(如 [转卖]进行直接盈利或[编辑后售卖]进行间接盈利)。
2、本站所有内容均由合作方或网友上传,本站不对文档的完整性、权威性及其观点立场正确性做任何保证或承诺!文档内容仅供研究参考,付费前请自行鉴别。
3、如文档内容存在违规,或者侵犯商业秘密、侵犯著作权等,请点击“违规举报”。

碎片内容

吊篮施工方案正规

您可能关注的文档

确认删除?
VIP
微信客服
  • 扫码咨询
会员Q群
  • 会员专属群点击这里加入QQ群
客服邮箱
回到顶部