电脑桌面
添加小米粒文库到电脑桌面
安装后可以在桌面快捷访问

园管涵施工方案VIP免费

园管涵施工方案_第1页
1/13
园管涵施工方案_第2页
2/13
园管涵施工方案_第3页
3/13
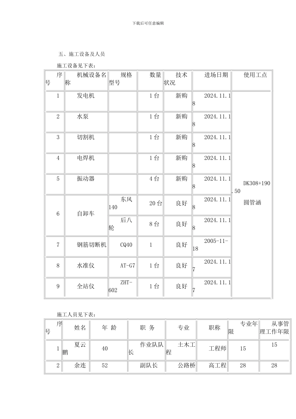
下载后可任意编辑园管涵施工方案2024-12-12 15:19:51| 分类: 工程施工技术资料 阅读 420 评论 0 字号:大中小 订阅 一、编制依据《涵洞设计图》DK311+000~DK316+000 段;《肆桥设(2024)5027》;《施工图》第二篇-路基;《铁路桥涵施工法律规范》TB10203-2024;《铁路混凝土与砌体工程施工法律规范》TB10203-2024;《客运专线铁路桥涵工程施工质量验收暂行标准》铁建设[2024]160 号;《铁路混凝土工程施工质量验收补充标准》铁建设[2024]160 号;《铁路工程施工安全技术规程(上册)》TB10401.1—2024;《实施性施工组织设计》二、工程简概合武铁路湖北段工程 DK308+190.50 处设计的 1-1.25m 钢筋混凝土圆管涵,与铁路正线斜交 450。该地段为丘陵。其地下地质情况为:1.粉质黏土,褐黄色,硬塑,后 0~3.6m;2.下伏 Pt 云母石英片岩,灰黄色,全风化,厚 1.7~6.55m;强风化,厚 0.4~4.9m;弱风化。三、工期安排1、施工工序1).先安排施工便道,做好前期施工准备工作。2).进行测量放线、截排流水。3).开挖涵身基础基坑(报检)。4).涵身基础轮廓线放样。5).立涵身基础模板(报检)、浇筑涵身基础混凝土(报检)待强度达到 2.5MPa 时拆模、基坑回填。6).圆管安装:采纳人工配合吊车安装圆管,顺序从下游向上游进行,使其纵向中心与流水线重合,插口管接口应平直,环形间隙应均匀,安装结束后调整并固定圆管。下载后可任意编辑 7).立管座模板、报检合格后,浇筑管座混凝土(报检)、强度达到 2.5MPa 时拆模。8).按设计要求,进行接缝处理,管缝由里向外分别采纳两层石棉沥青防水层,一层沥青浸制麻布处理,平接圆管接缝宽度为 1.0~2.0cm,禁止用加大接缝宽度来满足涵洞长度要求,接口表面应平整,不得有间隙、裂缝、空鼓和漏水等现象,并报监理工程师验收。9).翼墙、泄床基坑轮廓线放样,开挖翼墙及出入口泄床基坑(报检)。10).翼墙、泄床基础轮廓线放样。11).立翼墙基础模板(报检)浇筑翼墙基础砼(报检)强度达到 2.5MPa 时拆模,再进行泻床基础施工,采纳塑性粘土填夯。12).绑扎翼墙钢筋、立翼墙及帽石模板(报检)、浇筑翼墙、帽石及泄床混凝土(报检)、强度达到设计要求时拆模。13).砼强度达到设计的 75%以上时,在两侧不小于 2.5 倍管径范围内进行对称回填。管顶填土厚度大于 50cm 以上时,施工车辆方可通行。14).防护工程施工、附属工程施工、场地清理等。2、计划开、竣工日期本工程计划于 202...

1、当您付费下载文档后,您只拥有了使用权限,并不意味着购买了版权,文档只能用于自身使用,不得用于其他商业用途(如 [转卖]进行直接盈利或[编辑后售卖]进行间接盈利)。
2、本站所有内容均由合作方或网友上传,本站不对文档的完整性、权威性及其观点立场正确性做任何保证或承诺!文档内容仅供研究参考,付费前请自行鉴别。
3、如文档内容存在违规,或者侵犯商业秘密、侵犯著作权等,请点击“违规举报”。

碎片内容

园管涵施工方案

一帆文传+ 关注
实名认证
内容提供者

欢迎光临店铺,各类公文供您挑选。

确认删除?
VIP
微信客服
  • 扫码咨询
会员Q群
  • 会员专属群点击这里加入QQ群
客服邮箱
回到顶部