电脑桌面
添加小米粒文库到电脑桌面
安装后可以在桌面快捷访问

土方开挖、基坑支护及降水安全专项施工方案VIP免费

土方开挖、基坑支护及降水安全专项施工方案_第1页
1/13
土方开挖、基坑支护及降水安全专项施工方案_第2页
2/13
土方开挖、基坑支护及降水安全专项施工方案_第3页
3/13
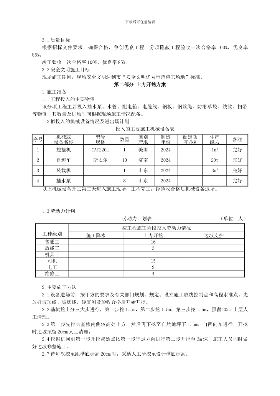
下载后可任意编辑江苏生命科技创新园 F-2 总部楼工程地下室土方开挖专项施工方案第一部分 综合说明1.工程概况本标段工程(江苏生命科技创新园F-2总部楼工程)位于江苏省南京市栖霞区江苏生命科技创新园,建筑面积13684.05 m2,为框架结构的二类高层公共建筑,上部为一栋八层框架结构总部楼,带一层地下停车库(地下车库与邻栋建筑F-1地下车库相连),室外地面到主要屋面板板顶的高度为34.80m,室内外高差0.30m。±0.00标高相当于绝对标高为17.00m。结构体系:现浇钢筋混凝土框架结构。结构设计的建筑物合理使用年限:50年。地基基础设计等级:乙级;建筑桩基设计等级:乙级;基础型式:钻孔灌注桩+柱下独立承台。工程基坑开挖时做好边坡支护并保证安全,机械开挖时控制好开挖深度,留200厚左右土层,在垫层施工前人工清理至设计标高。地下施工期间实行有效排水措施避开基坑浸水而扰动,铺设垫层时地下水位应降至基底设计标高以下至少500mm,基坑开挖时,不应扰动基底土的原状结构,如经扰动,选用级配砂石(或灰土、素砼等)进行回填处理,地下混凝土达到设计强度前均应使地下水位保持在基础底面以下。基槽内应素土夯实,基底垫层自下而上做法为:100厚C15级素混凝土垫层+建筑防水层+50厚C15级细石混凝土防水保护层,周边均伸出基础底边150。地下室底板应一次性连续浇捣施工;地下室混凝土墙只许留一条水平施工缝,缝内设钢板止水带,接缝浇筑前应将接缝处表面浮浆和杂物清除,先铺净浆,再铺30~50mm厚的1:1水泥砂浆或涂刷混凝土界面处理剂,并及时浇灌混凝土。地下室底板与周边外墙、水池壁应一次整体浇筑至底板面300mm以上。地面标高以下的施工缝、穿墙管、埋设件、预留孔洞等部位均应实行防水加强措施,预埋管道应按设备施工图在浇筑混凝土前预留,严禁浇筑好后再撬、凿结构混凝土。管道穿地下室外墙防水构造详结施06。底板施工时上下层钢筋间应设钢筋撑脚,其大小以确保板的上部钢筋在浇筑混凝土时变形移位不超过验收标准为原则,使用角钢或马凳形钢筋,具体由施工单位决定。底板板顶钢筋应在基础梁梁顶纵筋之下。地下室施工完成经检查合格后,应及时采纳粘土或亚粘土或3:7灰土回填,压实系数不小于0.94.回填时应均匀对称进行并分层夯实,回填土中不得含有石块、碎砖、灰渣、有机杂物等建筑垃圾土或淤泥土。建筑物四周如有沟、池、管道等设施,其标高在基底以下或基础附近时,必须与基础同时施工、同时回填。2.编制依据该施工组织设计的编...

1、当您付费下载文档后,您只拥有了使用权限,并不意味着购买了版权,文档只能用于自身使用,不得用于其他商业用途(如 [转卖]进行直接盈利或[编辑后售卖]进行间接盈利)。
2、本站所有内容均由合作方或网友上传,本站不对文档的完整性、权威性及其观点立场正确性做任何保证或承诺!文档内容仅供研究参考,付费前请自行鉴别。
3、如文档内容存在违规,或者侵犯商业秘密、侵犯著作权等,请点击“违规举报”。

碎片内容

土方开挖、基坑支护及降水安全专项施工方案

文森传品+ 关注
实名认证
内容提供者

一家传播文化教育的小店,资料丰富,随意挑选。

确认删除?
VIP
微信客服
  • 扫码咨询
会员Q群
  • 会员专属群点击这里加入QQ群
客服邮箱
回到顶部