电脑桌面
添加小米粒文库到电脑桌面
安装后可以在桌面快捷访问

综采工作面支护质量、顶板动态监测记录表12.28VIP免费

综采工作面支护质量、顶板动态监测记录表12.28_第1页
1/6
综采工作面支护质量、顶板动态监测记录表12.28_第2页
2/6
综采工作面支护质量、顶板动态监测记录表12.28_第3页
3/6
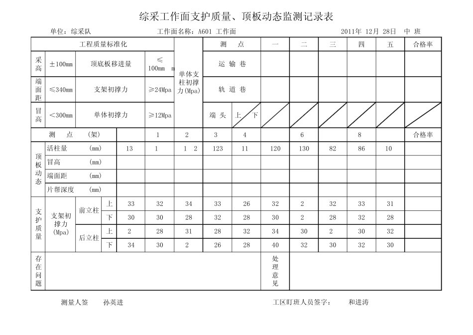
一 二 三 四 五合格率采高±100mm≤100mm/m端面距≤340mm≥24Mpa冒高<300mm≥12Mpa端 头上 下 9383736353433323133合格率988193123125120120160131145上28242826303130243230下26262424352434323228上24243024262830303030下25243024393230282434存在问题处理意见前立柱后立柱顶板动态支护质量 测量人签安文亮 工区盯班人员签字:王镇活柱量 (mm)冒高 (mm)端面距 (mm)片帮深度 (mm)支架初撑力(Mpa)顶底板移进量运 输 巷支架初撑力轨 道 巷单体初撑力测 点 (架)单体支柱初撑力(Mpa)综采工作面支护质量、顶板动态监测记录表 单位:综采队 工作面名称:A601 工作面2011年 12月 28日 夜 班工程质量标准化测 点一 二 三 四 五合格率采高±100mm≤100mm/m端面距≤340mm≥24Mpa冒高<300mm≥12Mpa端 头上 下 9484746454443424144合格率958076125123121122164140148上24273228243634322830下24283030323232363030上30242830283634303030下28242429303830322432存在问题处理意见支架初撑力(Mpa)前立柱后立柱顶板动态支护质量 测量人签董合乾 工区盯班人员签字:张代龙单体初撑力测 点 (架)活柱量 (mm)冒高 (mm)端面距 (mm)片帮深度 (mm)工程质量标准化测 点顶底板移进量运 输 巷支架初撑力轨 道 巷单体支柱初撑力(Mpa)综采工作面支护质量、顶板动态监测记录表 单位:综采队 工作面名称:A601 工作面2011年 12月 28日 早 班一 二 三 四 五合格率采高±100mm≤100mm/m端面距≤340mm≥24Mpa冒高<300mm≥12Mpa端 头上 下 5152535455565758595合格率1371551521231191201308286105上33323433263229323331下30302832283027283228上29283128323430293032下34302726284032303230存在问题处理意见支架初撑力(Mpa)前立柱后立柱 测量人签孙英进 工区盯班人员签字:和进涛顶板动态支护质量活柱量 (mm)冒高 (mm)端面距 (mm)片帮深度 (mm)顶底板移进量运 输 巷支架初撑力轨 道 巷单体初撑力测 点 (架)单体支柱初撑力(Mpa)综采工作面支护质量、顶板动态监测记录表 单位:综采队 工作面名称:A601 工作面2011年 12月 28日 中 班工程质量标准化测 点

1、当您付费下载文档后,您只拥有了使用权限,并不意味着购买了版权,文档只能用于自身使用,不得用于其他商业用途(如 [转卖]进行直接盈利或[编辑后售卖]进行间接盈利)。
2、本站所有内容均由合作方或网友上传,本站不对文档的完整性、权威性及其观点立场正确性做任何保证或承诺!文档内容仅供研究参考,付费前请自行鉴别。
3、如文档内容存在违规,或者侵犯商业秘密、侵犯著作权等,请点击“违规举报”。

碎片内容

综采工作面支护质量、顶板动态监测记录表12.28

您可能关注的文档

确认删除?
VIP
微信客服
  • 扫码咨询
会员Q群
  • 会员专属群点击这里加入QQ群
客服邮箱
回到顶部