电脑桌面
添加小米粒文库到电脑桌面
安装后可以在桌面快捷访问

路灯基础钢筋加工及安装VIP免费

路灯基础钢筋加工及安装_第1页
1/6
路灯基础钢筋加工及安装_第2页
2/6
路灯基础钢筋加工及安装_第3页
3/6
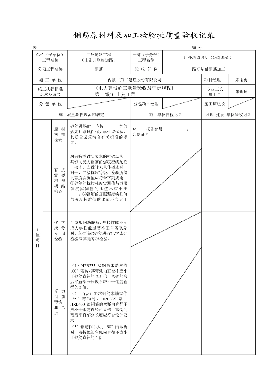
检验批工程质量报验单 编号:08-075-00-04-01-03-01 表号:A49 单位工程名称 厂外道路 单位工程编号 08-075 致:河南立新监理咨询有限公司布连电厂一期工程监理部 我单位已完成了厂外道路(主副井联络道路)路灯基础钢筋加工工程施工任务,并按工程检验划分规定和有关标准、规范要求进行了自检,质量等级为 合格 ,现报请查验。 附:钢筋原材料及加工检验批质量验收记录 承包商(章) 项目负责人: 年 月 日 项目监理部意见: 项目监理部(章) 监理工程师: 年 月 日 钢筋原材料及加工检验批质量验收记录 表 5.10.5 编 号:08-075-00-04-01-03-01 单位(子单位)工程名称 厂外道路工程 (主副井联络道路) 分部(子分部) 工程名称 厂外道路照明(路灯基础) 分项工程名称 钢筋 验 收 部 位 路灯基础钢筋加工 施 工 单 位 内蒙古第二建设股份有限公司 项目经理 宋志勇 施工执行标准 名称及编号 《电力建设施工质量验收及评定规程》 第一部分 土建工程 DL-T5120.1-2005 专业工长 (施工员) 张锡坤 分 包 单 位 分包项目经理 施工班组长 施工质量验收规范的规定 施工单位自检记录 监理(建设)单位验收记录 主控项目 1 原 材料 抽 检☆ 钢筋进场时,应按 GB1499等的规定抽取试件作力学性能试验,其质量必须符合有关标准的规定。 ¢10.0报告编号 GJ09-00263A, 合格证号 BCXA0902055 2 有 抗震 要求 框架 结构☆ 对有抗震设防要求的框架结构,其纵向受力钢筋的强度应满足设计要求。当设计无具体要求时,对一、二级抗震等级,检验所得的强度实测值应符合下列规定:①钢筋的抗拉强度实测值与屈服强度实测值的 比值不应 小于1.25;②钢筋的屈服强度实测值与强度标准值的比值不应大于1.3 3 化学成分专 项检验 当发现钢筋脆断、焊接性能不良或力学性能显著不正常等现象时,应对该批钢筋进行化学成分检验或其他专项检验。 4 受力钢 筋弯钩 和弯折 (1)HPB235 级钢筋末端应作180°弯钩,其弯弧内直径不应小于钢筋直径的 2.5 倍,弯钩的弯后平直部分长度不应小于钢筋直径的 3 倍。 (2)当设计要求钢筋末端需作135 ° 弯钩时 , HRB335 级、HRB400 级钢筋的弯弧内直径不应小于钢筋直径的 4 倍,弯钩的弯后平直部分长度应符合设计要求。 (3)钢筋作不大于90°的弯折时,弯折处的弯弧内直径不应小于钢筋直径的 5 倍 钢筋原材料及加工检验批...

1、当您付费下载文档后,您只拥有了使用权限,并不意味着购买了版权,文档只能用于自身使用,不得用于其他商业用途(如 [转卖]进行直接盈利或[编辑后售卖]进行间接盈利)。
2、本站所有内容均由合作方或网友上传,本站不对文档的完整性、权威性及其观点立场正确性做任何保证或承诺!文档内容仅供研究参考,付费前请自行鉴别。
3、如文档内容存在违规,或者侵犯商业秘密、侵犯著作权等,请点击“违规举报”。

碎片内容

路灯基础钢筋加工及安装

小辰8+ 关注
实名认证
内容提供者

出售各种资料和文档

确认删除?
VIP
微信客服
  • 扫码咨询
会员Q群
  • 会员专属群点击这里加入QQ群
客服邮箱
回到顶部