电脑桌面
添加小米粒文库到电脑桌面
安装后可以在桌面快捷访问

轴承校核计算计算表VIP免费

轴承校核计算计算表_第1页
1/12
轴承校核计算计算表_第2页
2/12
轴承校核计算计算表_第3页
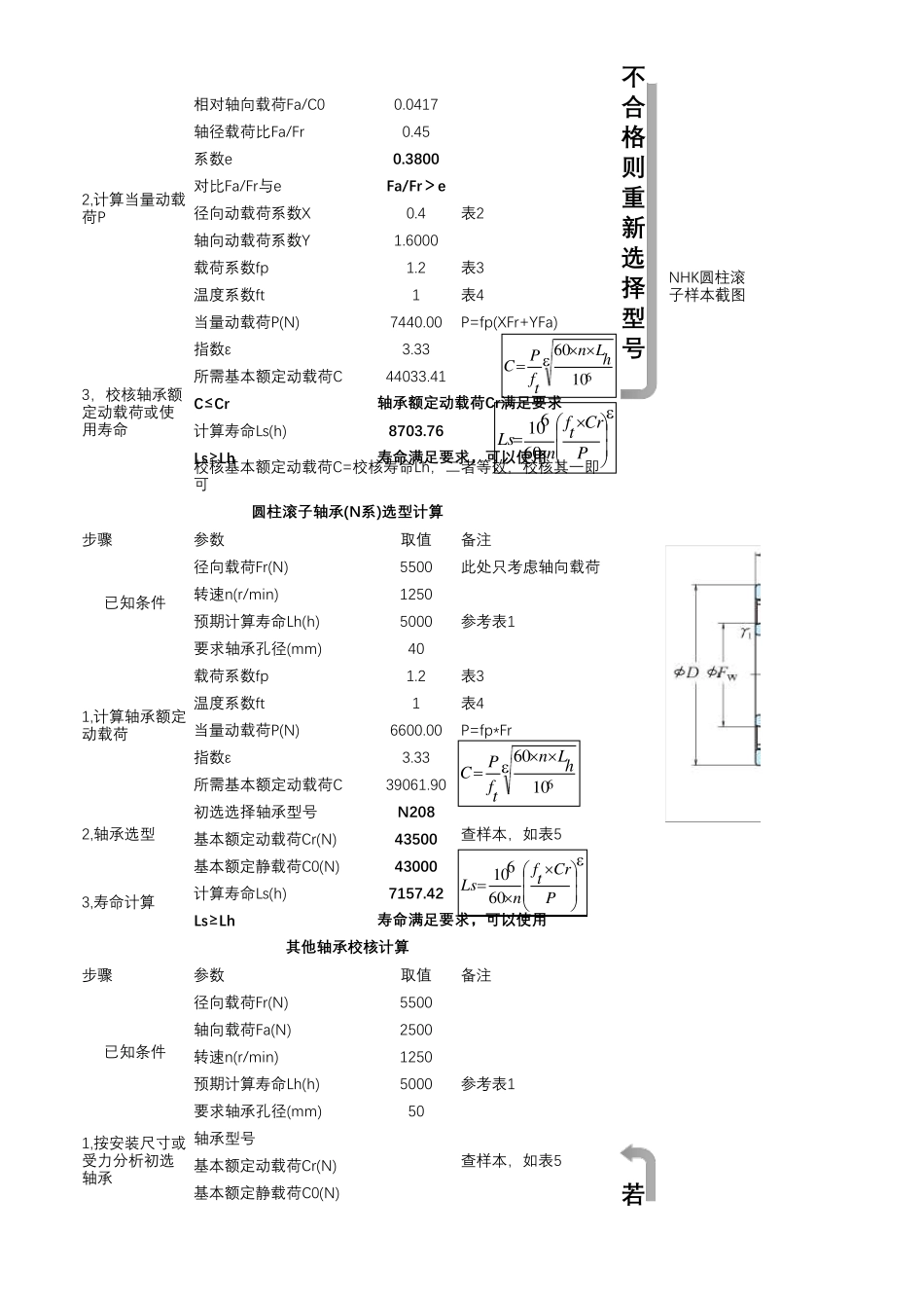
3/12
序 表 派 生 轴向 力 Fd计 算步 骤参 数数 值备 注 与 图 示轴 向 力 Fae(N)(向 左 为 正 )400径 向 力 Fre(N)900切 向 力 Fte(N)2200表 1 轴 承 预期 计 算 寿 命轮 节 圆 d(mm)314距 离 a(mm)200距 离 b(mm)320左 轴 承 径 向 力 Fr1(N)1512.62右 轴 承 径 向 力 Fr2(N)875.66200Fa1=Fa2=Fa轴 承 类 型7000AC左 轴 承 派 生 轴 向 力 Fd1(N)1028.58右 轴 承 派 生 轴 向 力 Fd2(N)595.45根 据 Fae判 断 被 压 紧 轴 承左 侧 轴 承 被压 紧表 2 径 向 动 载荷 系 数 X和 轴左 轴 承 轴 向 力 Fa1(N)995.45右 轴 承 轴 向 力 Fa2(N)595.45轴 承 型 号 (查 样 本 )7207C基 本 额 定 静 载 荷 C0(N)20000估 算 e值 (首 次 取 0.45)0.4在 左 侧 填 入 数 值估 算 左 Fd1(N)605.05估 算 右 Fd2(N)350.26根 据 Fae判 断 被 压 紧 轴 承右 侧 轴 承 被压 紧右 轴 承 轴 向 力 Fa2(N)1005.05左 轴 承 轴 向 力 Fa1(N)605.05右 轴 承 Fa2/C00.0503左 轴 承 Fa1/C00.0303右 轴 承 e20.4220左 轴 承 e10.4013右 轴 承 派 生 轴 向 力 Fd2(N)369.51左 轴 承 派 生 轴 向 力 Fd1(N)607.01右 轴 承 轴 向 力 Fa2(N)1007.01左 轴 承 轴 向 力 Fa1(N)607.01轴 承 型 号32206圆 锥 滚 子 轴 承 Y1值1.6圆 锥 滚 子 轴承左 轴 承 派 生 轴 向 力 Fd1(N)472.69调 心 滚 子 轴承右 轴 承 派 生 轴 向 力 Fd2(N)273.64调 心 球 轴 承根 据 Fae判 断 被 压 紧 轴 承左 侧 轴 承 被压 紧已 知 条 件轴 承 校 核 计 算 合 集序 : 典 型 轴 承 模 型 受 力 分 析说 明 : 此 模 型 广 泛 应 用 于 齿 轮 或 皮 带 /链 传 动 。 (1)当 为 直 齿 轮 或 皮 带 /链 轮 时 ,轴 向 力 Fae=0; (2)当 为 齿 轮 传 动 时 , 径 向 力 Fre为 齿 轮 的 重 力 ; 当 为 皮 带 轮 时 ,Fre为 重 力 和 预 紧 力 的 合 力 ; (3)切 向 力 Fte可 以 通 过 转 矩 T求 得 , T=Fte*d/2。圆 锥 滚 子轴 承不 经 常 使 用 的 仪 器间 断 使 用轴 承 径 向 力每 天 8h运 转两 端 为 ...

1、当您付费下载文档后,您只拥有了使用权限,并不意味着购买了版权,文档只能用于自身使用,不得用于其他商业用途(如 [转卖]进行直接盈利或[编辑后售卖]进行间接盈利)。
2、本站所有内容均由合作方或网友上传,本站不对文档的完整性、权威性及其观点立场正确性做任何保证或承诺!文档内容仅供研究参考,付费前请自行鉴别。
3、如文档内容存在违规,或者侵犯商业秘密、侵犯著作权等,请点击“违规举报”。

碎片内容

轴承校核计算计算表

您可能关注的文档

小辰5+ 关注
实名认证
内容提供者

出售各种资料和文档

相关文档

确认删除?
VIP
微信客服
  • 扫码咨询
会员Q群
  • 会员专属群点击这里加入QQ群
客服邮箱
回到顶部