电脑桌面
添加小米粒文库到电脑桌面
安装后可以在桌面快捷访问

输煤栈桥制作检验批007(4421425)20090530VIP免费

输煤栈桥制作检验批007(4421425)20090530_第1页
1/7
输煤栈桥制作检验批007(4421425)20090530_第2页
2/7
输煤栈桥制作检验批007(4421425)20090530_第3页
3/7
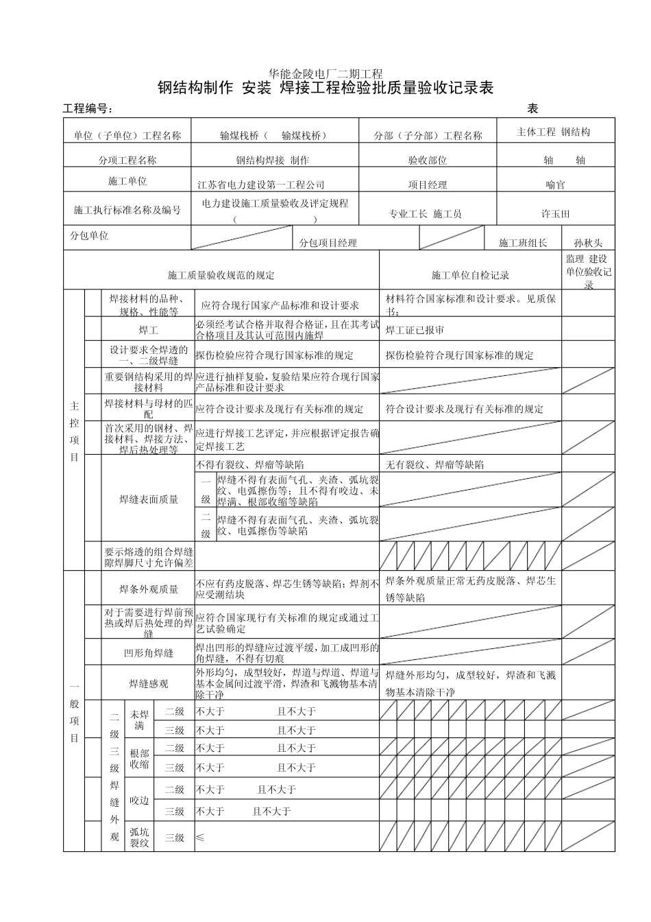
华能金陵电厂二期2×1000MW机组工程 工程质量报验单 表号:JLRM-JJ-02-A17 编号:SDY1-TJ-02-A17-02-18-007 项目名称 华能金陵电厂二期工程 合同编号 致江西诚达监理金陵电厂项目监理部: #4输煤栈桥钢结构制作 (检验批、分项或分部)工程已完成施工任务,并按工程检验划分规定和有关标准、规范要求进行了自检,质量等级为(合格或优良),现报请查验。 附件:《#4输煤栈桥钢结构制作检验批质量验收记录》 《超声波检测报告》 项目部(章) 负责人: 经办人: 年 月 日 项目监理部查验意见: 项目监理部(章) 总/监理工程师: 年 月 日 建设单位查验意见: 经办部门(章) 经办人: 年 月 日 华能金陵电厂二期工程 钢结构制作(安装)焊接工程检验批质量验收记录表 工程编号:TJ-02-018-04-02-03-01-01-003 表 5.11.1 单位(子单位)工程名称 输煤栈桥(#4输煤栈桥) 分部(子分部)工程名称 主体工程(钢结构) 分项工程名称 钢结构焊接(制作) 验收部位 421轴-425轴 施工单位 江苏省电力建设第一工程公司 项目经理 喻官 施工执行标准名称及编号 电力建设施工质量验收及评定规程(DL/T5210.1-2005) 专业工长(施工员) 许玉田 分包单位 分包项目经理 施工班组长 孙秋头 施工质量验收规范的规定 施工单位自检记录 监理(建设)单位验收记录 主控项目 1 焊接材料的品种、规格、性能等 应符合现行国家产品标准和设计要求 材料符合国家标准和设计要求。见质保书:M0808-3050 200807 08355 08070 2 焊工 必须经考试合格并取得合格证,且在其考试合格项目及其认可范围内施焊 焊工证已报审 3 设计要求全焊透的一、二级焊缝 探伤检验应符合现行国家标准的规定 探伤检验符合现行国家标准的规定 4 重要钢结构采用的焊接材料 应进行抽样复验,复验结果应符合现行国家产品标准和设计要求 5 焊接材料与母材的匹配 应符合设计要求及现行有关标准的规定 符合设计要求及现行有关标准的规定 6 首次采用的钢材、焊接材料、焊接方法、焊后热处理等 应进行焊接工艺评定,并应根据评定报告确定焊接工艺 7 焊缝表面质量 不得有裂纹、焊瘤等缺陷 无有裂纹、焊瘤等缺陷 一 级 焊缝不得有表面气孔、夹渣、弧坑裂纹、电弧擦伤等;且不得有咬边、未焊满、根部收缩等缺陷 二级 焊缝不得有表面气孔、夹渣、弧坑裂纹、电弧擦伤等缺陷 8 要示熔透的组合焊缝隙焊脚尺寸允许偏差 4~0 mm...

1、当您付费下载文档后,您只拥有了使用权限,并不意味着购买了版权,文档只能用于自身使用,不得用于其他商业用途(如 [转卖]进行直接盈利或[编辑后售卖]进行间接盈利)。
2、本站所有内容均由合作方或网友上传,本站不对文档的完整性、权威性及其观点立场正确性做任何保证或承诺!文档内容仅供研究参考,付费前请自行鉴别。
3、如文档内容存在违规,或者侵犯商业秘密、侵犯著作权等,请点击“违规举报”。

碎片内容

输煤栈桥制作检验批007(4421425)20090530

您可能关注的文档

确认删除?
VIP
微信客服
  • 扫码咨询
会员Q群
  • 会员专属群点击这里加入QQ群
客服邮箱
回到顶部