电脑桌面
添加小米粒文库到电脑桌面
安装后可以在桌面快捷访问

边坡锚杆喷浆施工方案VIP免费

边坡锚杆喷浆施工方案_第1页
1/21
边坡锚杆喷浆施工方案_第2页
2/21
边坡锚杆喷浆施工方案_第3页
3/21
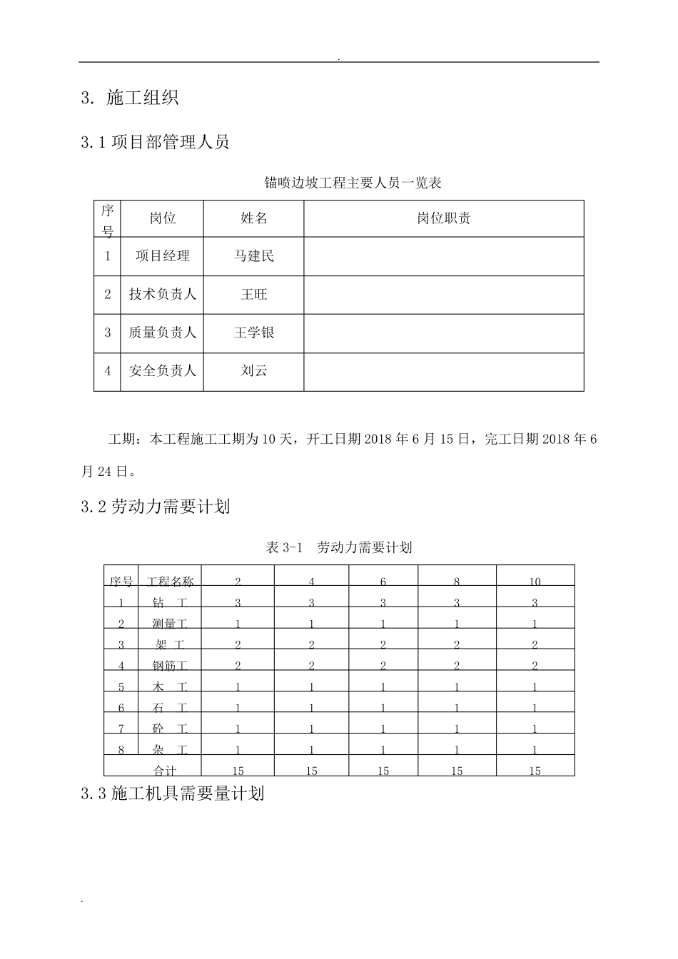
. . 边 坡 锚 杆 挂 网 喷 浆 施 工 方 案 松 菓 木 屋 度 假 村 接 待 中 心 暨 温 泉 会 所 工 程 1.工 程 概 况 1.1 工 程 概 述 本 项 目 位 于 南 京 市 浦 口 区 雨 发 生 态 园 内 , 建 筑 面 积 为 4167.1 ㎡ , 有 6 个 单 体 组 成 ,多 为 多 层 框 架 结 构 。 本 项 目 区 域 范 围 内 主 要 为 素 填 土 、 黄 粘 土 、 中 等 风 灰 岩 , 边 坡 表 面作 防 护 措 施 和 防 止 冲 刷 措 施 保 持 稳 定 。 对 开 挖 高 度 大 于2m 的 岩 质 边 坡 采 取 锚 喷 防 护 。 1.2 施 工 内 容 锚 喷 防 护 工 程 量 为1500 m2, 其 主 要 工 程 内 容 为 : 测 量 放 线 , 边 坡 修 整 , 搭 设 钢 管脚 手 架 , 边 坡 表 面 不 稳 定 、 松 动 、 破 碎 的 岩 石 或 部 分有 临空面 的 岩 层 清理, 放 线 、 钻孔、清孔, 锚 杆 制作 安装, 灌注M30 砂浆 , 钢 筋网 片制安, 预留伸缩缝、 安装泄水孔, 喷 射砼, 养护 砼, 拆除脚 手 架 , 下一断面 施 工 , 完工 清场。 1.3 工 程 特点及重点 由于 锚 孔呈20°倾角由外向内 倾斜,机械钻孔时必须重复清理孔内 因钻孔而产生 的浑浊浆 体 , 如清孔不 到位 , 浆 体 沉淀后势必影响锚 杆 与 M30 砂浆 的 粘 接 度 。 在锚 筋安装就位 后压力灌浆 时, 第一次注浆 完成 后, 必须在适当的 时间间隔范 围 内 进行二次重复灌浆 , 在清孔和 灌浆 工 序质 量 保 证的 情况 下方 能万无一失的 保 证锚 杆 抗拔力满足设 计及规范 要 求。 2.编制依据 2.1 本 工 程 施 工 图设 计。 2.2《本 工 程 工 程 地质 勘察报告》(详细勘察)。 2.3 南 京 市 《危险性较大 的 分部 分项 工 程 安全管 理办法》。 . . 3. 施工组织 3.1 项目部管理人员 锚喷边坡工程主要人员一览表 序号 岗位 姓名 岗位职责 1 项目经理 马建民 2 技术负责人 王旺 3 质量负责人 王学银 4 安全负责人 刘云 工期:本工程施工工期为10 天,开工日期2018 年6 月15 日,完工日期2018 年6月24 日。 3.2 劳动力需要计划 表3-1 劳动力需要...

1、当您付费下载文档后,您只拥有了使用权限,并不意味着购买了版权,文档只能用于自身使用,不得用于其他商业用途(如 [转卖]进行直接盈利或[编辑后售卖]进行间接盈利)。
2、本站所有内容均由合作方或网友上传,本站不对文档的完整性、权威性及其观点立场正确性做任何保证或承诺!文档内容仅供研究参考,付费前请自行鉴别。
3、如文档内容存在违规,或者侵犯商业秘密、侵犯著作权等,请点击“违规举报”。

碎片内容

边坡锚杆喷浆施工方案

您可能关注的文档

确认删除?
VIP
微信客服
  • 扫码咨询
会员Q群
  • 会员专属群点击这里加入QQ群
客服邮箱
回到顶部