电脑桌面
添加小米粒文库到电脑桌面
安装后可以在桌面快捷访问

基坑井点降水施工作业指导书VIP免费

基坑井点降水施工作业指导书_第1页
1/4
基坑井点降水施工作业指导书_第2页
2/4
基坑井点降水施工作业指导书_第3页
3/4
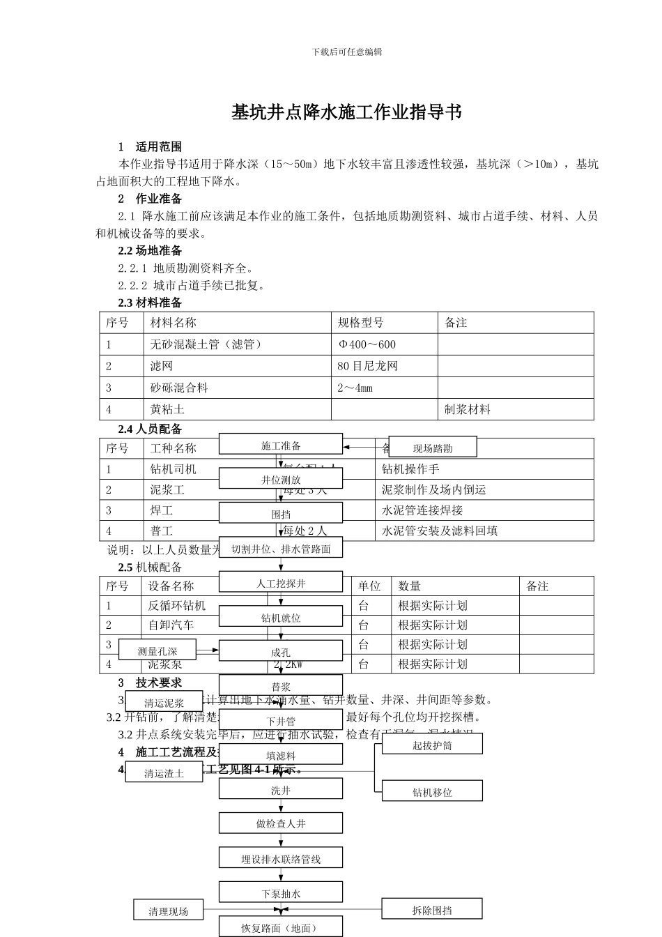
下载后可任意编辑基坑井点降水施工作业指导书1 适用范围本作业指导书适用于降水深(15~50m)地下水较丰富且渗透性较强,基坑深(>10m),基坑占地面积大的工程地下降水。2 作业准备2.1 降水施工前应该满足本作业的施工条件,包括地质勘测资料、城市占道手续、材料、人员和机械设备等的要求。2.2 场地准备2.2.1 地质勘测资料齐全。2.2.2 城市占道手续已批复。2.3 材料准备序号材料名称规格型号备注1无砂混凝土管(滤管)Φ400~6002滤网80 目尼龙网3砂砾混合料2~4mm4黄粘土制浆材料2.4 人员配备序号工种名称数量备注1钻机司机每台配 1 人钻机操作手2泥浆工每处 3 人泥浆制作及场内倒运3焊工每处 1 人水泥管连接焊接4普工每处 2 人水泥管安装及滤料回填 说明:以上人员数量为每班数量。2.5 机械配备序号设备名称规格型号单位数量备注1反循环钻机台根据实际计划2自卸汽车台根据实际计划3空压机3m3台根据实际计划4泥浆泵2.2KW台根据实际计划3 技术要求3.1 施工前按要求计算出地下水涌水量、钻井数量、井深、井间距等参数。 3.2 开钻前,了解清楚地质资料及地下管线等,最好每个孔位均开挖探槽。3.2 井点系统安装完毕后,应进行抽水试验,检查有无漏气、漏水情况。4 施工工艺流程及操作要点4.1 井点降水施工工艺见图 4-1 所示。施工准备替浆井位测放围挡切割井位、排水管路面人工挖探井钻机就位成孔填滤料下井管洗井做检查人井埋设排水联络管线下泵抽水起拔护筒拆除围挡测量孔深清运渣土恢复路面(地面)现场踏勘清运泥浆钻机移位清理现场下载后可任意编辑图 4-1 井点降水施工工艺流程图4.2 操作要点4.2.1 布孔原则(1)车站相邻降水井间距一般按 6 m~8m 控制,降水井中心与围护桩间距一般按≥1.5m 控制。(2)区间隧道外侧相邻降水井间距一般按 6m~8m 控制,隧道间疏干降水井按≤12.0 m控制,降水井中心与隧道结构外皮或围护桩间距一般按≥1.5m 控制。4.2.2 施放井位(1)降水井井位施放时必须详细调查核实场区地下管线分布情况,当无法确定时可采纳人工挖探孔的方法,确认地下无各种管线后方可施工。(2)为避开各种障碍物,降水井间距可作局部调整,降水井中心距围护桩外皮或隧道结构外皮≥1.5m,隧道及竖井相邻管井间距最大不得超过 8.0m,且降水井总量不得减少。4.2.2 降水井成孔为确保降水效果,减小洗井难度,所有管井采纳反循环钻机成孔,孔径一般为 600~800mm,用泥浆护壁,孔口设置护筒,以防孔...

1、当您付费下载文档后,您只拥有了使用权限,并不意味着购买了版权,文档只能用于自身使用,不得用于其他商业用途(如 [转卖]进行直接盈利或[编辑后售卖]进行间接盈利)。
2、本站所有内容均由合作方或网友上传,本站不对文档的完整性、权威性及其观点立场正确性做任何保证或承诺!文档内容仅供研究参考,付费前请自行鉴别。
3、如文档内容存在违规,或者侵犯商业秘密、侵犯著作权等,请点击“违规举报”。

碎片内容

基坑井点降水施工作业指导书

您可能关注的文档

确认删除?
VIP
微信客服
  • 扫码咨询
会员Q群
  • 会员专属群点击这里加入QQ群
客服邮箱
回到顶部