电脑桌面
添加小米粒文库到电脑桌面
安装后可以在桌面快捷访问

基坑开挖施工方案VIP免费

基坑开挖施工方案_第1页
1/8
基坑开挖施工方案_第2页
2/8
基坑开挖施工方案_第3页
3/8
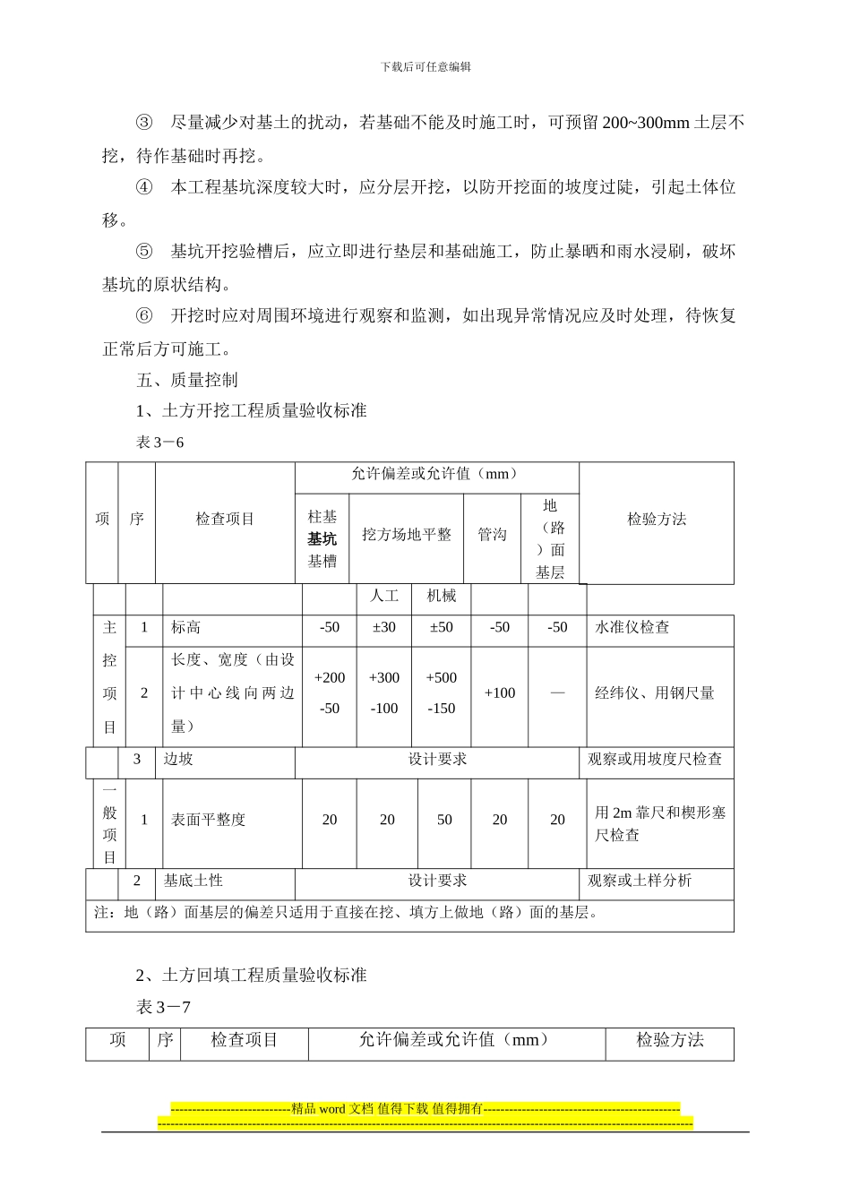
黄河机器制造厂十四街坊 3#住宅楼基坑开挖施工方案编制单位:西安双通建设工程有限公司编 制 人:编制日期:一、编制依据1、施工图纸2、主要法律规范规程《地基与基础工程施工质量验收法律规范》(GB50202-2024)《建筑工程施工质量验收统一标准》(GB50300-2001)《建筑机械使用安全技术规程》(JGJ33-2001)下载后可任意编辑二、工程概况本工程为地下一层、地上九层框架结构,檐口高度为 31.9m,占地面积为 950m2,建筑面积为 8268m2。根据施工现场及施工安排,基坑四周均采纳 1:0.58 放坡开挖,并用砂袋支护坡脚外侧用五彩油布覆盖,具体详见附图。土方开挖采纳机械大开挖,人工配合清除基底预留土层。机械土方量 10070m3,人工挖土量 1120m3。由于有地下室,所以本工程所挖土方全部外运。三、施工部署土方开挖必须遵循“开槽支撑,先撑后挖,分层开挖,严禁超挖”的原则。现场采纳 3 台反铲挖掘机,12 辆东风车,进行开挖工作。具体步骤如下: 定位放线、验线→ →放基底边线→坑底找平修整四、操作工艺1、土方开挖工程(1)先放好坡顶线、坡底线、经复测及验收合格后开始开挖。(2)机械挖土分三大步进行,第一步挖至 2.9m,第二步挖至第一层标高 4.3m,第三步挖加深部位 4.8m、5.8m。由机械开挖在接近槽底时,用水准仪控制标高,预留20~30cm 土层人工开挖,以防止超挖。(3)加深部位,土方按 1:1 放坡开挖,以保证土方稳定。(4)开挖到距槽底 30cm 以内后,测量人员测出距槽底 30cm 的水平标志线,然后在槽邦上或基坑底部钉上小木桩,清理底部土层时用它们来控制标高。根据轴线及基础轮廓检验基槽尺寸,修整边坡和基底。(5)施工注意事项① 开挖过程中,严格控制开挖尺寸,基坑底部的开挖宽度要考虑工作面的增加宽度。② 施工时尽量避开基底超挖,个别超挖的地方经设计单位给出方案用级配砂石回填。----------------------------精品 word 文档 值得下载 值得拥有---------------------------------------------------------------------------------------------------------------------------------------------------------------------------→ 机械挖土 → 边坡砂袋支护下载后可任意编辑③ 尽量减少对基土的扰动,若基础不能及时施工时,可预留 200~300mm 土层不挖,待作基础时再挖。④ 本工程基坑深度较大时,应分层开挖,以防开挖面的坡度过陡,引起土体位移。⑤ 基坑开挖验槽后,应立...

1、当您付费下载文档后,您只拥有了使用权限,并不意味着购买了版权,文档只能用于自身使用,不得用于其他商业用途(如 [转卖]进行直接盈利或[编辑后售卖]进行间接盈利)。
2、本站所有内容均由合作方或网友上传,本站不对文档的完整性、权威性及其观点立场正确性做任何保证或承诺!文档内容仅供研究参考,付费前请自行鉴别。
3、如文档内容存在违规,或者侵犯商业秘密、侵犯著作权等,请点击“违规举报”。

碎片内容

基坑开挖施工方案

您可能关注的文档

确认删除?
VIP
微信客服
  • 扫码咨询
会员Q群
  • 会员专属群点击这里加入QQ群
客服邮箱
回到顶部