电脑桌面
添加小米粒文库到电脑桌面
安装后可以在桌面快捷访问

塔吊施工方案(改)VIP免费

塔吊施工方案(改)_第1页
1/13
塔吊施工方案(改)_第2页
2/13
塔吊施工方案(改)_第3页
3/13
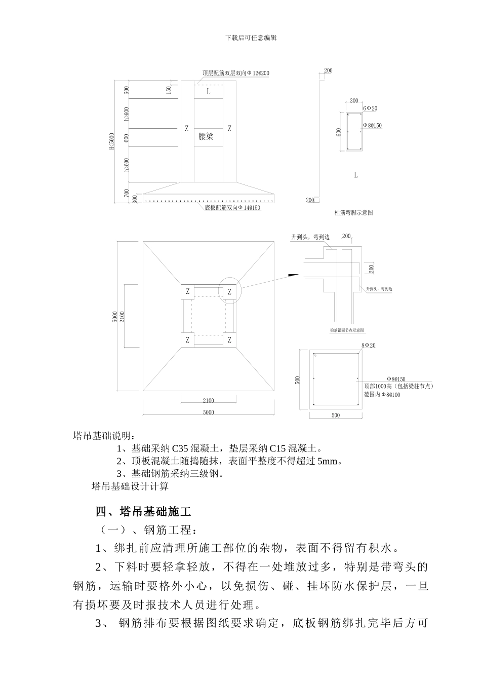
下载后可任意编辑一、工程概况工程位于扬州市渡江南路西侧、文峰路东侧、南郊变电所南侧,由2 幢(121#楼、125#楼)18 层住宅楼组成,总建筑面积 24934m2。由江苏时代设计有限公司设计,扬州经济适用房进展中心兴建,由扬州市建圣监理有限公司监理,由扬州方正建筑工程有限公司承建。二、塔吊选型及位置确定1、本工程由于场地狭小,为满足施工要求需要,现场布置了两台塔吊,两台塔吊均设置在房子与地下人防之间。由于场地限制,两台塔吊需设置在地下人防基础边上,塔吊基础埋深为黄海标高 0.0 米,基础采纳框架式塔吊基础。121#塔吊选用 QTZ30,125#塔吊考虑北面高压线的安全距离,选用 QTZ25,且 要下掉大臂顶头一节。2、塔吊基础土方在车库土方开挖前开挖。开挖深度同地下车库底标高。塔吊基础开挖时应防止边坡塔防,开挖时应加强边坡监测,并做好防护措施。塔吊基础剖面图三、塔吊基础设计与计算该塔吊基础采纳框架式基础,基础埋深同地下车库基底标高,相当于黄浩高程 0.00,在第 3 层土上,塔吊底板为 5000*5000,塔吊基础地基地耐力不小于 12t/m2,根据《杉湾花园居住小区五期工程岩土工程勘察报告》满足塔吊地基的要求。如下图下载后可任意编辑300700600h>600600ZZL腰梁H<5000顶层配筋双层双向Ф12@200底板配筋双向Ф14@1502002003006006Ф20Ф8@150L升到头,弯到边ZZZZ2100500021005000200200柱筋弯脚示意图5005008Ф20Ф8@150顶部1000高(包括梁柱节点)范围内Ф8@100升到头,弯到边150梁筋锚固节点示意图h>600 塔吊基础说明:1、基础采纳 C35 混凝土,垫层采纳 C15 混凝土。2、顶板混凝土随捣随抹,表面平整度不得超过 5mm。3、基础钢筋采纳三级钢。塔吊基础设计计算四、塔吊基础施工(一)、钢筋工程:1、绑扎前应清理所施工部位的杂物,表面不得留有积水。2、下料时要轻拿轻放,不得在一处堆放过多,特别是带弯头的钢筋,运输时要格外小心,以免损伤、碰、挂坏防水保护层,一旦有损坏要及时报技术人员进行处理。3、 钢筋排布要根据图纸要求确定,底板钢筋绑扎完毕后方可下载后可任意编辑绑扎柱钢筋,柱竖筋按设计要求布置(二)、砼浇筑:1、基坑清理,操作走道搭设。2、界面剂处理,在浇筑前施工并加以保护。3、本基础为 C35 砼,现场设 1 台泵车,泵管布置时,管线宜直,转弯宜缓,接头应严密,泵送前应先用适量的水泥砂浆或水泥浆润滑泵管内壁。泵送时,受料斗内应保持有足够的砼,防止吸入空气而形成堵塞。...

1、当您付费下载文档后,您只拥有了使用权限,并不意味着购买了版权,文档只能用于自身使用,不得用于其他商业用途(如 [转卖]进行直接盈利或[编辑后售卖]进行间接盈利)。
2、本站所有内容均由合作方或网友上传,本站不对文档的完整性、权威性及其观点立场正确性做任何保证或承诺!文档内容仅供研究参考,付费前请自行鉴别。
3、如文档内容存在违规,或者侵犯商业秘密、侵犯著作权等,请点击“违规举报”。

碎片内容

塔吊施工方案(改)

元素商铺+ 关注
实名认证
内容提供者

欢迎挑选合适的文档

确认删除?
VIP
微信客服
  • 扫码咨询
会员Q群
  • 会员专属群点击这里加入QQ群
客服邮箱
回到顶部