电脑桌面
添加小米粒文库到电脑桌面
安装后可以在桌面快捷访问

安防监控施工方案VIP免费

安防监控施工方案_第1页
1/14
安防监控施工方案_第2页
2/14
安防监控施工方案_第3页
3/14
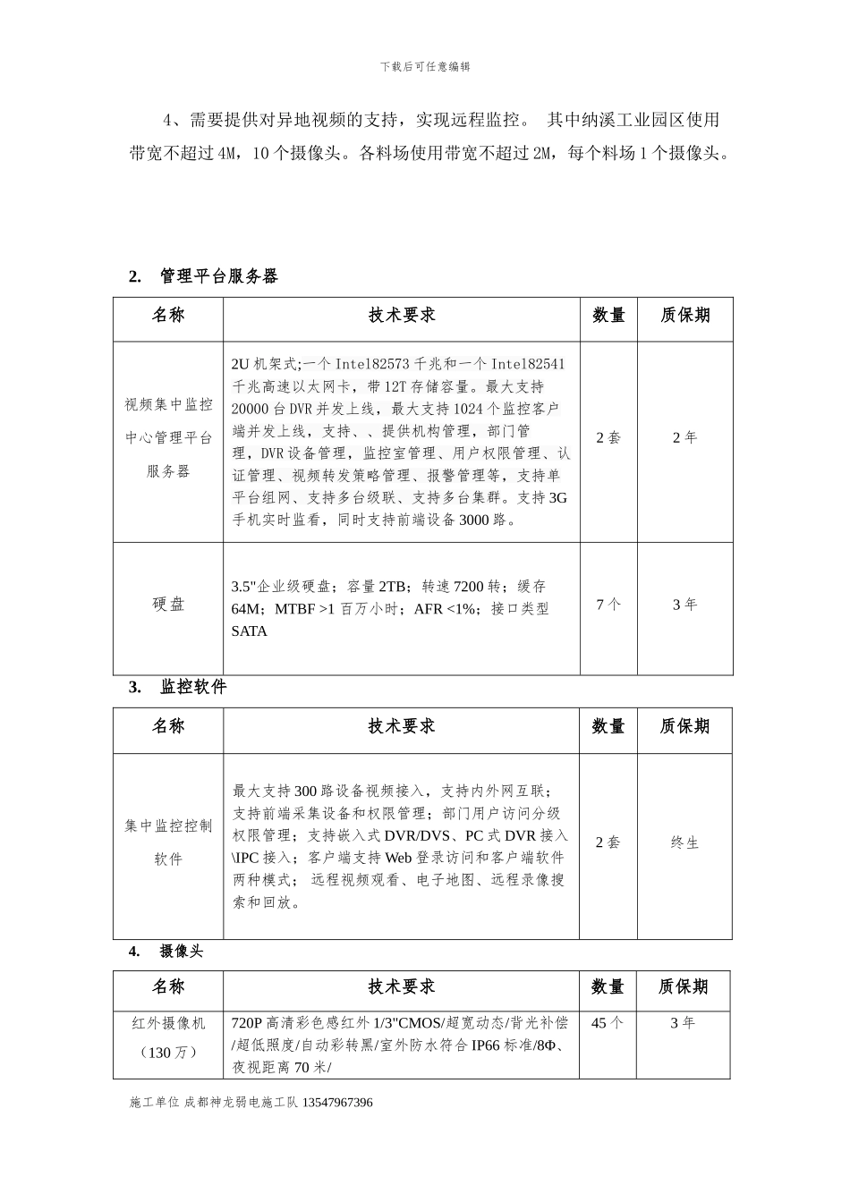
下载后可任意编辑技术要求一、视频监控系统1.基本需求此次网络视频监控系统依托千兆骨干交换网 TCP/IP 平台,准备建设厂区安防网络。本次系统建设包含以下部分:1、建立统一管理安防平台,负责对整个厂区的安防各子系统的管理,同时实现各子系统之间的联动。建立千兆骨干交换网 TCP/IP 平台,在每个车间预留物联网数据交换接口。 对内网和外网统一管理,但要有隔离,内外网之间不允许互相访问。对公司机房进行改造,机房交换机、电源、网线、计算机、服务器均应安装避雷设备。2、视频监控子系统:安装摄像机实行 24 小时监控,实现对厂区和宿舍区通道、各门出入口、及重要点如财务办公室等的全范围监控,可疑车辆的实时跟踪监控,围墙周界的报警联动监控,重要部位以及领导办公室区域的报警联动监控,整个厂区各进出大门口车辆及人员的监控以及物资车辆进出抓拍、报警联动,同时为突发事件的处理提供可靠的证据。系统具有数字监控的特点,采纳数字录象机使图像保存方便、查询方便、管理简单;采纳数字化并入网络,便于实现通过网络浏览控制图像和以后全局数字联网后通过网络远程浏览和控制图像。3、防盗报警子系统:重要区域(财务室、信息中心等)以及夜间不应有人员进出的区域,安装红外探测器,当防区布防后,一旦有非法入侵,探测器即自动感应,触发报警,主机显示报警部位,并通过声光报警器通知最近的值班人员,并且实现视频联动的功能。在本系统中,将报警探测器和手动紧急按钮划分若干个防范区域,当非法进入者从任一个设防区域进入并触发报警后,前端的报警探测器会将报警信息传输给报警主机,报警主机会在液晶键盘上显示报警区域代码,在监视器上显示报警区域画面,同时驱动警号鸣叫提示保安人员。施工单位 成都神龙弱电施工队 13547967396下载后可任意编辑4、需要提供对异地视频的支持,实现远程监控。 其中纳溪工业园区使用带宽不超过 4M,10 个摄像头。各料场使用带宽不超过 2M,每个料场 1 个摄像头。2.管理平台服务器名称技术要求数量质保期视频集中监控中心管理平台服务器2U 机架式;一个 Intel82573 千兆和一个 Intel82541千兆高速以太网卡,带 12T 存储容量。最大支持20000 台 DVR 并发上线,最大支持 1024 个监控客户端并发上线,支持、、提供机构管理,部门管理,DVR 设备管理,监控室管理、用户权限管理、认证管理、视频转发策略管理、报警管理等,支持单平台组网、支持多台级联、支持多台集群。支...

1、当您付费下载文档后,您只拥有了使用权限,并不意味着购买了版权,文档只能用于自身使用,不得用于其他商业用途(如 [转卖]进行直接盈利或[编辑后售卖]进行间接盈利)。
2、本站所有内容均由合作方或网友上传,本站不对文档的完整性、权威性及其观点立场正确性做任何保证或承诺!文档内容仅供研究参考,付费前请自行鉴别。
3、如文档内容存在违规,或者侵犯商业秘密、侵犯著作权等,请点击“违规举报”。

碎片内容

安防监控施工方案

您可能关注的文档

确认删除?
VIP
微信客服
  • 扫码咨询
会员Q群
  • 会员专属群点击这里加入QQ群
客服邮箱
回到顶部