电脑桌面
添加小米粒文库到电脑桌面
安装后可以在桌面快捷访问

工程施工质量管理办法实施细则VIP免费

工程施工质量管理办法实施细则_第1页
1/15
工程施工质量管理办法实施细则_第2页
2/15
工程施工质量管理办法实施细则_第3页
3/15
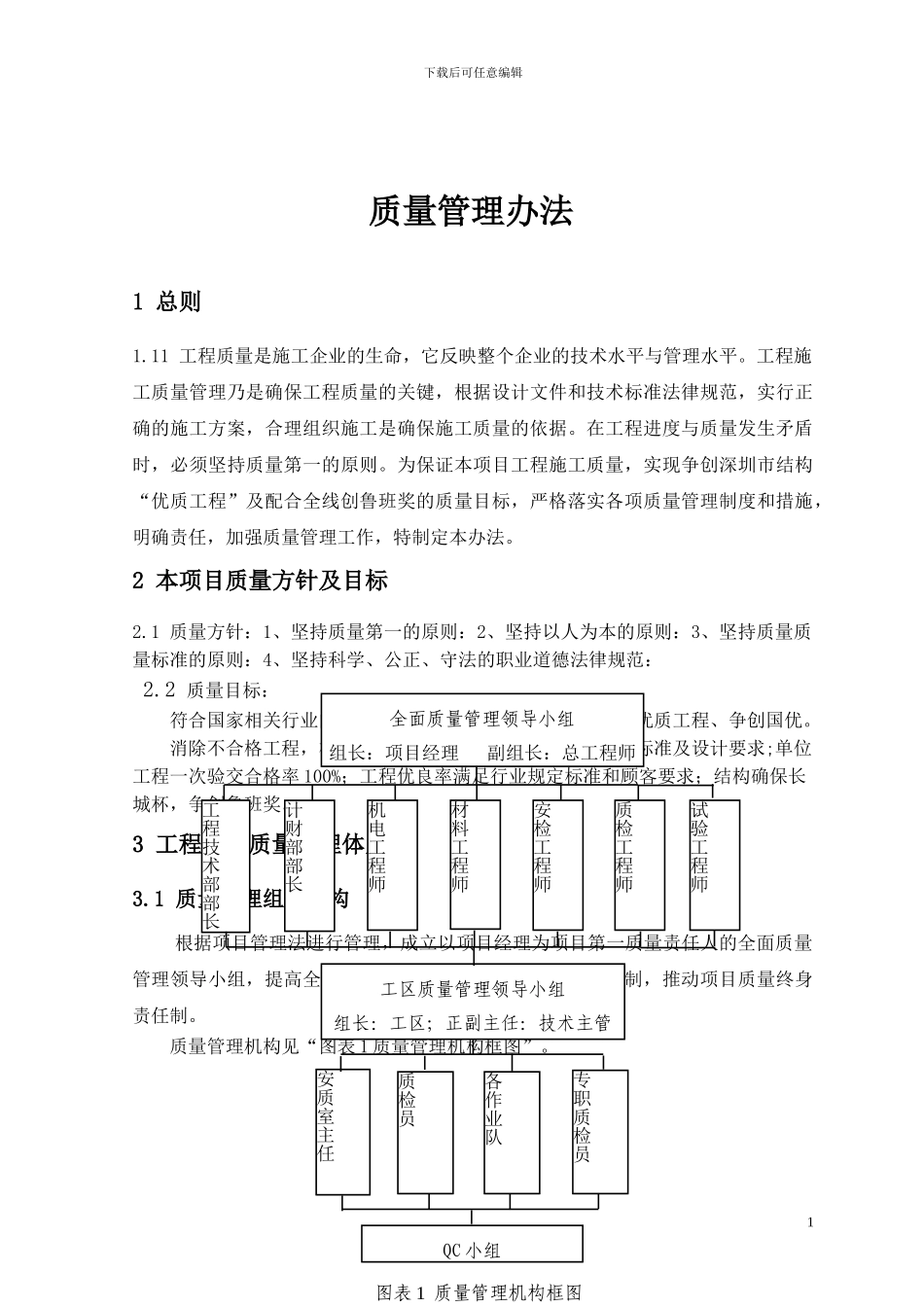
下载后可任意编辑质量管理办法1 总则1.11 工程质量是施工企业的生命,它反映整个企业的技术水平与管理水平。工程施工质量管理乃是确保工程质量的关键,根据设计文件和技术标准法律规范,实行正确的施工方案,合理组织施工是确保施工质量的依据。在工程进度与质量发生矛盾时,必须坚持质量第一的原则。为保证本项目工程施工质量,实现争创深圳市结构“优质工程”及配合全线创鲁班奖的质量目标,严格落实各项质量管理制度和措施,明确责任,加强质量管理工作,特制定本办法。2 本项目质量方针及目标2.1 质量方针:1、坚持质量第一的原则:2、坚持以人为本的原则:3、坚持质量质量标准的原则:4、坚持科学、公正、守法的职业道德法律规范: 2.2 质量目标:符合国家相关行业的技术标准和法律规范,把本工程建成优质工程、争创国优。消除不合格工程,杜绝质量隐患;确保全部工程达到验收标准及设计要求;单位工程一次验交合格率 100%;工程优良率满足行业规定标准和顾客要求;结构确保长城杯,争创鲁班奖。 3 工程施工质量管理体系3.1 质量管理组织机构 根据项目管理法进行管理,成立以项目经理为项目第一质量责任人的全面质量管理领导小组,提高全体员工的质量意识,全面落实过程控制,推动项目质量终身责任制。质量管理机构见“图表 1 质量管理机构框图”。1全面质量管理领导小组组长:项目经理 副组长:总工程师工区质量管理领导小组组长:工区;正副主任:技术主管安质室主任质检员各作业队专职质检员QC 小组计财部部长机电工程师材料工程师安检工程师质检工程师工程技术部部长试验工程师图表 1 质量管理机构框图下载后可任意编辑3.2 管理职责 本项目项目经理及分管生产的副经理对本工程的施工质量负领导责任。项目总工程师对工程质量负技术领导责任。工程部对工程质量负施工管理和技术管理责任。项目队对工程施工质量负现场管理责任。项目经理部财务部、合同部及综合部根据 本部门的职责对工程施工质量负相应的责任。一 项目经理1)在公司总经理直接领导下,带领本经理部全体成员,贯彻落实公司的质量方针和质量体系所给予经理部的各项职责,实现本工程项目的质量目标。2)负责主持本项目工程的质量策划和质量计划编制,报批后组织实施;3) 在合同执行过程中,发生合同修改时,组织对修改内容进行评审,与顾客/业主达成一致意见后指派有关人员将修改内容传达到与合同有关部门和人员;4) 审批与本工程项目的技术要求有关的文件...

1、当您付费下载文档后,您只拥有了使用权限,并不意味着购买了版权,文档只能用于自身使用,不得用于其他商业用途(如 [转卖]进行直接盈利或[编辑后售卖]进行间接盈利)。
2、本站所有内容均由合作方或网友上传,本站不对文档的完整性、权威性及其观点立场正确性做任何保证或承诺!文档内容仅供研究参考,付费前请自行鉴别。
3、如文档内容存在违规,或者侵犯商业秘密、侵犯著作权等,请点击“违规举报”。

碎片内容

工程施工质量管理办法实施细则

确认删除?
VIP
微信客服
  • 扫码咨询
会员Q群
  • 会员专属群点击这里加入QQ群
客服邮箱
回到顶部