电脑桌面
添加小米粒文库到电脑桌面
安装后可以在桌面快捷访问

左雨季施工方案VIP专享VIP免费

左雨季施工方案_第1页
1/12
左雨季施工方案_第2页
2/12
左雨季施工方案_第3页
3/12
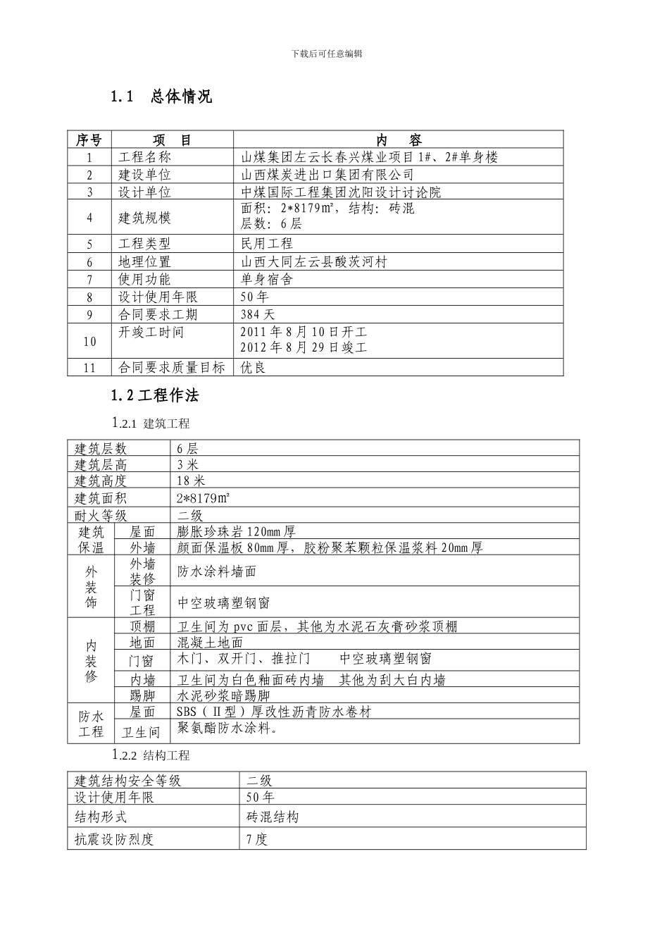
下载后可任意编辑山煤集团左云长春兴煤业 1#、2#单身楼雨季施工方案编 制:梁玉清审 批: 山西六建左云长春兴煤业项目部二 O 一一年八月1 工程概况及雨季施工内容下载后可任意编辑1.1 总体情况1.2 工程作法1.2.1 建筑工程建筑层数6 层建筑层高3 米建筑高度18 米建筑面积2*8179㎡耐火等级二级建筑保温屋面膨胀珍珠岩 120mm 厚外墙颜面保温板 80mm 厚,胶粉聚苯颗粒保温浆料 20mm 厚外装饰外墙装修防水涂料墙面门窗工程中空玻璃塑钢窗内装修顶棚卫生间为 pvc 面层,其他为水泥石灰膏砂浆顶棚地面混凝土地面门窗木门、双开门、推拉门 中空玻璃塑钢窗内墙卫生间为白色釉面砖内墙 其他为刮大白内墙踢脚水泥砂浆暗踢脚防水工程屋面SBS(Ⅱ型)厚改性沥青防水卷材卫生间聚氨酯防水涂料。1.2.2 结构工程建筑结构安全等级二级设计使用年限50 年结构形式砖混结构抗震设防烈度7 度序号项 目内 容1工程名称山煤集团左云长春兴煤业项目 1#、2#单身楼2建设单位山西煤炭进出口集团有限公司3设计单位中煤国际工程集团沈阳设计讨论院4建筑规模面积:2*8179㎡,结构:砖混层数:6 层5工程类型民用工程6地理位置山西大同左云县酸茨河村7使用功能单身宿舍8设计使用年限50 年9合同要求工期384 天10开竣工时间2011 年 8 月 10 日开工2012 年 8 月 29 日竣工11合同要求质量目标优良下载后可任意编辑抗震设防分类丙类基础类型条形基础地基基础设计等级丙级基础底标高(m)-2.6001.3 施工现场条件自然条件基本风压Wo=0.55KN2/m地面粗糙度C 类基本雪压So=0.35kN2/m场地地震基本烈度7 度场地标准冻深2m工程地质本基础落在两层黄土状粉土层上,地基承载力特征值按150KPa 设计地下水条件场地地下水位在地表下 3.1~4.0m。雨季施工期限为八、九两个月,但其他时间遇雨时仍执行本方案的措施和有关规定。本工程雨季施工的主要内容:主体结构、墙砌筑、屋面工程、楼地面、室内装修、门窗工程。涉及的分项工程有:模板工程、钢筋工程、混凝土工程、墙砌筑工程、屋面保温层、屋面找平层、屋面防水层、一般抹灰、金属窗安装、门安装。2 组织管理措施2.1 项目经理全面负责落实雨季施工措施,施工工长负责具体实施,并进行雨季施工技术、安全、环保交底并组织落实;质检员、安全员负责检查雨季施工技术、安全、环保措施和防汛抢险预案的落实情况、工程质量和施工安全环保情况。2.2 项目部成立雨季防汛抢险小组,雨天时小组成员轮流值班...

1、当您付费下载文档后,您只拥有了使用权限,并不意味着购买了版权,文档只能用于自身使用,不得用于其他商业用途(如 [转卖]进行直接盈利或[编辑后售卖]进行间接盈利)。
2、本站所有内容均由合作方或网友上传,本站不对文档的完整性、权威性及其观点立场正确性做任何保证或承诺!文档内容仅供研究参考,付费前请自行鉴别。
3、如文档内容存在违规,或者侵犯商业秘密、侵犯著作权等,请点击“违规举报”。

碎片内容

左雨季施工方案

确认删除?
VIP
微信客服
  • 扫码咨询
会员Q群
  • 会员专属群点击这里加入QQ群
客服邮箱
回到顶部