电脑桌面
添加小米粒文库到电脑桌面
安装后可以在桌面快捷访问

市级文明工地申报、绿色施工专项检查表、环境评价表VIP免费

市级文明工地申报、绿色施工专项检查表、环境评价表_第1页
1/6
市级文明工地申报、绿色施工专项检查表、环境评价表_第2页
2/6
市级文明工地申报、绿色施工专项检查表、环境评价表_第3页
3/6
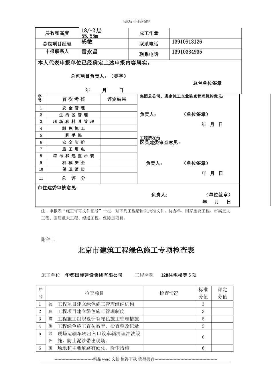
下载后可任意编辑本页为作品封面,下载后可以自由编辑删除,欢迎下载!!! 精 品文档1【精品 word 文档、可以自由编辑!】附件一创建绿色施工文明安全施工场地申报表20 年上半年( ) 下半年 ( )√ 区县建委收单编号:工 程 名 称11#居住公共服务设施(商业);12#住宅楼等 5 项工 程 地 点北京市朝阳区崔各庄乡望京村总 包 单 位华都国际建设集团有限公司建 设 单 位北京保利营房地产开发有限公司施工许可文件证号[2024]施[朝]建字0205 号开工竣工日期2024-6-20~2024-10-5工程建设规模45733.31㎡工程建设类型房屋√ 市政 轨道交通结构类型/建筑物框架剪力墙施工部位/已完6 层、4 层、2 层局部一层----------------------------精品 word 文档 值得下载 值得拥有----------------------------------------------下载后可任意编辑层数和高度18/-2 层55.55m成工作量总包项目经理杨敏联系电话13910913126申报联系人雷永昌联系电话13910334935本人代表申报单位已经确定上述申报内容属实。总包项目负责人:(签字) 总包单位签章年 月 日序号首 次 考 核评定结果集团总公司、进京施工企业驻京管理机构意见:负责人: (单位签章)年 月 日工程所在地区县建委审查意见: 负责人: (单位签章)年 月 日1安 全 管 理2生 活 区 管 理3现 场 和 料 具 管 理4绿 色 施 工5脚 手 架6安 全 防 护7施 工 用 电8塔 吊 和 起 重 吊 装9机 械 安 全10保 卫 消 防11总 评 分市住建委审核意见:负责人: (单位签章)年 月 日注:申报表“施工许可文件证号”一栏,对下列工程请附页批准文件:协办单、国家重要工程、市属重大工程、区属重大工程、绿通工程、保障房项目。附件二北京市建筑工程绿色施工专项检查表施工单位 华都国际建设集团有限公司 工程名称 12#住宅楼等 5 项序号检查项目检查情况标准分值评定分值1管理措施工程项目建立绿色施工管理组织机构32工程项目建立绿色施工管理制度33工程施工组织设计有绿色施工管理措施54工程绿色施工宣传教育、检查整改纪录55绿色施现场运输车辆出入口设车辆清理冲洗设施,防止泥沙带出现场。66场地和主要道路有硬化、降尘措施6----------------------------精品 word 文档 值得下载 值得拥有----------------------------------------------下载后可任意编辑工措施7土方堆放、易飞扬颗粒材料有遮盖措施68采纳商...

1、当您付费下载文档后,您只拥有了使用权限,并不意味着购买了版权,文档只能用于自身使用,不得用于其他商业用途(如 [转卖]进行直接盈利或[编辑后售卖]进行间接盈利)。
2、本站所有内容均由合作方或网友上传,本站不对文档的完整性、权威性及其观点立场正确性做任何保证或承诺!文档内容仅供研究参考,付费前请自行鉴别。
3、如文档内容存在违规,或者侵犯商业秘密、侵犯著作权等,请点击“违规举报”。

碎片内容

市级文明工地申报、绿色施工专项检查表、环境评价表

您可能关注的文档

确认删除?
VIP
微信客服
  • 扫码咨询
会员Q群
  • 会员专属群点击这里加入QQ群
客服邮箱
回到顶部