电脑桌面
添加小米粒文库到电脑桌面
安装后可以在桌面快捷访问

建筑工地施工质量安全自查表VIP免费

建筑工地施工质量安全自查表_第1页
1/2
建筑工地施工质量安全自查表_第2页
2/2
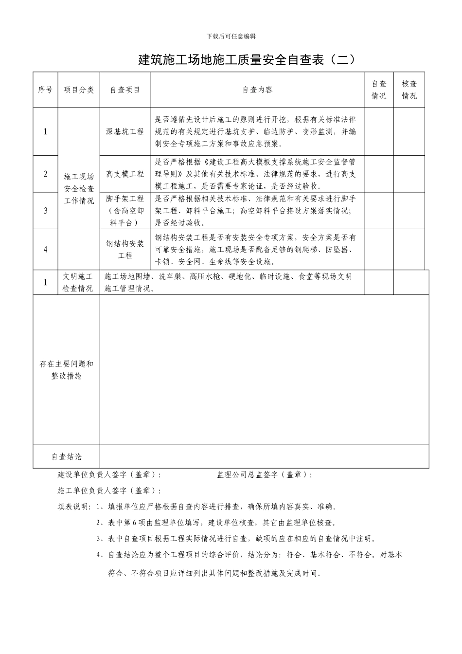
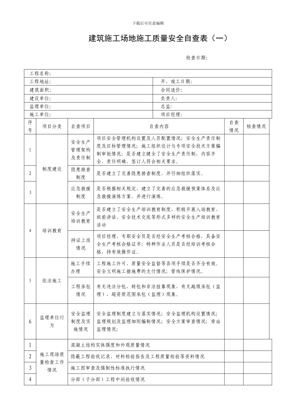
下载后可任意编辑建筑施工场地施工质量安全自查表(一) 检查日期: 工程名称: 工程地址:开、竣工日期: 建筑面积:合同造价: 建设单位:负责人: 监理单位:总监: 施工单位:项目经理: 序号项目分类自查项目自查内容自查情况核查情况1制度建设安全生产管理架构及责任制项目安全管理机构设置及人员配置情况;安全生产责任制度及目标管理情况;施工组织设计与专项安全技术方案编制审批情况;是否建立健全了安全生产责任制,内容齐全,责任明确,签订人符合相关要求。2隐患排查制度是否建立了完善隐患排查制度,并仔细组织落实。3应急救援制度是否根据相关规定,建立了完善的应急救援预案体系及应急救援演练方案,并进行演练。4培训教育安全生产 培训教育是否建立了安全生产培训教育制度,积极开展入场教育、班前讲话、安全技术交底等形式多样的安全生产培训教育活动持证上岗情况项目经理、专职安全员是否经安全生产考核合格,具备安全生产考核合格证书;特种作业人员是否经培训考核合格,持有效操作证。5依法施工施工手续办理工程施工许可、质量安全监督等各项手续是否齐全有效。安全文明施工措施费的支付情况;管线保护情况。工程承包情况有无违法分包、转包和非法挂靠现象,有无越级承包(监理)、超资质范围承包(监理)现象。6监理单位行为安全监理制度及实施情况安全监理制度建立与落实情况;安全监理机构设置情况;监理规划及监理细则编制情况;安全方案审查情况;旁站监理情况;1施工现场质量检查工作情况混凝土结构实体强度和外观质量情况2隐蔽工程验收记录、材料检验报告及工程质量检验等资料情况3施工图审查及强制性标准执行情况4分部(子分部)工程中间验收情况下载后可任意编辑建筑施工场地施工质量安全自查表(二)序号项目分类自查项目自查内容自查情况核查情况1施工现场安全检查工作情况深基坑工程是否遵循先设计后施工的原则进行开挖,根据有关标准法律规范的有关规定进行基坑支护、临边防护、变形监测,并编制安全专项施工方案和事故应急预案。2高支模工程是否严格根据《建设工程高大模板支撑系统施工安全监督管理导则》及其他有关技术标准、法律规范的要求,进行高支模工程施工,是否需要专家论证,是否经过验收。3脚手架工程(含高空卸料平台)是否严格根据相关技术标准、法律规范和有关要求进行脚手架工程、卸料平台施工;高空卸料平台搭设方案落实情况;是否经过验收。4钢结构安装工程钢结构安装工程是否有安装安...

1、当您付费下载文档后,您只拥有了使用权限,并不意味着购买了版权,文档只能用于自身使用,不得用于其他商业用途(如 [转卖]进行直接盈利或[编辑后售卖]进行间接盈利)。
2、本站所有内容均由合作方或网友上传,本站不对文档的完整性、权威性及其观点立场正确性做任何保证或承诺!文档内容仅供研究参考,付费前请自行鉴别。
3、如文档内容存在违规,或者侵犯商业秘密、侵犯著作权等,请点击“违规举报”。

碎片内容

建筑工地施工质量安全自查表

确认删除?
VIP
微信客服
  • 扫码咨询
会员Q群
  • 会员专属群点击这里加入QQ群
客服邮箱
回到顶部