电脑桌面
添加小米粒文库到电脑桌面
安装后可以在桌面快捷访问

建筑施工之电视塔VIP免费

建筑施工之电视塔_第1页
1/16
建筑施工之电视塔_第2页
2/16
建筑施工之电视塔_第3页
3/16
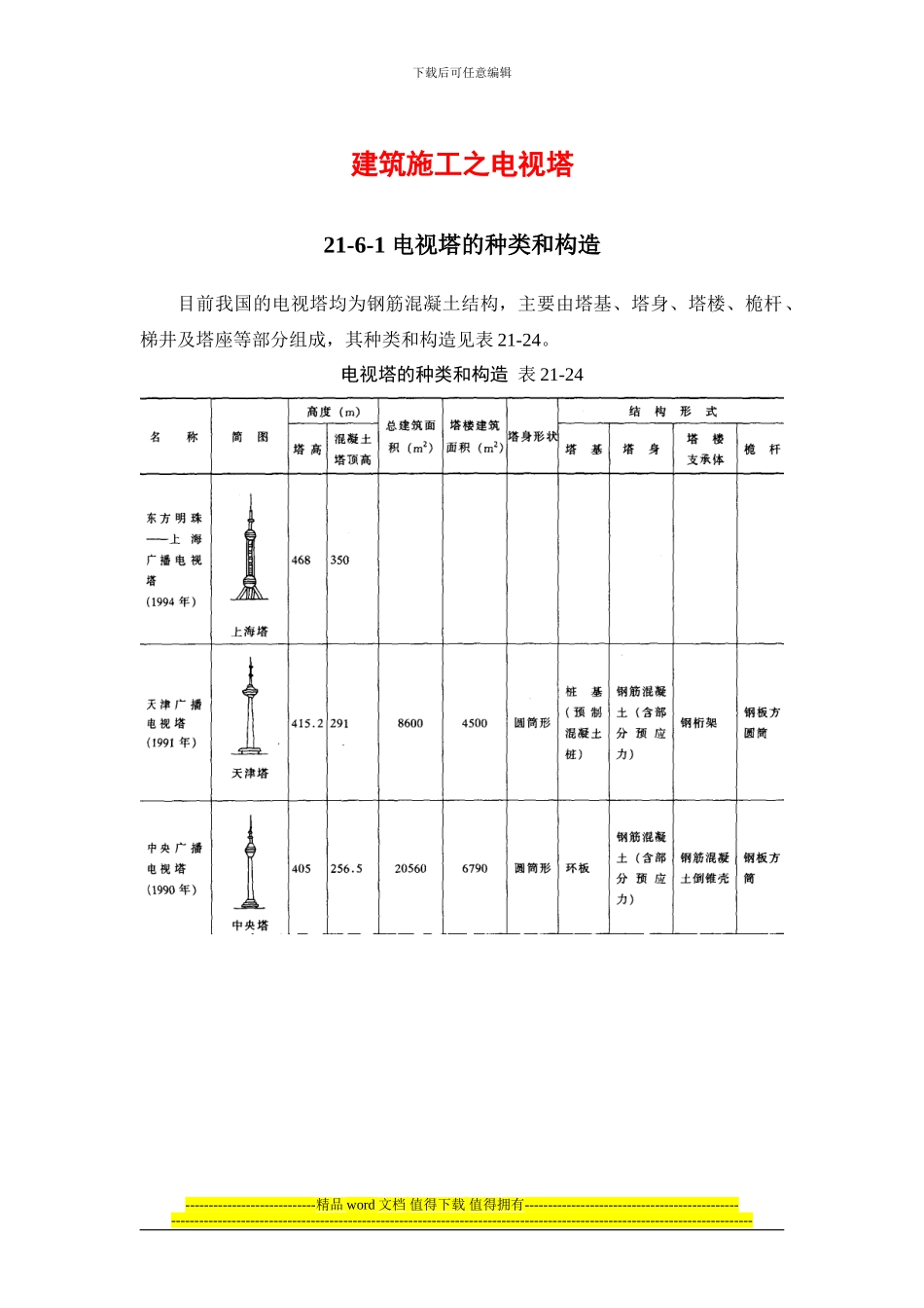
下载后可任意编辑建筑施工之电视塔21-6-1 电视塔的种类和构造目前我国的电视塔均为钢筋混凝土结构,主要由塔基、塔身、塔楼、桅杆、梯井及塔座等部分组成,其种类和构造见表 21-24。电视塔的种类和构造 表 21-24----------------------------精品 word 文档 值得下载 值得拥有---------------------------------------------------------------------------------------------------------------------------------------------------------------------------下载后可任意编辑21-6-2 塔基施工电视塔的塔基,泛指零米以下的塔结构,特指直接与地基接触的结构,如圆板、环板、桩及承台等。----------------------------精品 word 文档 值得下载 值得拥有---------------------------------------------------------------------------------------------------------------------------------------------------------------------------下载后可任意编辑21-6-2-1 塔基施工要点电视塔的塔基一般有两种形式:一种是采纳天然地基,基础分别采纳环板、圆板及正锥壳等;另一种是桩基础,可分别采纳钢筋混凝土预制桩或大直径扩底灌注桩,并在桩的顶端设置钢筋混凝土圆板或其他形式的板状承台。塔基施工的要点为:1.由于塔基一般均为深基础,而且又是大体积混凝土,所以在施工前必须制定具体的施工方案,施工方案应包括以下内容:(1)土方开挖和基坑边坡支护方案;(2)降、排地下水的措施;(3)桩基础施工方法和设备选用;(4)基础底板或壳板结构施工方法;(5)垂直与水平运输方法;(6)土方回填施工方法;(7)施工质量要求和安全保证措施。2.当基础混凝土较厚时,应分层进行浇筑,每层混凝土应一次浇筑完毕,不得留施工缝。每层混凝土间应按设计要求和施工法律规范规定进行处理。3.基础底板应按大体积混凝土的施工技术要求组织施工,关键是防止混凝土产生温度裂缝和收缩裂缝。因此,应通过计算确定混凝土的浇筑方案、入模温度、养护方法和养护时间,并实行有效措施使混凝土的内外温差、混凝土外表面与环境的温差小于或等于 25℃。4.必须实行有效措施确保混凝土塔基内的钢筋位置准确,尤其是从底板上伸出的竖向钢筋,由于要与上部塔身钢筋相连接,所以应实行有效固定措施,防止钢筋位移。当为预应力钢筋混凝土时,尤需注意水平环向预应力埋管位置的准确,埋管一般宜用镀锌钢管,水平埋管亦可采纳波纹管。21-6-2-2 塔基施工质量...

1、当您付费下载文档后,您只拥有了使用权限,并不意味着购买了版权,文档只能用于自身使用,不得用于其他商业用途(如 [转卖]进行直接盈利或[编辑后售卖]进行间接盈利)。
2、本站所有内容均由合作方或网友上传,本站不对文档的完整性、权威性及其观点立场正确性做任何保证或承诺!文档内容仅供研究参考,付费前请自行鉴别。
3、如文档内容存在违规,或者侵犯商业秘密、侵犯著作权等,请点击“违规举报”。

碎片内容

建筑施工之电视塔

确认删除?
VIP
微信客服
  • 扫码咨询
会员Q群
  • 会员专属群点击这里加入QQ群
客服邮箱
回到顶部