电脑桌面
添加小米粒文库到电脑桌面
安装后可以在桌面快捷访问

建筑施工企业的重大危险源清单VIP免费

建筑施工企业的重大危险源清单_第1页
1/8
建筑施工企业的重大危险源清单_第2页
2/8
建筑施工企业的重大危险源清单_第3页
3/8
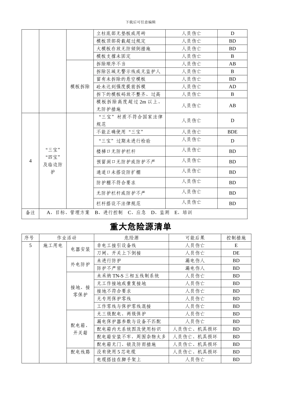
下载后可任意编辑重大危险源清单序号作业活动危险源可能后果控制措施1土方工程机械挖土方在机械回转半径内施工人员伤亡BC违章操作人员伤亡、机具损坏ABDE不了解地下设施人员伤亡、机具损坏ABD人工挖土 方土方坍塌人员伤亡ABCD夜间照明不够人员伤亡B排水不畅基槽坍塌、人员伤亡ABD坑边无防护、安全标识、警示灯人员伤亡ABD未实行合理放坡、无支护人员伤亡、机具损坏AB料具距坑边太近人员伤亡、机具损坏AB无上下专用通道人员伤亡A地基处理打夯机漏电开关损坏人员伤亡BC操作打夯机不带绝缘手套人员伤亡BC2脚手架脚手架搭 设基础不实人员伤亡、机具损坏B无垫板及底座人员伤亡、机具损坏B杆间距过大人员伤亡、机具损坏BE拉接点过少人员伤亡、机具损坏B剪刀撑不法律规范人员伤亡、机具损坏B操作人员不系安全带人员伤亡、BE钢管扣件材料不合格机具损坏D无防护栏杆人员伤亡B扣件未拧紧人员伤亡BE脚手板未绑扎人员伤亡、机具损坏BD脚手板苛载超过 270kg人员伤亡、机具损坏BD脚手架拆 除拆除前未进行加固人员伤亡、机具损坏BD拆除时未设监护人人员伤亡B恶劣天气进行施工人员伤亡B拆除顺序不当人员伤亡B上下同时作业人员伤亡B多人施工配合不当人员伤亡BE备注A、目标、管理方案 B、进行控制 C、应急 D、监测 E、培训重大危险源清单序号作业活动危险源可能后果控制措施3模板工程模板支护模板支撑架钢度不够人员伤亡AD支架材料不符合要求人员伤亡BD下载后可任意编辑立柱底部无垫板或用砖人员伤亡D模板顶部荷载超过规定人员伤亡BD大模板存放无防倾倒措施人员伤亡BD模板支撑未固定人员伤亡B模板拆除拆除顺序不当人员伤亡AB拆除区域无警示线或无监护人人员伤亡B留有未拆除的悬空模板人员伤亡BD砼未达到强度提前拆模人员伤亡AD拆下的模板码放不整齐、过高人员伤亡B模板拆除高度超过 2m 以上,无防护措施人员伤亡AB4“三宝”“四宝”及临边防护 “三宝”材质不符合国家法律规范人员伤亡D不能正确使用“三宝”人员伤亡BDE“三宝”过期未进行检验人员伤亡D楼梯口无防护栏杆人员伤亡BD预留洞口无防护或防护不严人员伤亡BD通道口未搭设防扩棚人员伤亡BD防护棚不符合要求人员伤亡BD无防护栏杆或防护不严人员伤亡BD栏杆搭设不法律规范人员伤亡BD备注A、目标、管理方案 B、进行控制 C、应急 D、监测 E、培训重大危险源清单序号作业活动危险源可能后果控制措施5施工用电电器安装非电工接引设备线人员伤亡E刀闸、开关上下倒接人员伤亡DE外电防护未进行防护漏电伤...

1、当您付费下载文档后,您只拥有了使用权限,并不意味着购买了版权,文档只能用于自身使用,不得用于其他商业用途(如 [转卖]进行直接盈利或[编辑后售卖]进行间接盈利)。
2、本站所有内容均由合作方或网友上传,本站不对文档的完整性、权威性及其观点立场正确性做任何保证或承诺!文档内容仅供研究参考,付费前请自行鉴别。
3、如文档内容存在违规,或者侵犯商业秘密、侵犯著作权等,请点击“违规举报”。

碎片内容

建筑施工企业的重大危险源清单

您可能关注的文档

确认删除?
VIP
微信客服
  • 扫码咨询
会员Q群
  • 会员专属群点击这里加入QQ群
客服邮箱
回到顶部