电脑桌面
添加小米粒文库到电脑桌面
安装后可以在桌面快捷访问

建筑施工安全检查评分表修改VIP免费

建筑施工安全检查评分表修改_第1页
1/27
建筑施工安全检查评分表修改_第2页
2/27
建筑施工安全检查评分表修改_第3页
3/27
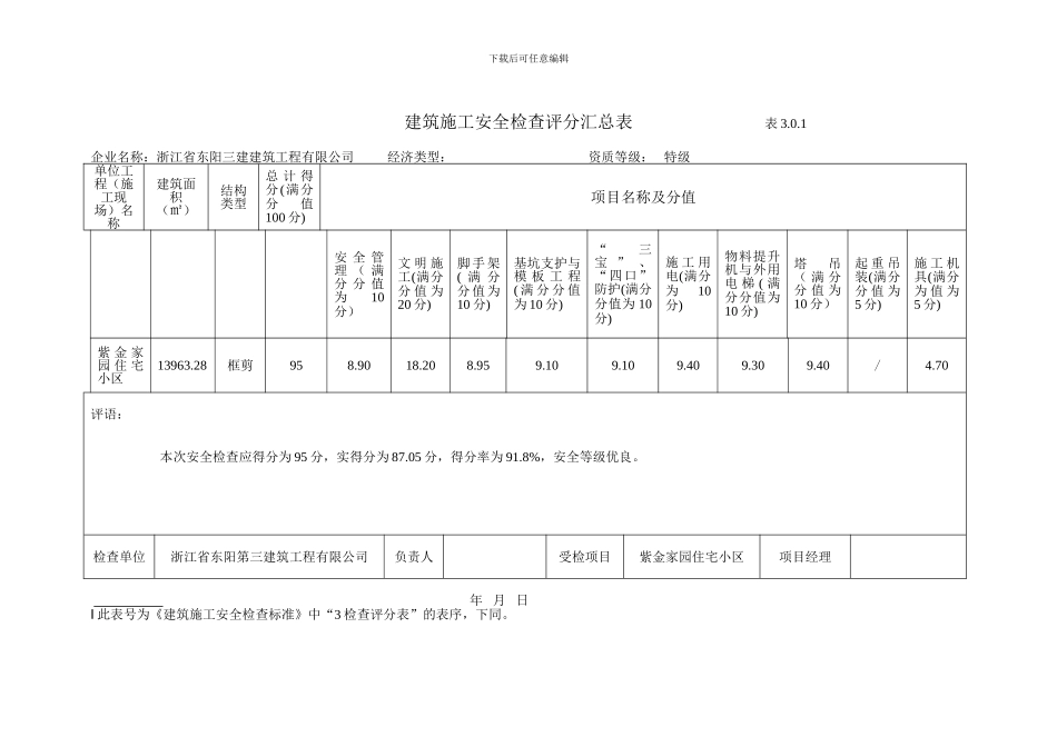
下载后可任意编辑 建筑施工安全检查评分汇总表 表 3.0.1企业名称:浙江省东阳三建建筑工程有限公司 经济类型: 资质等级: 特级 单位工程(施工现场)名称建筑面积(㎡)结构类型总 计 得分(满分分值100 分)项目名称及分值安 全 管理 ( 满分 分 值为10分)文 明 施工(满分分 值 为20 分)脚手架( 满 分分值为10 分)基坑支护与模 板 工 程( 满 分 分 值为 10 分)“三宝 ” 、“四口”防护(满分分值为 10分)施 工 用电(满分为10分)物料提升机与外用电 梯 ( 满分分值为10 分)塔吊( 满 分分 值 为10 分)起 重 吊装(满分分 值 为5 分)施 工 机具(满分为 值 为5 分)紫 金 家园 住 宅小区13963.28框剪958.9018.208.959.109.109.409.309.40/4.70评语: 本次安全检查应得分为 95 分,实得分为 87.05 分,得分率为 91.8%,安全等级优良。检查单位浙江省东阳第三建筑工程有限公司负责人受检项目紫金家园住宅小区项目经理 年 月 日I 此表号为《建筑施工安全检查标准》中“3 检查评分表”的表序,下同。下载后可任意编辑安全管理检查评分表 表 3.0.2序号检查项目扣分标准应得分数扣减分数实得分数1保证项目安全生产责任制未建立安全责任制的,扣 10 分各级各部门未执行责任制的,扣 4~6 分经济承包中无安全生产指标的,扣 10 分未制定各工种安全技术操作规程的,扣 10 分未按规定配备专(兼)职安全员的,扣 10 分管理人员责任制考核不合格的,扣 5 分10/102目标管理未制定安全管理目标(伤亡控制指标和安全达标、文明施工目标)的,扣 10 分未进行安全责任目标分解的,扣 10 分无责任目标考核规定的,扣 8 分考核办法未落实或落实不好的,扣 5 分10/103施工组织设计施工组织设计中无安全措施,扣 10 分施工组织设计未经审批,扣 10 分专业性较强的项目,未单独编制专项安全施工组织设计,扣 8 分安全措施不全面,扣 2~4 分安全措施无针对性,扣 6~8 分安全措施未落实,扣 8 分10464分部(分项)工程安全技术交底无书面安全技术交底,扣 10 分交底针对性不强,扣 4~6 分交底不全面,扣 4 分交底未履行签字手续,扣 2~4 分10285安全检查无定期安全检查制度,扣 5 分安全检查无记录,扣 5 分10/10下载后可任意编辑检查出事故隐患整改做不到定人、定时间、定措施,扣2~6 分对重大事故隐患改通知书所列项目未如期完成,扣 5 分6安全教育无...

1、当您付费下载文档后,您只拥有了使用权限,并不意味着购买了版权,文档只能用于自身使用,不得用于其他商业用途(如 [转卖]进行直接盈利或[编辑后售卖]进行间接盈利)。
2、本站所有内容均由合作方或网友上传,本站不对文档的完整性、权威性及其观点立场正确性做任何保证或承诺!文档内容仅供研究参考,付费前请自行鉴别。
3、如文档内容存在违规,或者侵犯商业秘密、侵犯著作权等,请点击“违规举报”。

碎片内容

建筑施工安全检查评分表修改

您可能关注的文档

确认删除?
VIP
微信客服
  • 扫码咨询
会员Q群
  • 会员专属群点击这里加入QQ群
客服邮箱
回到顶部