电脑桌面
添加小米粒文库到电脑桌面
安装后可以在桌面快捷访问

建筑施工安全管理检查评分表VIP免费

建筑施工安全管理检查评分表_第1页
1/5
建筑施工安全管理检查评分表_第2页
2/5
建筑施工安全管理检查评分表_第3页
3/5
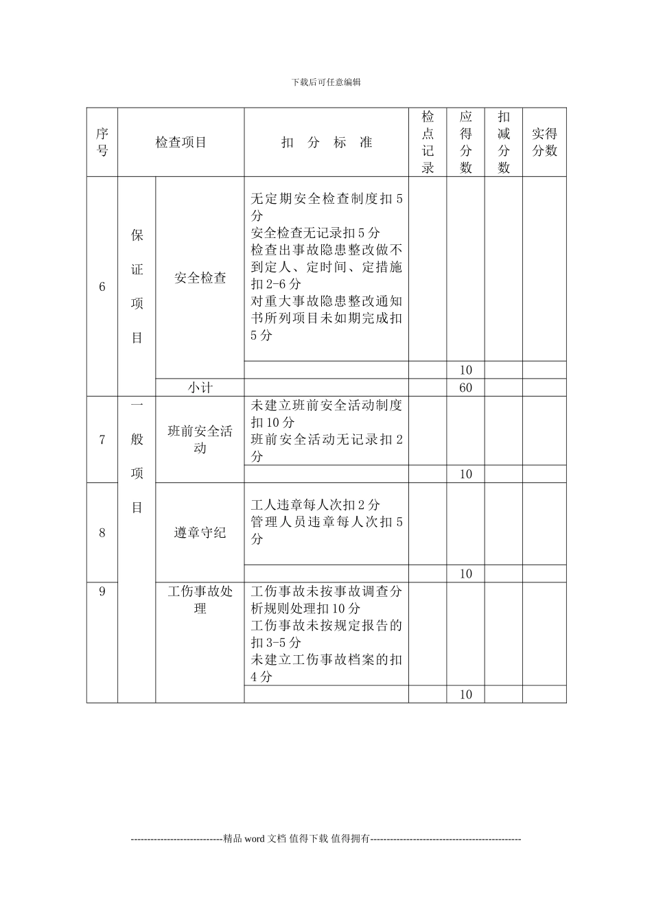
下载后可任意编辑本页为作品封面,下载后可以自由编辑删除,欢迎下载!!! 精 品文档1【精品 word 文档、可以自由编辑!】施工安全管理检查评分表表 02单位: 工程名称: 年 月 日序号检查项目扣 分 标 准检点记录应得分数扣减分数实得分数----------------------------精品 word 文档 值得下载 值得拥有----------------------------------------------下载后可任意编辑1保证项目安全生产责任制未建立安全责任制扣 10 分各级各部门未执行责任制扣 4-10 分经济承包中无安全生产指标扣 10 分102安全教育新入场工人未进行安全教育扣 10 分变换工种时未进行安全教育扣 10 分每一工人不懂本工种安全技术操作规程扣 2 分103施工组织设计无安全措施扣 10 分安全措施未经审批扣 10 分安全措施不全面扣 2-4 分安全措施无针对性口 6-8分104分部(分项)工程安全技术交底无书面安全技术交底口 10分交底针对性不强扣 4-6 分交底不全面扣 2-4 分交底未履行签字手续扣 2-4 分105特种作业持证上岗有 1 人未经培训考试合格或非特别工种从事特种作业扣 10 分有 1 人未持证上岗扣 2 分10----------------------------精品 word 文档 值得下载 值得拥有----------------------------------------------下载后可任意编辑序号检查项目扣 分 标 准检点记录应得分数扣减分数实得分数6保证项目安全检查无定期安全检查制度扣 5分安全检查无记录扣 5 分检查出事故隐患整改做不到定人、定时间、定措施扣 2-6 分对重大事故隐患整改通知书所列项目未如期完成扣5 分10小计607一般项目班前安全活 动未建立班前安全活动制度扣 10 分班前安全活动无记录扣 2分108遵章守纪工人违章每人次扣 2 分管理人员违章每人次扣 5分109工伤事故处 理工伤事故未按事故调查分析规则处理扣 10 分工伤事故未按规定报告的扣 3-5 分未建立工伤事故档案的扣4 分10----------------------------精品 word 文档 值得下载 值得拥有----------------------------------------------下载后可任意编辑10施工现场与安全标志施工现场无安全标语和安全色标志的设置未达到国家标准要求扣 3-6 分大型构件、材料堆放混乱扣 4-6 分施工现场道路不通畅扣 2-4 分10小计检查项目合计100注:1、每项最多扣减分数不大于应得分数;2、保证项目有一项不得分或保证项目小计得不足 40 分的,检查评分表计 0分;3 该表换算到表 0...

1、当您付费下载文档后,您只拥有了使用权限,并不意味着购买了版权,文档只能用于自身使用,不得用于其他商业用途(如 [转卖]进行直接盈利或[编辑后售卖]进行间接盈利)。
2、本站所有内容均由合作方或网友上传,本站不对文档的完整性、权威性及其观点立场正确性做任何保证或承诺!文档内容仅供研究参考,付费前请自行鉴别。
3、如文档内容存在违规,或者侵犯商业秘密、侵犯著作权等,请点击“违规举报”。

碎片内容

建筑施工安全管理检查评分表

您可能关注的文档

领读文化+ 关注
实名认证
内容提供者

传播文化,铸就未来

确认删除?
VIP
微信客服
  • 扫码咨询
会员Q群
  • 会员专属群点击这里加入QQ群
客服邮箱
回到顶部