电脑桌面
添加小米粒文库到电脑桌面
安装后可以在桌面快捷访问

建筑施工手册施工常用数据:常用求面积、体积公式1-3VIP免费

建筑施工手册施工常用数据:常用求面积、体积公式1-3_第1页
1/16
建筑施工手册施工常用数据:常用求面积、体积公式1-3_第2页
2/16
建筑施工手册施工常用数据:常用求面积、体积公式1-3_第3页
3/16
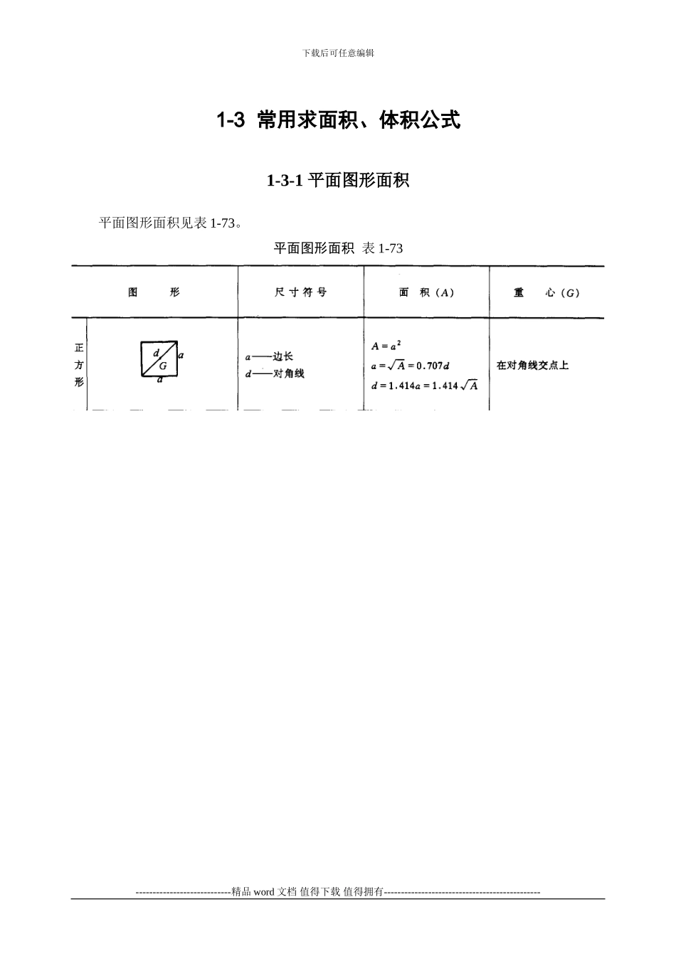
下载后可任意编辑1-3 常用求面积、体积公式1-3-1 平面图形面积平面图形面积见表 1-73。平面图形面积 表 1-73----------------------------精品 word 文档 值得下载 值得拥有----------------------------------------------下载后可任意编辑----------------------------精品 word 文档 值得下载 值得拥有----------------------------------------------下载后可任意编辑----------------------------精品 word 文档 值得下载 值得拥有----------------------------------------------下载后可任意编辑1-3-2 多面体的体积和表面积多面体的体积和表面积见表 1-74。多面体的体积和表面积 表 1-74----------------------------精品 word 文档 值得下载 值得拥有----------------------------------------------下载后可任意编辑----------------------------精品 word 文档 值得下载 值得拥有----------------------------------------------下载后可任意编辑----------------------------精品 word 文档 值得下载 值得拥有----------------------------------------------下载后可任意编辑----------------------------精品 word 文档 值得下载 值得拥有----------------------------------------------下载后可任意编辑1-3-3 物料堆体积计算物料堆体积计算见表 1-75。物料堆体积计算 表 1-75----------------------------精品 word 文档 值得下载 值得拥有----------------------------------------------下载后可任意编辑1-3-4 壳体表面积、侧面积计算1-3-4-1 圆球形薄壳(图 1-1)图 1-1 圆球形薄壳计算图----------------------------精品 word 文档 值得下载 值得拥有----------------------------------------------下载后可任意编辑----------------------------精品 word 文档 值得下载 值得拥有----------------------------------------------下载后可任意编辑1-3-4-2 椭圆抛物面扁壳(图 1-2)图 1-2 椭圆抛物面扁壳计算图----------------------------精品 word 文档 值得下载 值得拥有----------------------------------------------下载后可任意编辑1-3-4-3 椭圆抛物面扁壳系数计算见图 1-2,壳表面积(A)计算公式:A=Sx·Sy=2a×系数 Ka×2b×系数 Kb式中 Ka、Kb——椭圆抛物面扁壳系数,可按表 1-76 查得。椭圆抛物面扁壳系数表 表 1-76----------...

1、当您付费下载文档后,您只拥有了使用权限,并不意味着购买了版权,文档只能用于自身使用,不得用于其他商业用途(如 [转卖]进行直接盈利或[编辑后售卖]进行间接盈利)。
2、本站所有内容均由合作方或网友上传,本站不对文档的完整性、权威性及其观点立场正确性做任何保证或承诺!文档内容仅供研究参考,付费前请自行鉴别。
3、如文档内容存在违规,或者侵犯商业秘密、侵犯著作权等,请点击“违规举报”。

碎片内容

建筑施工手册施工常用数据:常用求面积、体积公式1-3

您可能关注的文档

确认删除?
VIP
微信客服
  • 扫码咨询
会员Q群
  • 会员专属群点击这里加入QQ群
客服邮箱
回到顶部