电脑桌面
添加小米粒文库到电脑桌面
安装后可以在桌面快捷访问

建筑施工监理项目现场内审检查表VIP免费

建筑施工监理项目现场内审检查表_第1页
1/4
建筑施工监理项目现场内审检查表_第2页
2/4
建筑施工监理项目现场内审检查表_第3页
3/4
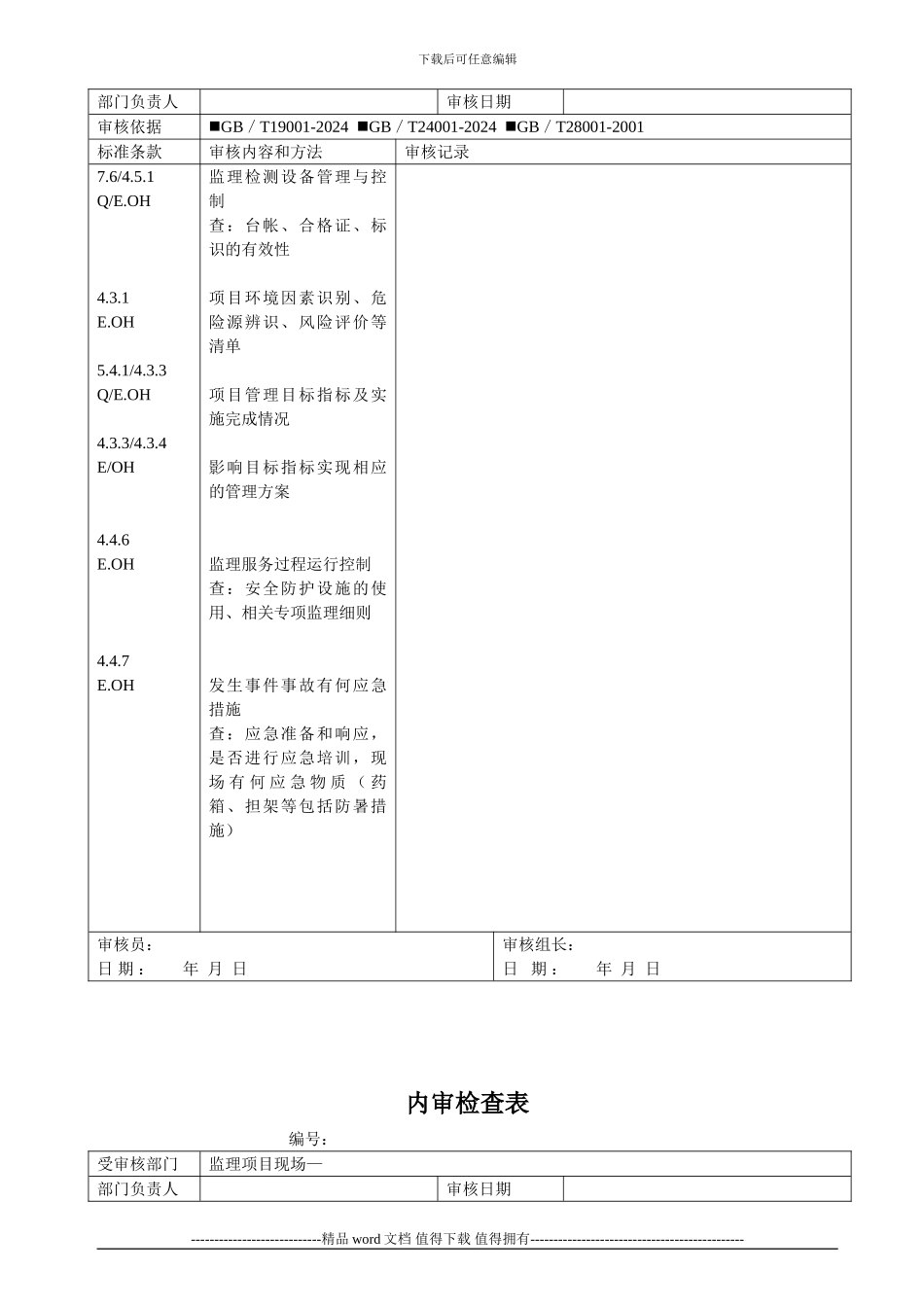
下载后可任意编辑内审检查表 编号:受审核部门监理项目现场—部门负责人审核日期审核依据GB/T19001-2024 GB/T24001-2024 GB/T28001-2001标准条款审核内容和方法审核记录交谈6.2,5.5.3/4.4.3Q/E.OH4.2.3/4.4.5Q/E.OH4.2.4/4.5.4/4.5.3Q/E/OH7.1/4.4.6Q/E.OH7.5.1/4.4.6Q/E.OH监理工程项目情况介绍项 目 监 理 机 构 人 员 配置、相应资格、与相关方的沟通管理体系、监理服务相关文件、资料的获得与控制查:收发文记录,抽样核查适用的技术标准、法律规范监理服务记录控制查:报审资料、监理日记等的填写及时性、完整性查:项目策划文件(监理 规 划 、 细 则 ) 审 批否,内容符合要求否监理服务过程控制查:组织图纸会审、交底第一次施工场地例会、开工令、验证进场施工单位相关资质、合格有效情况(报审的施工、检测设备、安全设施、人员等)审核员:日 期 : 年 月 日审核组长:日 期 : 年 月 日内审检查表----------------------------精品 word 文档 值得下载 值得拥有----------------------------------------------下载后可任意编辑 编号:受审核部门监理项目现场—部门负责人审核日期审核依据GB/T19001-2024 GB/T24001-2024 GB/T28001-2001标准条款审核内容和方法审核记录7.5.1/4.4.6Q/E.OH7.5.3Q7.5.4Q现场砼搅拌站计量控制查:配合比、砼试块养护条件、坍落度监测记录,进场材料控制查:合格供方、材料合格证、质保书;查:工程材料试验台帐(复试比例、见证人、复试报告的签认)水准点复测;单项工程验收(包括隐蔽项);过程旁站重点部位(桩基、基础、主体结构)旁站影响工程质量的特别 、 关 键 施 工 工 序 :( 钢 结 构 安 装 、 砼 浇筑、预应力张拉、土方回填等)施工业务联系单和进度付款审核;监理服务标识规定的实施情况查:服务人员标识、服务过程状态标识顾客财产管理查 : 图 纸 资 料 、 水 准点、办公设施等验证记录审核员:日 期 : 年 月 日审核组长:日 期 : 年 月 日内审检查表 编号:受审核部门监理项目现场—----------------------------精品 word 文档 值得下载 值得拥有----------------------------------------------下载后可任意编辑部门负责人审核日期审核依据GB/T19001-2024 GB/T24001-2024 GB/T28001-2001标准条款审核内容和方法审核记录7.6/4.5.1Q/E.OH4.3.1E.OH5.4.1/4.3.3Q/E.OH4.3.3/...

1、当您付费下载文档后,您只拥有了使用权限,并不意味着购买了版权,文档只能用于自身使用,不得用于其他商业用途(如 [转卖]进行直接盈利或[编辑后售卖]进行间接盈利)。
2、本站所有内容均由合作方或网友上传,本站不对文档的完整性、权威性及其观点立场正确性做任何保证或承诺!文档内容仅供研究参考,付费前请自行鉴别。
3、如文档内容存在违规,或者侵犯商业秘密、侵犯著作权等,请点击“违规举报”。

碎片内容

建筑施工监理项目现场内审检查表

您可能关注的文档

确认删除?
VIP
微信客服
  • 扫码咨询
会员Q群
  • 会员专属群点击这里加入QQ群
客服邮箱
回到顶部