电脑桌面
添加小米粒文库到电脑桌面
安装后可以在桌面快捷访问

弱电改造施工方案VIP免费

弱电改造施工方案_第1页
1/29
弱电改造施工方案_第2页
2/29
弱电改造施工方案_第3页
3/29
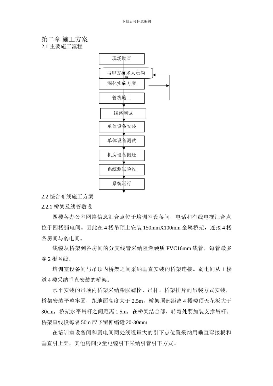
下载后可任意编辑基地指挥楼弱电改造工程技术方案武汉保全科技有限公司下载后可任意编辑第一章 概述1.1 工程概况基地指挥楼弱点改造工程主要完成 4 楼办公区域综合布线、培训室大屏幕投影系统工程、中转机房建设与搬迁、门禁消防监控等工作。项目规模不大,涉及技术门类多,机房搬迁涉及的应用系统多、设备数量多、设备之间线路连接关系复杂、时间要求紧,因此,需要严密组织、严格技术规程、做好周密的施工和搬迁方案。1.2 编制依据1、招标文件及答疑文件2、设计图纸3、国家颁发的法律、法规、法律规范、规程及行业标准《建筑与建筑群综合布线系统工程设计法律规范》 GB/T50311-2000《智能建筑工程质量验收法律规范》 GB 50339-2024《电视和声音信号的电缆分配系统》 GB/T6510-86《电视接收机确保与电缆分配系统兼容的技术要求》 GB12323-90《电气装置安装工程接地装置施工及验收法律规范》 GB50169-2024《信息技术装置的接地配置和等电位联结》 GB/T16895.17-2024《建筑物电子信息系统防雷技术法律规范》 GB50343-2024《电子计算机机房设计法律规范》 GB50174-93《计算站场地技术要求》 GB2887-89《计算机机房用活动地板技术要求》 GB6650-86《火灾自动报警系统设计法律规范》 GB50116-98《火灾自动报警系统施工及验收法律规范》 GB50166-92《厅堂扩声系统声学特性指标》 GYJ25-86《广播系统施工及验收法律规范》 GBJ50166-92《视频安防监控系统技术要求》 GA/T367-2001下载后可任意编辑第二章 施工方案2.1 主要施工流程 2.2 综合布线施工方案2.2.1 桥架及线管敷设四楼各办公室网络信息汇合点位于培训室设备间,电话和有线电视汇合点位于四楼弱电间。因此在 4 楼吊顶上安装 150mmX100mm 金属桥架,连接 4 楼各房间与弱电间。线缆从桥架到各房间的分支线管采纳阻燃硬质 PVC16mm 线管,每管最多穿 2 根网线。培训室设备间与吊顶内桥架之间采纳垂直安装的桥架连接。弱电间从 1 楼道 4 楼采纳垂直安装的桥架。水平安装的吊顶内桥架采纳膨胀螺栓、吊杆、桥架挂片的吊装方式安装,桥架安装平整牢固,距地面高度大于 2.5m,桥架顶部距离 4 楼楼顶天花板大于30cm,桥架水平吊杆之间距离 1.5m,在桥架结合部、转弯处要加装支撑吊杆。桥架直线段每隔 50m 应予留伸缩缝 20-30mm在培训室设备间和弱电间两处线缆量大的引下点位置采纳用垂直弯接板和垂直引上架,其他房间少量电缆引下采纳引管引下方式。现场勘...

1、当您付费下载文档后,您只拥有了使用权限,并不意味着购买了版权,文档只能用于自身使用,不得用于其他商业用途(如 [转卖]进行直接盈利或[编辑后售卖]进行间接盈利)。
2、本站所有内容均由合作方或网友上传,本站不对文档的完整性、权威性及其观点立场正确性做任何保证或承诺!文档内容仅供研究参考,付费前请自行鉴别。
3、如文档内容存在违规,或者侵犯商业秘密、侵犯著作权等,请点击“违规举报”。

碎片内容

弱电改造施工方案

确认删除?
VIP
微信客服
  • 扫码咨询
会员Q群
  • 会员专属群点击这里加入QQ群
客服邮箱
回到顶部