电脑桌面
添加小米粒文库到电脑桌面
安装后可以在桌面快捷访问

循环水管安装方案VIP免费

循环水管安装方案_第1页
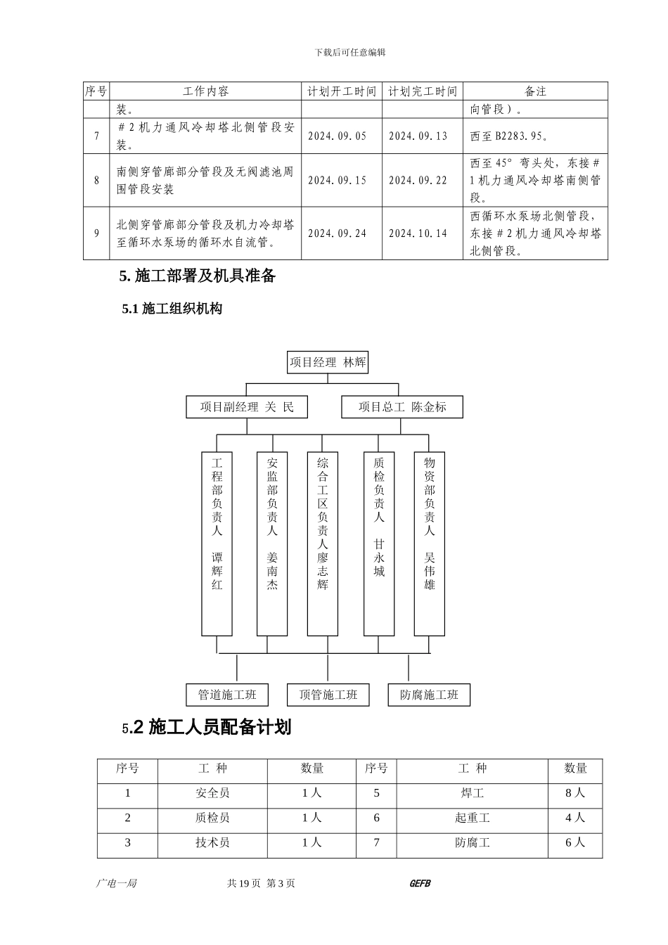
1/19
循环水管安装方案_第2页
2/19
循环水管安装方案_第3页
3/19
下载后可任意编辑循环水进出水管更换、循环水道楼梯更换等施工方案1.编制依据及验收法律规范1.1 广州瑞明电力股份有限公司提供的施工图、招标文件;1.2《给水排水管道工程施工及验收法律规范》GB50268-97;1.3《工业金属管道工程施工及验收法律规范》GB50235-97;1.4《现场设备、工业金属管道焊接工程施工及验收法律规范》GB50236-98;1.5《工业设备、管道防腐蚀工程施工及验收法律规范》HGJ229-1991;1.6《涂装前钢材表面锈蚀等级和除锈等级》GB8923/T-88;1.7 《电力建设安全工作规程》(火力发电厂部分) DL 5009·1-921.8《火力发电厂焊接技术规程》DL/T 869-20241.9 广州瑞明电力股份有限公司的有关管理文件2.工程概况和特点广州瑞明电力股份有限公司#1 机组循环冷却水系统,至 1995 年 7 月正式投入使用,到目前止已经历了 14 年的运行时间。由于循环水水质含盐量较高,循环水进、出水管锈蚀严重,多处出现漏水现象,需要对#1 机循环水进、出水管(包括冷却塔上水管距地面 1.2 米以下管段),冷却塔底部水池放水管(包括放水阀)、溢流管等进行更换,对腐蚀严重的循环水道楼梯等更换。3.工程范围及工作量本次循环水管更换包括主厂房至冷却塔循环水管的更换,主要包括冷却塔管沟布置图:图号 FO74S-SO104-01、冷却塔溢流放水管布置图 图号 FO74S-SO104-02、汽机房前循环水管布置图 图号 FO74S-SO103-01、厂区循环水管布置图 图号 FO74S-SO103-02、循环水管道安装图 图号 FO74S-JO515-01、循环水泵进出水管道安装图 图号FO74S—SO102-02 等图纸中的内容详细工程量见下图:冷却塔管沟:图号 FO74S-SO104-01编号名称规格单位数 `量材料重量(kg)备注广电一局 共 19 页 第 1 页 GEFB下载后可任意编辑单重总重1焊接钢管φ1420×12米147A3416.7612552焊接钢管φ1020×12米75A3298.3223733焊接钢管φ530×8米98A390.116871冷水池溢流管 43.5m4焊接钢管φ325×5米33A339.461303冷水池放水管5焊 接 90° 弯头φ1420×12个4A3145258086大小头φ1420×φ1020×12个2A33677347焊接堵头DN1000个2A3184.2368.4典水 148-0108焊 接 90° 弯头φ530×8个17A3921564上水管 14 个,溢流管 3 个9焊 接 90° 弯头φ325×5个6A331.1186.6冷水池放水管用10大小头φ630×φ530×8个3A344.5133.5冷水池溢流管口用11焊接三通φ1420×φ530×12个8A353312焊接三通φ1020×φ530×12个6A330013支座个3A345.1135.3冷水...

1、当您付费下载文档后,您只拥有了使用权限,并不意味着购买了版权,文档只能用于自身使用,不得用于其他商业用途(如 [转卖]进行直接盈利或[编辑后售卖]进行间接盈利)。
2、本站所有内容均由合作方或网友上传,本站不对文档的完整性、权威性及其观点立场正确性做任何保证或承诺!文档内容仅供研究参考,付费前请自行鉴别。
3、如文档内容存在违规,或者侵犯商业秘密、侵犯著作权等,请点击“违规举报”。

碎片内容

循环水管安装方案

您可能关注的文档

确认删除?
VIP
微信客服
  • 扫码咨询
会员Q群
  • 会员专属群点击这里加入QQ群
客服邮箱
回到顶部