电脑桌面
添加小米粒文库到电脑桌面
安装后可以在桌面快捷访问

护脚施工技术方案VIP免费

护脚施工技术方案_第1页
1/11
护脚施工技术方案_第2页
2/11
护脚施工技术方案_第3页
3/11
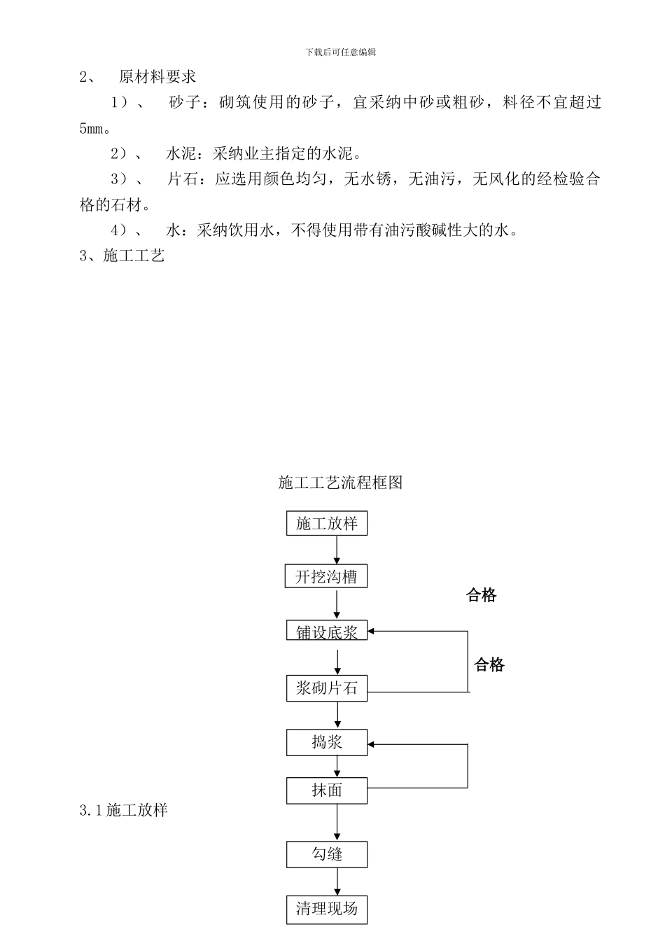
下载后可任意编辑护脚施工方案一、编制依据 1.1 由四川省交通运输厅公路规划勘察设计讨论院设计的本工程相关设计图纸、技术交底报告和图纸会审纪要;1.2《公路工程质量检验评定标准》JTJ 071-98;《公路桥涵施工技术法律规范》JTJ 041-2000;《公路路基施工技术法律规范》JTJ 033-95;《公路施工安全技术规程》JTJ 076-95;《工程测量法律规范》 GB 50026-93;《建筑工程施工现场供用电安全法律规范》GB50194-93 等各级主管部门颁布的现行有关设计法律规范、施工技术法律规范、验收标准、规程。二、工程概况K141+950~K142+050 护脚墙为避开斜坡路堤滑坡而设,墙高为 4 米,主要工程量 M7.5 浆砌片石。本护脚墙外侧坡比为 1﹕0.25。三、施工现场状况项目区属于亚热带季风气候。主要特征为春早、夏热、秋凉、冬暖四季分明,雨热同季,光照同步;无霜期长,光照适宜,雨量充沛,气候温柔,适宜于农、林、牧、渔业的进展;但秋季多雨,冬季多雾,霜、雪较少,降水时空分部差异较大,常有夏伏旱、秋霪雨及风、雹等灾害性天气发生。多年平均气温摄氏 17.1°,无霜期长,雨量充足;多年平均降雨量为 1138mm,但降雨量年际变化大,年内各月降雨量分布极不均匀。光照较好,多年平均光照时数为 1462.1h。根据水质分析资料,测区地下水、河(沟)水类型主要为 HCO3-Ca 和HCO3-CaNa,对砼基本无腐蚀性。四、施工方法1、施工前准备工作1)、 基槽开挖前,先进行施工放样,并报检合格。2)、 开挖前后,砌筑前必须报请监理工程师检验,合格后方可施工。3)、 如遇难以人工开挖地段,需要放炮处理的地段,施工机具,安全设施,炸药材料必须准备齐全。4)、 施工前,砂、石、水泥等材料要保证有充足的货源,并做好配合比试验。 下载后可任意编辑2、 原材料要求1)、 砂子:砌筑使用的砂子,宜采纳中砂或粗砂,料径不宜超过5mm。2)、 水泥:采纳业主指定的水泥。3)、 片石:应选用颜色均匀,无水锈,无油污,无风化的经检验合格的石材。4)、 水:采纳饮用水,不得使用带有油污酸碱性大的水。3、施工工艺 施工工艺流程框图 合格 合格 3.1 施工放样 施工放样铺设底浆浆砌片石抹面开挖沟槽勾缝清理现场捣浆下载后可任意编辑根据路基有关参数,用全站仪放出路基边沟和排水沟的位置中轴线,并测出相应标高,在地面上标出里程桩号以及标高,并根据所交底结果,用白灰或线绳拉出沟的相应轮廓线,示出相应的开控深度。3.2 沟槽开挖 施工...

1、当您付费下载文档后,您只拥有了使用权限,并不意味着购买了版权,文档只能用于自身使用,不得用于其他商业用途(如 [转卖]进行直接盈利或[编辑后售卖]进行间接盈利)。
2、本站所有内容均由合作方或网友上传,本站不对文档的完整性、权威性及其观点立场正确性做任何保证或承诺!文档内容仅供研究参考,付费前请自行鉴别。
3、如文档内容存在违规,或者侵犯商业秘密、侵犯著作权等,请点击“违规举报”。

碎片内容

护脚施工技术方案

确认删除?
VIP
微信客服
  • 扫码咨询
会员Q群
  • 会员专属群点击这里加入QQ群
客服邮箱
回到顶部