电脑桌面
添加小米粒文库到电脑桌面
安装后可以在桌面快捷访问

拱北隧道初步施工组织计划VIP免费

拱北隧道初步施工组织计划_第1页
1/32
拱北隧道初步施工组织计划_第2页
2/32
拱北隧道初步施工组织计划_第3页
3/32
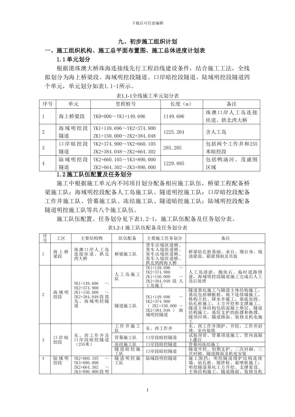
下载后可任意编辑九、初步施工组织计划一、施工组织机构、施工总平面布置图、施工总体进度计划表1.1 单元划分根据港珠澳大桥珠海连接线先行工程沿线建设条件,结合施工工法,全线拟划分为海上桥梁段、海域明挖段隧道、口岸暗挖段隧道、陆域明挖段隧道四个单元,单元划分如表1.1-1所示。表1.1-1全线施工单元划分表序号单元里程桩号长度(m)备注1海上桥梁段YK0+000~YK1+149.6961149.696珠澳口岸人工岛连接匝道、拱北湾大桥2海 域 明 挖 段隧道YK1+149.696~YK2+374.900ZK1+150.000~ZK2+384.0481225.204含人工岛3口 岸 暗 挖 段隧道YK2+374.900~YK2+660.105ZK2+384.048~ZK2+664.302285.205包括两个工作井和255米暗挖段4陆 域 明 挖 段隧道YK2+660.105~YK3+890.000ZK2+664.302~ZK3+890.0001229.895包括鸭涌河、茂盛围区域1.2 施工队伍配置及任务划分施工中根据施工单元内不同项目划分配备相应施工队伍,桥梁工程配备桥梁施工队;海域明挖段配备人工岛施工队、隧道明挖施工队;口岸暗挖段配备工作井施工队、管幕施工队、冻结施工队、隧道暗挖施工队;陆域明挖段配备隧道明挖施工队等共八个施工队伍。施工队伍配置、任务划分见下表1.2-1,施工队伍配备及任务划分表。表1.2-1 施工队伍配备及任务划分表序号工区主要结构物队伍配备主要施工任务划分备注1海 上 桥梁段珠澳口岸人工岛连接匝道、拱北湾大桥桥梁施工队货车出境匝道桥、货车入境匝道桥、客车出境匝道桥、客车入境匝道桥、拱北湾跨海大桥桥梁钻孔桩基础、承台、墩台身、现浇梁部、箱梁预制及吊装2海 域 明挖段YK1+149.696~YK2+374.900ZK1+150.000~ZK2+384.048 段 筑岛、海域明挖隧道人 工 岛 施 工队YK1+149.696~YK2+374.900ZK1+150.000~ZK2+384.048 段 人工岛施工人工岛清淤,抛块石、临时道路修建,海域明挖段隧道施工完成后人工岛后处理隧道施工队YK1+149.696~YK2+374.900( ZK1+150.000 ~ZK2+384.048 ) 海域明挖隧道隧道基坑施工与隧道主体结构施工,基坑包括钢板桩、地下连续墙施工,格构立柱、降水井施工,基底加固、钻孔桩施工,土方开挖和支撑施工。隧道主体结构包括混凝土垫层、隧道结构施工,基坑支护的拆撑和换撑,隧顶回填、隧道路面、装修及机电施工3口 岸 暗挖段东、西工作井及口岸段暗挖隧道(255米)工 作 井 施 工队东、西工作井东、西工作井围护、开挖,工作井封堵、室内装修管幕施工队口岸段暗挖隧道试验顶管、管幕顶进施...

1、当您付费下载文档后,您只拥有了使用权限,并不意味着购买了版权,文档只能用于自身使用,不得用于其他商业用途(如 [转卖]进行直接盈利或[编辑后售卖]进行间接盈利)。
2、本站所有内容均由合作方或网友上传,本站不对文档的完整性、权威性及其观点立场正确性做任何保证或承诺!文档内容仅供研究参考,付费前请自行鉴别。
3、如文档内容存在违规,或者侵犯商业秘密、侵犯著作权等,请点击“违规举报”。

碎片内容

拱北隧道初步施工组织计划

您可能关注的文档

确认删除?
VIP
微信客服
  • 扫码咨询
会员Q群
  • 会员专属群点击这里加入QQ群
客服邮箱
回到顶部