电脑桌面
添加小米粒文库到电脑桌面
安装后可以在桌面快捷访问

连续梁施工作业指导书之1支承垫石及支座安装VIP免费

连续梁施工作业指导书之1支承垫石及支座安装_第1页
1/7
连续梁施工作业指导书之1支承垫石及支座安装_第2页
2/7
连续梁施工作业指导书之1支承垫石及支座安装_第3页
3/7
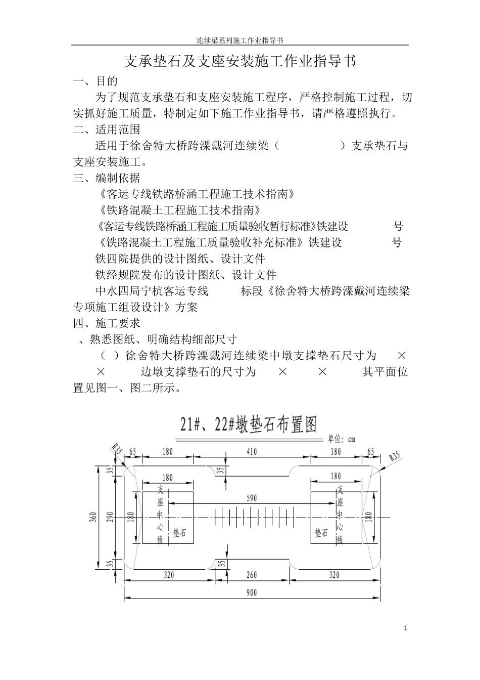
连续梁系列施工作业指导书 1 支承垫石及支座安装施工作业指导书 一、目的 为了规范支承垫石和支座安装施工程序,严格控制施工过程,切实抓好施工质量,特制定如下施工作业指导书,请严格遵照执行。 二、适用范围 适用于徐舍特大桥跨溧戴河连续梁(40m+56m+40m)支承垫石与支座安装施工。 三、编制依据 《客运专线铁路桥涵工程施工技术指南》(TZ213-2005) 《铁路混凝土工程施工技术指南》(TZ210-2005) 《客运专线铁路桥涵工程施工质量验收暂行标准》(铁建设[2005]160号) 《铁路混凝土工程施工质量验收补充标准》(铁建设[2005]160号) 铁四院提供的设计图纸、设计文件 铁经规院发布的设计图纸、设计文件 中水四局宁杭客运专线NHZQ-2标段《徐舍特大桥跨溧戴河连续梁专项施工组设设计》方案 四、施工要求 1、熟悉图纸、明确结构细部尺寸 (1)徐舍特大桥跨溧戴河连续梁中墩支撑垫石尺寸为1.8m×1.8m×0.35m,边墩支撑垫石的尺寸为1.4m×1.25m×0.35m,其平面位置见图一、图二所示。 连续梁系列施工作业指导书 2 21#墩锚栓孔布置图南京固定支座横向活动支座22#墩锚栓孔布置图纵向活动支座多向活动支座锚栓长度45cm锚栓孔深50cm孔径18cm锚栓长度45cm锚栓孔深50cm孔径18cm锚栓长度45cm锚栓孔深50cm孔径18cm锚栓长度45cm锚栓孔深50cm孔径18cm4356图一 图二 (2)徐舍特大桥地震动峰值加速度为0.3g,为8度地震区,则采用NHQZ球型支座。 (3)连续梁预留锚栓孔的尺寸及平面位置见图三和图四,预留螺栓孔的直径和深度允许偏差为0~+20mm。预留螺栓孔中心及对角线偏差不超过10mm;垫石顶面四角高差不大于2mm。 图三 连续梁中墩锚栓孔平面布置图 连续梁系列施工作业指导书 3 多向活动支座连续梁侧简支梁侧锚栓长度35cm锚栓孔深40cm孔径13cm锚栓长度35cm锚栓孔深40cm孔径13cm连续梁侧简支侧20#墩锚栓孔布置图23#墩锚栓孔布置图多向活动支座锚栓长度35cm锚栓孔深40cm孔径13cm锚栓长度35cm锚栓孔深40cm孔径13cm连续梁端墩台中心梁缝中心简支梁端梁缝连续梁端墩台中心梁缝中心简支梁端梁缝锚栓孔深38cm孔径12cm锚栓孔深38cm孔径12cm11 图四 连续梁边墩锚栓孔位布置图 2、模板工程 支承垫石模板采用钢模或胶合板制作,预留螺栓孔采用PVC管或钢管制作,模板拼缝处采用专用模板不干胶封缝胶带封闭,以提高外观质量。 模板安装就位前,将墩顶混凝土凿毛清洗干净,施工缝处的水泥砂浆、松动石子或松动砼层应凿除,并用水冲净、湿润,但不得...

1、当您付费下载文档后,您只拥有了使用权限,并不意味着购买了版权,文档只能用于自身使用,不得用于其他商业用途(如 [转卖]进行直接盈利或[编辑后售卖]进行间接盈利)。
2、本站所有内容均由合作方或网友上传,本站不对文档的完整性、权威性及其观点立场正确性做任何保证或承诺!文档内容仅供研究参考,付费前请自行鉴别。
3、如文档内容存在违规,或者侵犯商业秘密、侵犯著作权等,请点击“违规举报”。

碎片内容

连续梁施工作业指导书之1支承垫石及支座安装

您可能关注的文档

确认删除?
VIP
微信客服
  • 扫码咨询
会员Q群
  • 会员专属群点击这里加入QQ群
客服邮箱
回到顶部